|
|
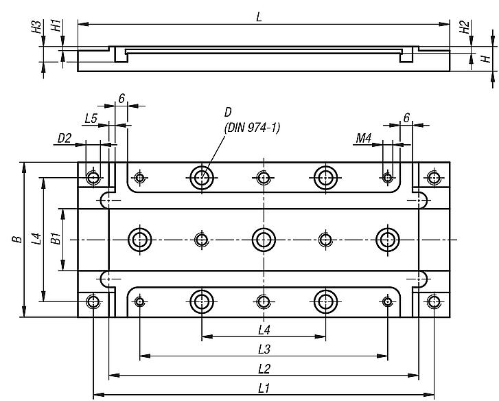
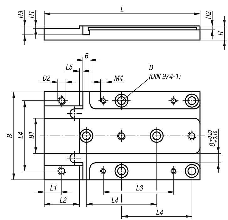
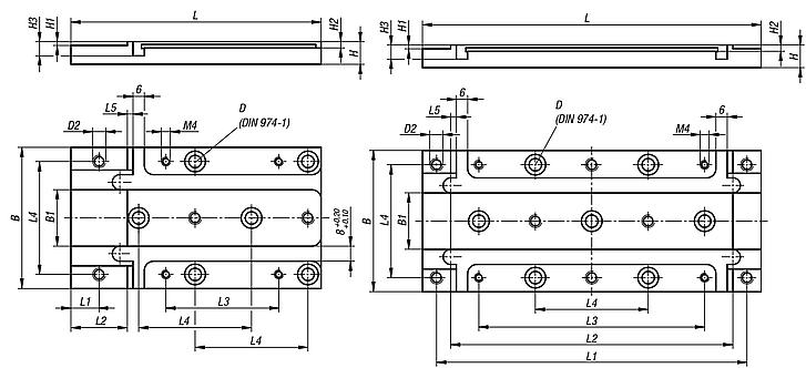
产品说明材料:铝合金。提示:安装板用于水平安装带电气驱动的短型或长型定位台。带用于直接安装感应式接近开关 (20905-005) 的槽。接近开关可在已安装的定位单元中调整。螺纹孔 M4 用于固定传感器支架 21093。
可与具有相同结构尺寸的所有其他部件结合。特点: 下载此处为收集信息的 PDF:
查找 CAD 数据?请直接在产品列表中查找。
|
| 订货号 | 尺寸 | 规格 | B | B1 | D
| D2 | H | H1 | H2 | H3 | L | L1 | L2 | L3 | L4 | L5 | CAD | 配件 | 价格 | 订购 |
|---|
| 21090-081 | 8 | 短款 | 46 | 10 | 4 | M4 | 10 | 2 | 2,3 | 6,5 | 82,5 | 9 | 15 | 40 | 36 | 1,5 |  | | 根据要求 | | | 21090-121 | 12 | 短款 | 75 | 30 | 6 | M6 | 12 | 2 | 3,3 | 7,5 | 133 | 15 | 30 | 60 | 60 | 3 |  | | 根据要求 | |
|
| 订货号 | 尺寸 | 规格 | B | B1 | D
| H | H1 | H2 | H3 | L | L1 | L2 | L3 | L4 | CAD | 配件 | 价格 | 订购 |
|---|
| 21090-082 | 8 | 长款 | 46 | 10 | 4 | 10 | 2 | 2,3 | 6,5 | 120 | 108 | 96 | 72 | 36 |  | | 根据要求 | | | 21090-122 | 12 | 长款 | 75 | 30 | 6 | 12 | 2 | 3,3 | 7,5 | 180 | 165 | 150 | 120 | 60 |  | | 根据要求 | |
|
|
|