|
|
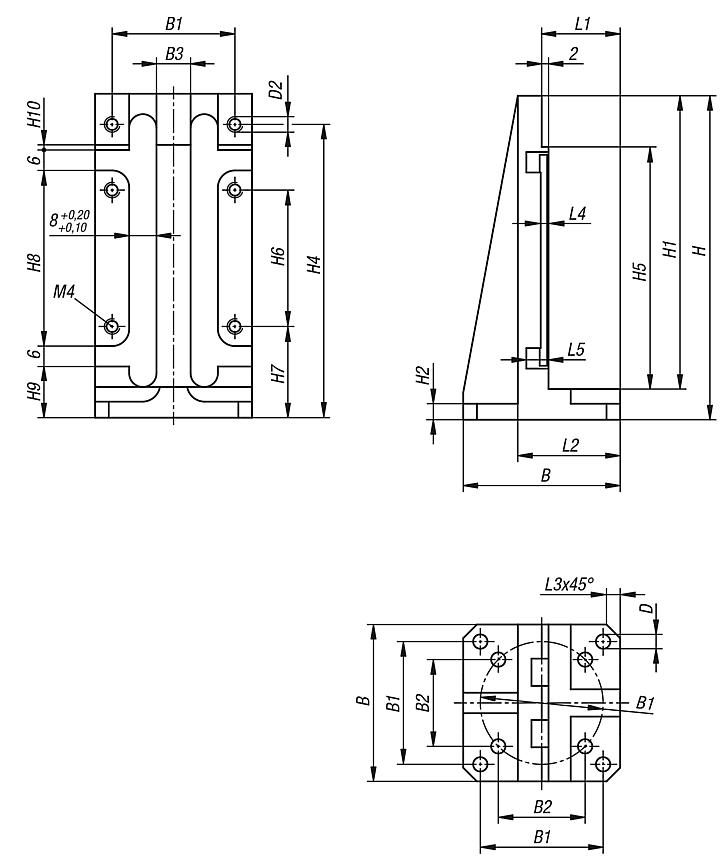
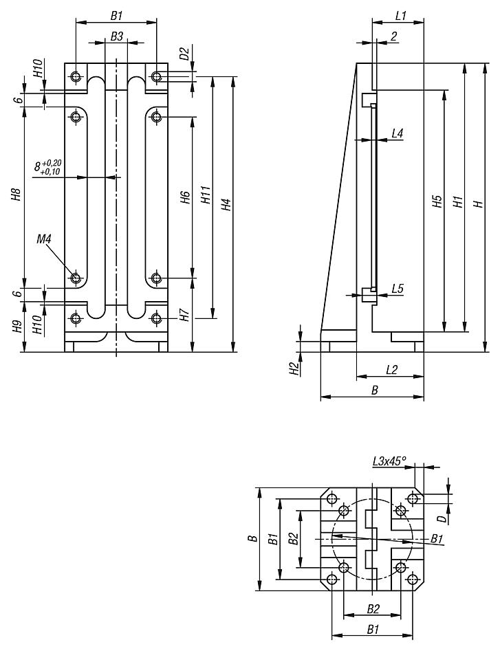
产品说明材料:铝合金。规格:阳极氧化。提示:安装板用于垂直安装带电气驱动的短型或长型定位台。带用于直接安装感应式接近开关 (20905-005) 的槽。接近开关可在已安装的定位单元中调整。螺纹孔 M4 用于固定传感器支架 21093。
可与具有相同结构尺寸的所有其他部件结合。特点: 下载此处为收集信息的 PDF:
查找 CAD 数据?请直接在产品列表中查找。
|
| 订货号 | 尺寸 | 规格 | B | B1 | B2 | B3 | D | D2 | H | H1 | H2 | H4 | H5 | H6 | H7 | H8 | H9 | H10 | L1 | L2 | L3 | L4 | L5 | CAD | 配件 | 价格 | 订购 |
|---|
| 21091-081 | 8 | 短款 | 46 | 36 | 25,5 | 10 | 4,2 | M4 | 95 | 86 | 4,7 | 86 | 71 | 40 | 26,75 | 51,5 | 15 | 1,5 | 23 | 30 | 4 | 2,3 | 6,5 |  | | 根据要求 | | | 21091-121 | 12 | 短款 | 75 | 60 | 42,4 | 30 | 6,4 | M6 | 146 | 136 | 5,7 | 131 | 106 | 60 | 35,5 | 83 | 18 | 3 | 27 | 36 | 7 | 3,3 | 7,5 |  | | 根据要求 | |
|
| 订货号 | 尺寸 | 规格 | B | B1 | B2 | B3 | D | D2 | H | H1 | H2 | H4 | H5 | H6 | H7 | H8 | H9 | H10 | H11 | L1 | L2 | L3 | L4 | L5 | CAD | 配件 | 价格 | 订购 |
|---|
| 21091-082 | 8 | 长款 | 46 | 36 | 25,5 | 10 | 4,2 | M4 | 129 | 120 | 4,7 | 123 | 108 | 72 | 33 | 81 | 22,9 | 1,5 | 108 | 23 | 30 | 4 | 2,3 | 6,5 |  | | 根据要求 | | | 21091-122 | 12 | 长款 | 75 | 60 | 42,4 | 30 | 6,4 | M6 | 192 | 180 | 5,7 | 184,5 | 177 | 120 | 42 | 132 | 30 | 3 | 165 | 27 | 36 | 7 | 3,3 | 7,5 |  | | 根据要求 | |
|
|
|