|
|
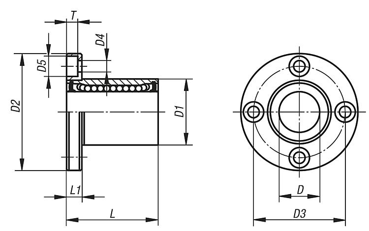
产品说明材料:外壳为钢制。 塑料保持架。 钢制滚珠。提示:线性滚珠轴承对应符合 ISO 10285-3。带两侧密封件。线性滚珠轴承配有一个塑料保持架。这确保了安静运行和突出的运行特性。带用于直接安装在壳体上的法兰。
建议公差: 轴:h6 壳体:H7
应在安装前为带两侧密封件的线性滚珠轴承涂油脂。
指定的承载量适用于使用经硬化和打磨处理的轴。温度范围:-20 °C 至 +80 °C。附件:精密导向轴 21595。 固定螺栓 07160。特点: 下载此处为收集信息的 PDF:
查找 CAD 数据?请直接在产品列表中查找。
|
| 订货号 | D
| D1 | D2 | D3 | D4 | D5 | L | L1 | T | 额定负载 动态 N | 额定负载 静态 N | CAD | 配件 | 价格 | 订购 |
|---|
| 21518-0802 | 8 | 16 | 32 | 24 | 3,4 | 6 | 25 | 5 | 3,1 | 265 | 402 |  | | 根据要求 | | | 21518-1202 | 12 | 22 | 42 | 32 | 4,5 | 7,5 | 32 | 6 | 4,1 | 520 | 790 |  |  | 根据要求 | | | 21518-1602 | 16 | 26 | 46 | 36 | 4,5 | 7,5 | 36 | 6 | 4,1 | 590 | 910 |  |  | 根据要求 | | | 21518-2002 | 20 | 32 | 54 | 43 | 5,5 | 9 | 45 | 8 | 5,1 | 880 | 1400 |  |  | 根据要求 | | | 21518-2502 | 25 | 40 | 62 | 51 | 5,5 | 9 | 58 | 8 | 5,1 | 1000 | 1600 |  |  | 根据要求 | | | 21518-3002 | 30 | 47 | 76 | 62 | 6,6 | 11 | 68 | 10 | 6,1 | 1600 | 2800 |  |  | 根据要求 | | | 21518-4002 | 40 | 62 | 98 | 80 | 9 | 14 | 80 | 13 | 8,1 | 2160 | 4020 |  | | 根据要求 | | | 21518-5002 | 50 | 75 | 112 | 94 | 9 | 14 | 100 | 13 | 8,1 | 3820 | 7940 |  | | 根据要求 | |
|
|