norelem 使用 Cookies 以优化设计和持续改进网页。您通过继续使用网页,同意使用 Cookies。在我们的数据保护声明中可以找到有关 Cookies 主题的详细信息。同意

商品描述/产品说明

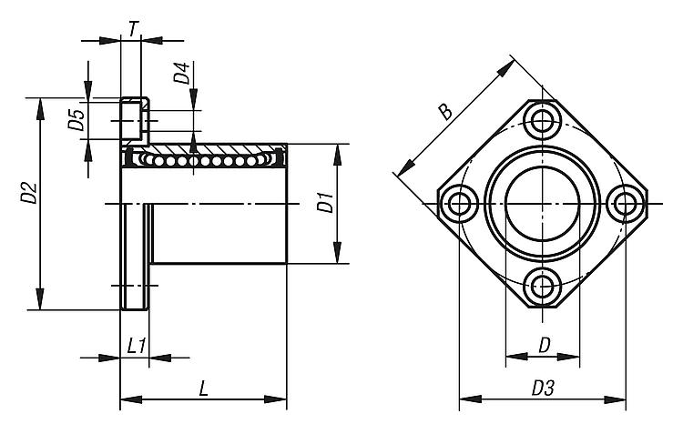
产品说明材料:外壳为钢制。
塑料保持架。
钢制滚珠。
提示:线性滚珠轴承对应符合 ISO 10285-3。带两侧密封件。线性滚珠轴承配有一个塑料保持架。这确保了安静运行和突出的运行特性。带用于直接安装在壳体上的法兰。

建议公差:
轴:h6
壳体:H7

应在安装前为带两侧密封件的线性滚珠轴承涂油脂。

指定的承载量适用于使用经硬化和打磨处理的轴。
温度范围:-20 °C 至 +80 °C。附件:精密导向轴 21595。
固定螺栓 07160。
特点:
RoHS
下载此处为收集信息的 PDF:

查找 CAD 数据?请直接在产品列表中查找。
 Datasheet 21518-01 线性滚珠轴承 带方形法兰 270 kB

图纸

线性滚珠轴承 带方形法兰

商品选择/筛选

订货号B

D

D1D2D3D4D5LL1T额定负载
动态
N
额定负载
静态
N
CAD配件价格订购
21518-01-08022581632243,462553,1265402 根据要求
21518-01-120232122242324,57,53264,1510784 根据要求
21518-01-160235162646364,57,53664,1578892 根据要求
21518-01-200242203254435,594585,18621370 根据要求
21518-01-250250254062515,595885,19801570 根据要求
21518-01-300260304776626,61168106,115702740 根据要求
21518-01-4002754062988091480138,121604020 根据要求
21518-01-500288507511294914100138,138207940 根据要求
我的 norelemE-Mail密码
购物车
商品数量: 0
总数: 0.00  
点击购物车
欢迎扫描二维码
咨询诺瑞朗官方客服微信
中国
苏ICP备20011289号-1  苏公网安备32058502011222 网页地图 打印 推荐 Top
Copyright © 2025 norelem. 保留所有权利。 电话 +49 71 45/206-44 至 45 · 传真 +49 71 45/206-83