norelem 使用 Cookies 以优化设计和持续改进网页。您通过继续使用网页,同意使用 Cookies。在我们的
数据保护声明
中可以找到有关 Cookies 主题的详细信息。
同意
全球分布
创意
AGB
版权说明
数据保护
产品
企业信息
服务
下载
新闻
联系方式
产品概览
固定
灵活的标准件系统
装配
装配系统
运动
用于机床和设备制造的系统/组件
检查
量具检具组件
夹紧
夹紧技术
控制和调节
电动机构
输送
输送和移动技术
technoshop
norelem inch
英制产品目录
21524
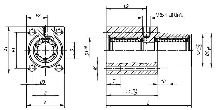
带法兰的线性滑座,双座
返回
产品
产品概览
用于机床和设备制造的系统和组件
滑台、 导轨、 定位台、 小型滑动导轨、 位置指示器
线性导向系统
带法兰的线性滑座,双座
商品描述/产品说明
产品说明
材料:
铝制壳体。
规格:
亮色壳体。
提示:
这种预加工线性滑座由一个挤压成型铝外壳、两个自适应线性轴承 21510 和两侧密封件的线性滚珠轴承组成。利用固定环 DIN 472 固定壳体中的轴承。
建议轴公差:h6。
依照线性滚珠轴承规格的承载量(x2)。
根据要求:
线性滑座可配备所有在此目录中列出的线性滚珠轴承。
附件:
前端密封件 21560。
精密导向轴 21595。
固定螺栓 07160 或 07161。
下载
此处为收集信息的 PDF:
查找 CAD 数据?请直接在产品列表中查找。
Datasheet 21524 带法兰的线性滑座,双座
254 kB
图纸
商品选择/筛选
订货号
A
A1
D
D1
D2
D3
E
E1
E2
L
L1
L2
M
T
CAD
配件
价格
订购
21524-121002
34
42
12
22
30
5,3
24
32
19
76
46
36
M6
13
根据要求
21524-161002
40
50
16
26
35
6,6
28
38
22
84
50
40
M8
18
根据要求
21524-201002
50
60
20
32
42
8,4
35
45
27
104
60
50
M10
22
根据要求
21524-251002
60
74
25
40
52
10,5
42
56
32
130
73
63
M12
26
根据要求
21524-301002
70
84
30
47
61
13,5
50
64
37
152
82
74
M16
34
根据要求
本类目的其他商品
<<
|
<
|
1-10
|
11-20
|
21-26
|
>
|
>>
21518
线性滚珠轴承,带圆法兰
21518-01
线性滚珠轴承
带方形法兰
21520
线性滚珠轴承,带圆法兰,双轴承
21520-01
线性滚珠轴承
带方形法兰,双轴承
21520-02
带中心法兰的钢制线性滚珠轴承,圆形设计
21520-03
带中心法兰的钢制线性滚珠轴承,方形设计
21522
带法兰的线性滑座
21530
单座线性滑座,闭合
21530-10
单座线性轴承座总成,铝制,紧凑型
闭合
21535
单座线性滑座,开放
<<
|
<
|
1-10
|
11-20
|
21-26
|
>
|
>>
我的 norelem
E-Mail
密码
忘记密码
首次登陆
购物车
商品数量:
0
总数:
0.00
€
点击购物车
欢迎扫描二维码
咨询诺瑞朗官方客服微信
Algérie
Andorra
Argentina
Australia
België
Bolivia
Bosna i Hercegovina
Brasil
Canada
Česká republika
Chile
中国
Colombia
Costa Rica
Cuba
Danmark
Dem. Peop. Rep. of Korea
Deutschland
Ecuador
Eesti
España
Georgia
香港
Hrvatska
India
Ireland
Ísland
Italia
Jamaica
日本
Latvija
Liechtenstein
Lietuvos
Luxemburg
Magyarország
Malaysia
Malta
México
Nederland
New Zealand
Norge
Österreich
Pakistan
Paraguay
Perú
Polska
Portugal
Principauté de Monaco
台灣
Rep. di San Marino
대한민국
România
Schweiz
Singapore
Slovenija
Slovensko
South Africa
Suomi
Sverige
Türkiye
United Kingdom
United States of America
Uruguay
Venezuela
Việt Nam
Ελλάδα
Κύπρος
Беларусь
България
Република Србија
Россия
Србија и Црна Гора
Україна
ישראל
الامارات العربية المتحدة
السعودية
ايران
مصر
ประเทศไทย
Chinese
English
苏ICP备20011289号-1
苏公网安备32058502011222
网页地图
打印
推荐
Top
Copyright © 2025 norelem. 保留所有权利。
电话 +49 71 45/206-44 至 45 · 传真 +49 71 45/206-83