norelem 使用 Cookies 以优化设计和持续改进网页。您通过继续使用网页,同意使用 Cookies。在我们的数据保护声明中可以找到有关 Cookies 主题的详细信息。同意
蜗杆传动机构 紧凑型
22700-12

蜗杆传动机构 紧凑型

返回

商品描述/产品说明

产品说明材料:压铸锌壳体。
钢制蜗杆和蜗轮。
规格:亮色壳体。
经渗碳硬化处理的蜗杆和涡轮。
提示:通用紧凑型和免维护型蜗杆传动机构,中心距为 14 mm,有 5 种不同的传动速率。驱动侧位于传动机构的宽面侧,轴的转向可以任意。紧凑型设计的传动机构具有扭矩极大、坚固耐用而且动力传动平稳的特点。柔性螺纹紧固件安装方便。

这种蜗杆传动机构专为手动操作而设计。

驱动通过一个 SW6 内六角实现。传动通过一个 SW6 内六角实现。
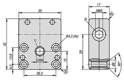
图纸提示:
1) 驱动
2) 输出
下载此处为收集信息的 PDF:

查找 CAD 数据?请直接在产品列表中查找。
 Datasheet 22700-12 蜗杆传动机构 紧凑型 296 kB

图纸

蜗杆传动机构 紧凑型

商品选择/筛选

订货号

传动比自锁最大驱动扭矩
M
Nm
最大输出转矩
M
Nm
CAD配件价格订购
22700-12-11:1非自锁式3,52 根据要求
22700-12-22,5:1非自锁式2,63 根据要求
22700-12-44,33:1带自锁机构1,93 根据要求
22700-12-66:1带自锁机构1,83 根据要求
22700-12-1313:1带自锁机构1,33 根据要求
我的 norelemE-Mail密码
购物车
商品数量: 0
总数: 0.00  
点击购物车
欢迎扫描二维码
咨询诺瑞朗官方客服微信
中国
苏ICP备20011289号-1  苏公网安备32058502011222 网页地图 打印 推荐 Top
Copyright © 2025 norelem. 保留所有权利。 电话 +49 71 45/206-44 至 45 · 传真 +49 71 45/206-83