norelem 使用 Cookies 以优化设计和持续改进网页。您通过继续使用网页,同意使用 Cookies。在我们的数据保护声明中可以找到有关 Cookies 主题的详细信息。同意
行星齿轮传动机构 适用于步进电机
22750

行星齿轮传动机构 适用于步进电机

返回

商品描述/产品说明

产品说明规格:单级提示:行星齿轮传动机构适用于结构尺寸为 NEMA 23 和 NEMA 34 的步进电机,可以安装在任何地方。通过永久性润滑实现免维护。行星齿轮传动机构自动定心,装配有可换法兰系统和轴向长度补偿机构。技术参数:传动机构档位:1
额定输入转速:3000 rpm
最高输入转速:6000 rpm
防护等级:IP64
使用寿命:~20000h
安装位置:任意
温度范围:适用于 -25 °C 到 +90 °C 温度(短时温度达 +120 °C)特点:
RoHS
下载此处为收集信息的 PDF:

查找 CAD 数据?请直接在产品列表中查找。
 Datasheet 22750 行星齿轮传动机构 适用于步进电机 472 kB

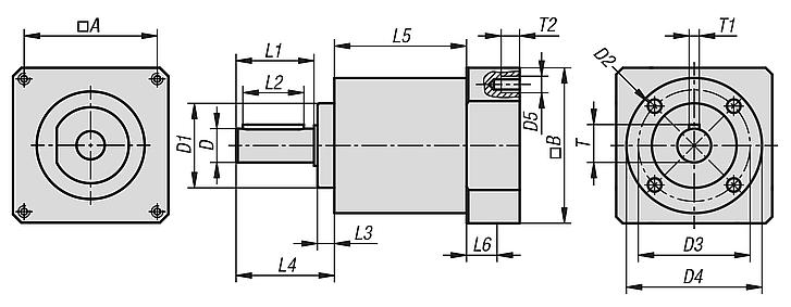
图纸

行星齿轮传动机构 适用于步进电机

商品选择/筛选

订货号尺寸AB

D

D1D2D3D4D5L1L2L3L4L5L6TT1T2CAD配件价格订购
22750-231004NEMA 2347,14551025M04x83340M42318529392711,2312 根据要求
22750-341003NEMA 3469,6851440M05x105265M5302583964,53116512 根据要求
订货号

传动

最大输出转矩
M
Nm
加速扭矩
Nm
背隙
arcmin
扭转刚性
Nm/arcmin
效率
满负荷时
%
最大允许
径向力
N
最大允许
轴向力
N
CAD配件价格订购
22750-2310044:148200,496220330 根据要求
22750-3410033:11325121,6979301080 根据要求
我的 norelemE-Mail密码
购物车
商品数量: 0
总数: 0.00  
点击购物车
欢迎扫描二维码
咨询诺瑞朗官方客服微信
中国
苏ICP备20011289号-1  苏公网安备32058502011222 网页地图 打印 推荐 Top
Copyright © 2025 norelem. 保留所有权利。 电话 +49 71 45/206-44 至 45 · 传真 +49 71 45/206-83