norelem 使用 Cookies 以优化设计和持续改进网页。您通过继续使用网页,同意使用 Cookies。在我们的
数据保护声明
中可以找到有关 Cookies 主题的详细信息。
同意
全球分布
创意
AGB
版权说明
数据保护
产品
企业信息
服务
下载
新闻
联系方式
产品概览
固定
灵活的标准件系统
装配
装配系统
运动
用于机床和设备制造的系统/组件
检查
量具检具组件
夹紧
夹紧技术
控制和调节
电动机构
输送
输送和移动技术
technoshop
norelem inch
英制产品目录
22710
伞齿轮传动机构 塑料壳体
返回
产品
产品概览
用于机床和设备制造的系统和组件
驱动技术
传动装置
伞齿轮传动机构 塑料壳体
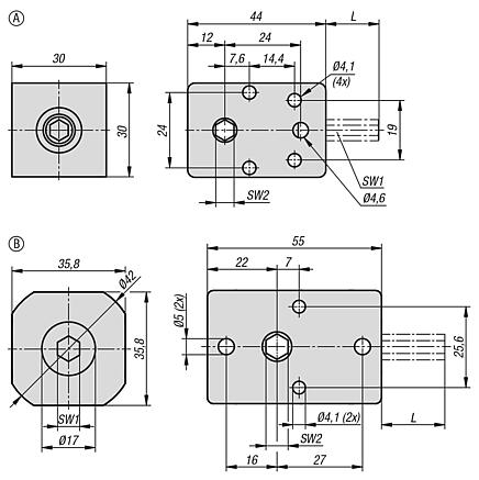
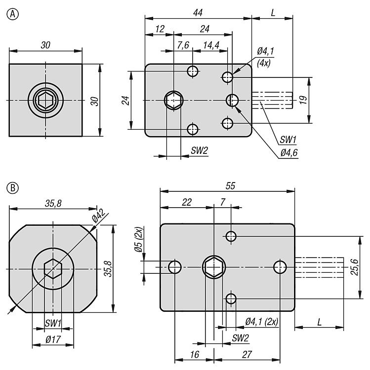
商品描述/产品说明
产品说明
材料:
壳体为塑料,玻璃纤维增强型。
钢制伞齿轮。
规格:
伞齿轮经渗碳硬化处理。
滚珠轴承,带密封垫。
提示:
通用型和免维护型伞齿轮箱,可以 90 度角的旋转运动进行摆动。任意转向。
伞齿轮适合手动驱动或在低转速时短暂机械驱动。
通过一个内六角进行驱动。可选择通过一个内六角或带有外六角的驱动轴进行驱动。
技术参数:
负载时长:20% (为 5 分钟时)
温度范围:
0 °C 至 +40 °C.
特点:
下载
此处为收集信息的 PDF:
查找 CAD 数据?请直接在产品列表中查找。
Datasheet 22710 伞齿轮传动机构 塑料壳体
271 kB
图纸
商品选择/筛选
订货号
类型
主体
颜色
传动比
最高转速
r/min
最大驱动扭矩
M
Nm
SW1
SW2
L
CAD
配件
价格
订购
22710-111000
A
蓝色
1:1
150
4
6
6
-
根据要求
22710-111050
A
蓝色
1:1
150
4
6
6
50
根据要求
22710-111080
A
蓝色
1:1
150
4
6
6
80
根据要求
22710-111100
A
蓝色
1:1
150
4
6
6
100
根据要求
22710-211000
B
红色
1:1
150
5,5
7
7
-
根据要求
22710-211050
B
红色
1:1
150
5,5
7
7
50
根据要求
22710-211080
B
红色
1:1
150
5,5
7
7
80
根据要求
22710-211100
B
红色
1:1
150
5,5
7
7
100
根据要求
22710-221000
B
绿色
2:1
150
5,5
7
7
-
根据要求
本类目的其他商品
22700
蜗杆传动机构
22700-10
蜗杆传动机构
22700-12
蜗杆传动机构
紧凑型
22712
伞齿轮传动机构
22714
锥齿轮,压铸锌壳体
22715
带塑料锥齿轮的锥齿轮减速器
22750
行星齿轮传动机构
适用于步进电机
我的 norelem
E-Mail
密码
忘记密码
首次登陆
购物车
商品数量:
0
总数:
0.00
€
点击购物车
欢迎扫描二维码
咨询诺瑞朗官方客服微信
Algérie
Andorra
Argentina
Australia
België
Bolivia
Bosna i Hercegovina
Brasil
Canada
Česká republika
Chile
中国
Colombia
Costa Rica
Cuba
Danmark
Dem. Peop. Rep. of Korea
Deutschland
Ecuador
Eesti
España
Georgia
香港
Hrvatska
India
Ireland
Ísland
Italia
Jamaica
日本
Latvija
Liechtenstein
Lietuvos
Luxemburg
Magyarország
Malaysia
Malta
México
Nederland
New Zealand
Norge
Österreich
Pakistan
Paraguay
Perú
Polska
Portugal
Principauté de Monaco
台灣
Rep. di San Marino
대한민국
România
Schweiz
Singapore
Slovenija
Slovensko
South Africa
Suomi
Sverige
Türkiye
United Kingdom
United States of America
Uruguay
Venezuela
Việt Nam
Ελλάδα
Κύπρος
Беларусь
България
Република Србија
Россия
Србија и Црна Гора
Україна
ישראל
الامارات العربية المتحدة
السعودية
ايران
مصر
ประเทศไทย
Chinese
English
苏ICP备20011289号-1
苏公网安备32058502011222
网页地图
打印
推荐
Top
Copyright © 2025 norelem. 保留所有权利。
电话 +49 71 45/206-44 至 45 · 传真 +49 71 45/206-83