norelem 使用 Cookies 以优化设计和持续改进网页。您通过继续使用网页,同意使用 Cookies。在我们的数据保护声明中可以找到有关 Cookies 主题的详细信息。同意
锥齿轮,压铸锌壳体
22714

锥齿轮,压铸锌壳体

返回

商品描述/产品说明

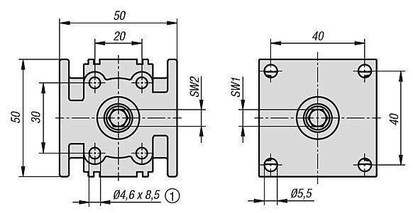
产品说明材料:压铸锌壳体。
钢制伞齿轮。
规格:亮色壳体。
表面经硬化处理的伞齿轮。
滚珠轴承,带密封垫 RS。
提示:通用型和免维护型伞齿轮箱,尤其适用于使用电机驱动。壳体经过封闭处理,以防止润滑脂泄露及受到灰尘影响。可装配到任意安装位置。任意转向。

通过一个内六角进行驱动和传动。

这种伞齿轮是非常适用于作为转向驱动机构或作为电动机的辅助齿轮箱,例如:用于特种机器制造的百叶窗和驱动器
技术参数:负载时长:20% (为 5 分钟时)温度范围:-20 °C 至 +40 °C图纸提示:
1) 适用自攻沉头螺丝 DIN 7500 M5。
特点:
RoHS
下载此处为收集信息的 PDF:

查找 CAD 数据?请直接在产品列表中查找。
 Datasheet 22714 锥齿轮,压铸锌壳体 399 kB

图纸

锥齿轮,压铸锌壳体

商品选择/筛选

订货号名称传动

最高转速
r/min
最大驱动扭矩
M
Nm
SW1SW2CAD配件价格订购
22714-1171伞齿轮传动机构1:11501077 根据要求
22714-1172伞齿轮传动机构1:11501077 根据要求
22714-1173伞齿轮传动机构1:11501077 根据要求
22714-1174伞齿轮传动机构1:11501077 根据要求
22714-91安装法兰----- 根据要求
我的 norelemE-Mail密码
购物车
商品数量: 0
总数: 0.00  
点击购物车
欢迎扫描二维码
咨询诺瑞朗官方客服微信
中国
苏ICP备20011289号-1  苏公网安备32058502011222 网页地图 打印 推荐 Top
Copyright © 2025 norelem. 保留所有权利。 电话 +49 71 45/206-44 至 45 · 传真 +49 71 45/206-83