norelem 使用 Cookies 以优化设计和持续改进网页。您通过继续使用网页,同意使用 Cookies。在我们的
数据保护声明
中可以找到有关 Cookies 主题的详细信息。
同意
全球分布
创意
AGB
版权说明
数据保护
产品
企业信息
服务
下载
新闻
联系方式
产品概览
固定
灵活的标准件系统
装配
装配系统
运动
用于机床和设备制造的系统/组件
检查
量具检具组件
夹紧
夹紧技术
控制和调节
电动机构
输送
输送和移动技术
technoshop
norelem inch
英制产品目录
23765-01
铜质制滑板,免维护
返回
产品
产品概览
用于机床和设备制造的系统和组件
联轴器、 刚性联轴器、 胀紧套、 万向节、 快速插拔联轴器、 轴承、 密封件
滑动轴承
铜质制滑板,免维护
商品描述/产品说明
查看/筛选所有商品
产品说明
材料:
青铜,石墨嵌入件。
规格:
自润滑性。
提示:
滑板具有垂直和水平的滑动方向。
铜质滑动元件免维护且耐磨损。
石墨嵌件可提供终身润滑效果。
技术参数:
材料特性:
基础合金:CuZn25Al5Mn4Fe3-C。
密度:8.2 kg/dm³。
抗弯曲疲劳强度:+/- 150 MPa。
弹性模数:120,000 N/mm²。
摩擦系数:0.05 - 0.12。
最大速度:0.5 m/s。
导热系数:50 W/(mK)。
热膨胀系数:18x10-6 K-1。
电导率:7-8 m/(Ω·m-1)。
固体润滑剂含量:20-25%。
静态表面压力:50 N/mm²。
动态表面压力:35 N/mm²。
温度范围:
最高 230 °C。
图纸提示:
1) 23765-01-018050、23765-01-018075 和 23765-01-018100 剖面。
特点:
下载
此处为收集信息的 PDF:
查找 CAD 数据?请直接在产品列表中查找。
Datasheet 23765-01 铜质制滑板,免维护
257 kB
图片(总概述)
铜质制滑板,免维护,A 型
更多信息
图纸
商品选择/筛选
订货号
类型
B
D
H
L
L1
CAD
配件
价格
订购
23765-01-018050
A
18
6,6
5
50
20
根据要求
23765-01-018075
A
18
6,6
5
75
45
根据要求
23765-01-018100
A
18
6,6
5
100
70
根据要求
23765-01-028050
A
28
9
5
50
20
根据要求
23765-01-028075
A
28
9
5
75
45
根据要求
23765-01-028100
A
28
9
5
100
70
根据要求
23765-01-038050
A
38
9
5
50
20
根据要求
23765-01-038075
A
38
9
5
75
45
根据要求
23765-01-038100
A
38
9
5
100
70
根据要求
23765-01-048075
A
48
9
5
75
45
根据要求
23765-01-048100
A
48
9
5
100
70
根据要求
23765-01-048125
A
48
9
5
125
95
根据要求
铜质制滑板,免维护,B 型
更多信息
图纸
商品选择/筛选
订货号
类型
B
D
H
L
L1
CAD
配件
价格
订购
23765-01-018150
B
18
6,5
5
150
60
根据要求
23765-01-028150
B
28
9
5
150
60
根据要求
23765-01-038150
B
38
9
5
150
60
根据要求
23765-01-048150
B
48
9
5
150
60
根据要求
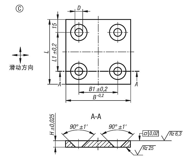
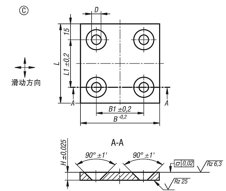
铜质制滑板,免维护,C 型
更多信息
图纸
商品选择/筛选
订货号
类型
B
B1
D
H
L
L1
CAD
配件
价格
订购
23765-01-075075
C
75
45
9
5
75
45
根据要求
23765-01-075100
C
75
45
9
5
100
70
根据要求
23765-01-075125
C
75
45
9
5
125
95
根据要求
23765-01-100100
C
100
70
9
5
100
70
根据要求
23765-01-100125
C
100
70
9
5
125
95
根据要求
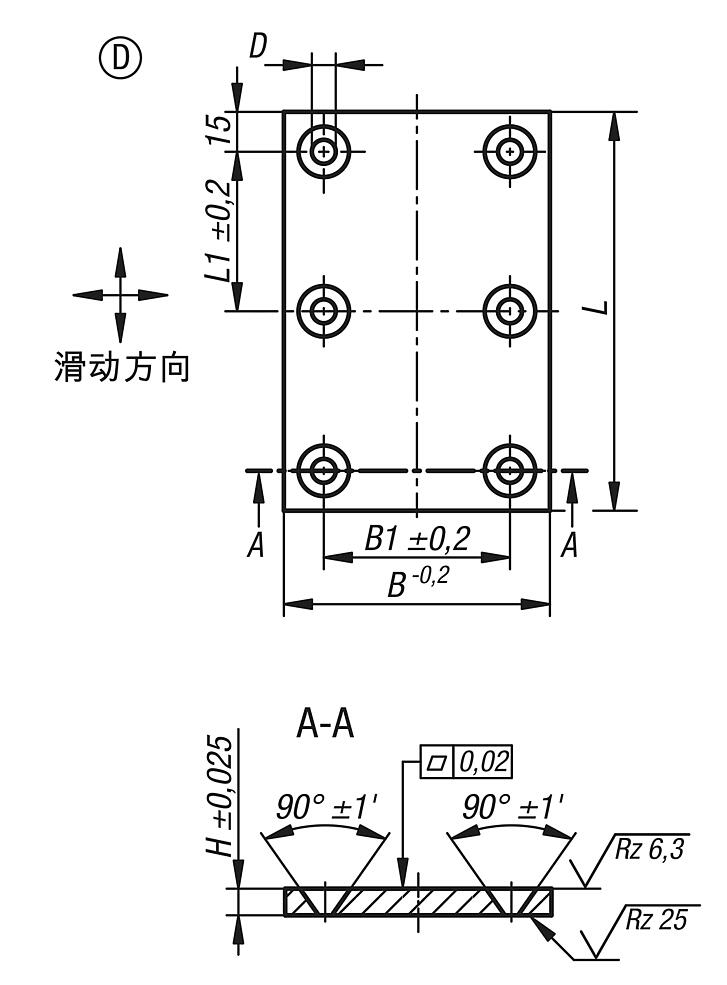
铜质制滑板,免维护,D 型
更多信息
图纸
商品选择/筛选
订货号
类型
B
B1
D
H
L
L1
CAD
配件
价格
订购
23765-01-075150
D
75
45
9
5
150
60
根据要求
23765-01-100150
D
100
70
9
5
150
60
根据要求
本类目的其他商品
<<
|
<
|
1-10
|
11-17
|
>
|
>>
23500
igubal® 轴承座
23678
钢制导向管
23678-10
带定心轴环的钢制导向衬套
23678-20
钢制或青铜制导向衬套
23679
陶瓷导杆衬套
23680
导向衬套,青铜,免维护
23681
导向衬套
符合德国工业标准 (DIN) 9834/ ISO 标准 9448 青铜,免维护,带凸缘
23681-05
铜质导向衬套,带凸缘,免维护
23682
固定夹
符合德国工业标准 (DIN) 9832
23710
塑料滑动轴承
<<
|
<
|
1-10
|
11-17
|
>
|
>>
我的 norelem
E-Mail
密码
忘记密码
首次登陆
购物车
商品数量:
0
总数:
0.00
€
点击购物车
欢迎扫描二维码
咨询诺瑞朗官方客服微信
Algérie
Andorra
Argentina
Australia
België
Bolivia
Bosna i Hercegovina
Brasil
Canada
Česká republika
Chile
中国
Colombia
Costa Rica
Cuba
Danmark
Dem. Peop. Rep. of Korea
Deutschland
Ecuador
Eesti
España
Georgia
香港
Hrvatska
India
Ireland
Ísland
Italia
Jamaica
日本
Latvija
Liechtenstein
Lietuvos
Luxemburg
Magyarország
Malaysia
Malta
México
Nederland
New Zealand
Norge
Österreich
Pakistan
Paraguay
Perú
Polska
Portugal
Principauté de Monaco
台灣
Rep. di San Marino
대한민국
România
Schweiz
Singapore
Slovenija
Slovensko
South Africa
Suomi
Sverige
Türkiye
United Kingdom
United States of America
Uruguay
Venezuela
Việt Nam
Ελλάδα
Κύπρος
Беларусь
България
Република Србија
Россия
Србија и Црна Гора
Україна
ישראל
الامارات العربية المتحدة
السعودية
ايران
مصر
ประเทศไทย
Chinese
English
苏ICP备20011289号-1
苏公网安备32058502011222
网页地图
打印
推荐
Top
Copyright © 2025 norelem. 保留所有权利。
电话 +49 71 45/206-44 至 45 · 传真 +49 71 45/206-83