norelem 使用 Cookies 以优化设计和持续改进网页。您通过继续使用网页,同意使用 Cookies。在我们的数据保护声明中可以找到有关 Cookies 主题的详细信息。同意
钢制轴向推力角接触球轴承 双排,带法兰
23806-01

钢制轴向推力角接触球轴承 双排,带法兰

返回

商品描述/产品说明

产品说明材料:外壳为钢制。
丁腈密封件。
规格:侧面经打磨处理。提示:经预紧的高精度轴承具有 60° 压力角。轴承可承载来自两个方向上的径向力和轴向力。由于经过预紧,轴向推力角接触球轴承具有很高的刚度、径向跳动好、能精准定位工装工具以及重复精度高。

内部集成的低摩擦密封件可全效确保轴承远离脏污,并确保操作安全性高,使用寿命长。

规定的轴承摩擦系数 Mrl 是标准值。

惯性矩等于内圈的转动惯量。

极限转速为经脂润滑后的状态。
技术参数:所有交付的轴承均为即装型,经脂润滑的 KE2P-35 型号符合 DIN 51825 标准。

壳体和轴公差符合对应的圆度公差等级 IT2 和矩形公差等级 IT4。
应用:用于支撑丝杠副。温度范围:-30 °C 至 +120 °C。装配:应使用精密锁紧螺母安装丝杠。

精密锁紧螺母安装时使用双倍的紧固力矩拧紧,稍稍松开然后用规定的紧固力矩拧紧,以便能补偿可能出现的沉降现象。

固定螺栓按照交叉方式拧紧,最大屈服点为 70%。
特点:
RoHS
下载此处为收集信息的 PDF:

查找 CAD 数据?请直接在产品列表中查找。
 Datasheet 23806-01 钢制轴向推力角接触球轴承 双排,带法兰 339 kB

图片(总概述)

钢制轴向推力角接触球轴承 双排,带法兰

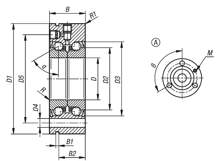
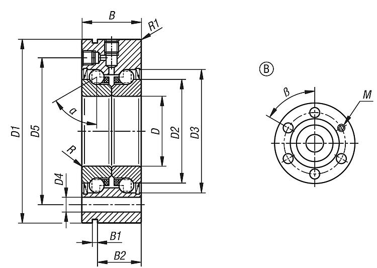
钢制轴向推力角接触球轴承,双排,带法兰,A 型

更多信息

图纸

钢制轴向推力角接触球轴承,双排,带法兰,A 型

商品选择/筛选

订货号缩写类型 1类型BB1B2D

D1D2D3D4D5RR1αβM精密开槽螺母
紧固力矩
Nm
最高转速
1/min.
CAD配件价格订购
23806-01-1012055251255-2RS双排A25 -0,2531712-0,00555-0,0125-6,6420,30,660°120°M683800 根据要求
订货号

缩写额定负载
静态
N
额定负载
动态
N
轴向
刚度
N/μm
侧倾角刚度
Nm/mrad
轴承摩檫力矩
Nm
转动
惯量
Kg.cm²
端跳
μm
径向
轴承游隙

尺寸
μm
外径
尺寸
μm
宽度
尺寸
μm
CAD配件价格订购
23806-01-1012055251255-2RS2470016900375500,160,0682,0经预紧处理0-50-100-250 根据要求

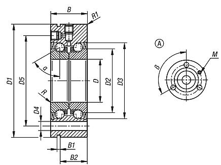
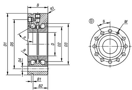
钢制轴向推力角接触球轴承,双排,带法兰,B 型

更多信息

图纸

钢制轴向推力角接触球轴承,双排,带法兰,B 型

商品选择/筛选

订货号缩写类型 1类型BB1B2D

D1D2D3D4D5RR1αβM精密开槽螺母
紧固力矩
Nm
最高转速
1/min.
CAD配件价格订购
23806-01-1015060251560-2RS双排B25 -0,2531715-0,00560-0,0128366,6460,30,660°60°M6103500 根据要求
23806-01-1017062251762-2RS双排B25 -0,2531717-0,00562-0,0130386,6480,30,660°60°M6153300 根据要求
订货号

缩写额定负载
静态
N
额定负载
动态
N
轴向
刚度
N/μm
侧倾角刚度
Nm/mrad
轴承摩檫力矩
Nm
转动
惯量
Kg.cm²
端跳
μm
径向
轴承游隙

尺寸
μm
外径
尺寸
μm
宽度
尺寸
μm
CAD配件价格订购
23806-01-1015060251560-2RS2800017900400650,200,1022,0经预紧处理0-50-100-250 根据要求
23806-01-1017062251762-2RS3100018800450800,240,1322,0经预紧处理0-50-100-250 根据要求

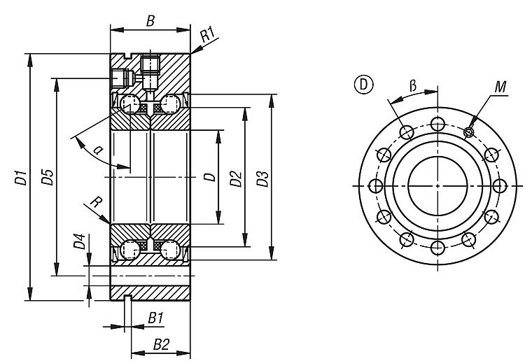
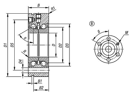
钢制轴向推力角接触球轴承,双排,带法兰,C 型

更多信息

图纸

钢制轴向推力角接触球轴承,双排,带法兰,C 型

商品选择/筛选

订货号缩写类型 1类型BB1B2D

D1D2D3D4D5RR1αβM精密开槽螺母
紧固力矩
Nm
最高转速
1/min.
CAD配件价格订购
23806-01-1020068282068-2RS双排C28 -0,2531920-0,00568-0,0134,5446,6530,30,660°45°M6183000 根据要求
23806-01-1025075282575-2RS双排C28 -0,2531925-0,00575-0,0140,5496,6580,30,660°45°M6252600 根据要求
23806-01-10401003440100-2RS双排C34 -0,2532540-0,005100-0,0158688,8800,30,660°45°M6551800 根据要求
订货号

缩写额定负载
静态
N
额定负载
动态
N
轴向
刚度
N/μm
侧倾角刚度
Nm/mrad
轴承摩檫力矩
Nm
转动
惯量
Kg.cm²
端跳
μm
径向
轴承游隙

尺寸
μm
外径
尺寸
μm
宽度
尺寸
μm
CAD配件价格订购
23806-01-1020068282068-2RS47000260006501400,300,2732,0经预紧处理0-50-100-250 根据要求
23806-01-1025075282575-2RS55000275007502000,400,4862,0经预紧处理0-50-100-250 根据要求
23806-01-10401003440100-2RS1010004300010005500,702,2602,5经预紧处理0-50-100-250 根据要求

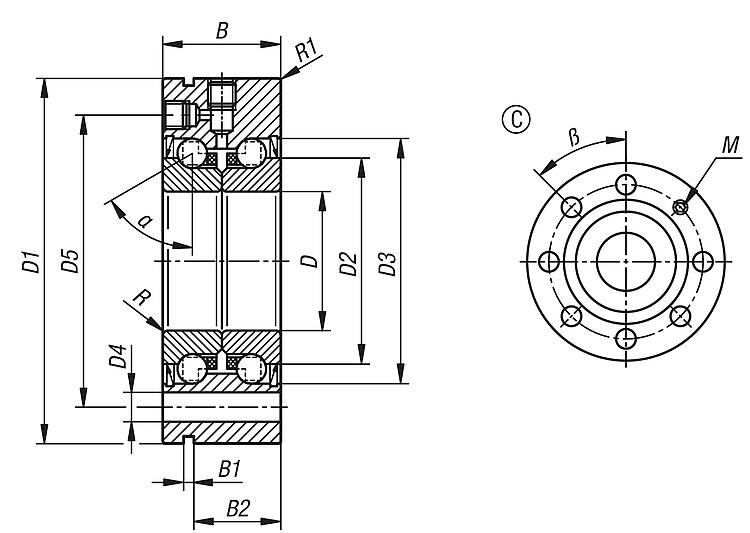
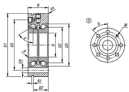
钢制轴向推力角接触球轴承,双排,带法兰,D 型

更多信息

图纸

钢制轴向推力角接触球轴承,双排,带法兰,D 型

商品选择/筛选

订货号缩写类型 1类型BB1B2D

D1D2D3D4D5RR1αβM精密开槽螺母
紧固力矩
Nm
最高转速
1/min.
CAD配件价格订购
23806-01-1030080283080-2RS双排D28 -0,2531930-0,00580-0,0145,5546,6630,30,660°30°M6322200 根据要求
订货号

缩写额定负载
静态
N
额定负载
动态
N
轴向
刚度
N/μm
侧倾角刚度
Nm/mrad
轴承摩檫力矩
Nm
转动
惯量
Kg.cm²
端跳
μm
径向
轴承游隙

尺寸
μm
外径
尺寸
μm
宽度
尺寸
μm
CAD配件价格订购
23806-01-1030080283080-2RS64000290008503000,500,7302,5经预紧处理0-50-100-250 根据要求
我的 norelemE-Mail密码
购物车
商品数量: 0
总数: 0.00  
点击购物车
欢迎扫描二维码
咨询诺瑞朗官方客服微信
中国
苏ICP备20011289号-1  苏公网安备32058502011222 网页地图 打印 推荐 Top
Copyright © 2025 norelem. 保留所有权利。 电话 +49 71 45/206-44 至 45 · 传真 +49 71 45/206-83