|
|
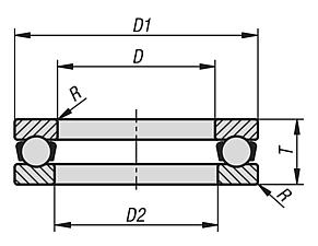
产品说明材料:滚动轴承钢制座圈、轴圈和滚动体。 钢制保持架。提示:轴向向心球轴承接收单向高轴向负载,但不得承受径向负载。
轴承并非自保持型。这就意味着轴承部件可分别安装。
轴向向心球轴承的主要尺寸符合 ISO 104 和 DIN 711。尺寸和运行公差符合依照 DIN 620 的公差等级 PN。这些公差等级为标准型并适合多数应用情况。温度范围:-30 °C 至 +150 °C。根据要求:其他尺寸和规格。特点: 下载此处为收集信息的 PDF:
查找 CAD 数据?请直接在产品列表中查找。
|
| 订货号 | 缩写 | D
| D1 | D2 | T | R min. | 额定负载 动态 N | 额定负载 静态 N | 最高转速 1/min. | CAD | 配件 | 价格 | 订购 |
|---|
| 23830-01002409 | 51100 | 10 | 24 | 11 | 9 | 0,3 | 10000 | 14000 | 13000 |  | | 根据要求 | | | 23830-01202609 | 51101 | 12 | 26 | 13 | 9 | 0,3 | 10400 | 15300 | 13000 |  | | 根据要求 | | | 23830-01202811 | 51201 | 12 | 28 | 14 | 11 | 0,6 | 13200 | 19000 | 10000 |  | | 根据要求 | | | 23830-01502809 | 51102 | 15 | 28 | 16 | 9 | 0,3 | 10600 | 16600 | 12000 |  | | 根据要求 | | | 23830-01503212 | 51202 | 15 | 32 | 17 | 12 | 0,6 | 16600 | 25000 | 9000 |  | | 根据要求 | | | 23830-01703009 | 51103 | 17 | 30 | 18 | 9 | 0,3 | 11400 | 19600 | 11000 |  | | 根据要求 | | | 23830-01703512 | 51203 | 17 | 35 | 19 | 12 | 0,6 | 17300 | 27500 | 8500 |  | | 根据要求 | | | 23830-02003510 | 51104 | 20 | 35 | 21 | 10 | 0,3 | 15000 | 26500 | 9500 |  | | 根据要求 | | | 23830-02004014 | 51204 | 20 | 40 | 22 | 14 | 0,6 | 22400 | 37500 | 7500 |  | | 根据要求 | | | 23830-02504211 | 51105 | 25 | 42 | 26 | 11 | 0,6 | 18000 | 35500 | 9000 |  | | 根据要求 | | | 23830-02504715 | 51205 | 25 | 47 | 27 | 15 | 0,6 | 28000 | 50000 | 6700 |  | | 根据要求 | | | 23830-03004711 | 51106 | 30 | 47 | 32 | 11 | 0,6 | 19000 | 40000 | 8000 |  | | 根据要求 | | | 23830-03005216 | 51206 | 30 | 52 | 32 | 16 | 0,6 | 25000 | 46500 | 6300 |  | | 根据要求 | | | 23830-03505212 | 51107 | 35 | 52 | 37 | 12 | 0,6 | 20000 | 46500 | 7500 |  | | 根据要求 | | | 23830-03506218 | 51207 | 35 | 62 | 37 | 18 | 1 | 35500 | 67000 | 5300 |  | | 根据要求 | | | 23830-04006013 | 51108 | 40 | 60 | 42 | 13 | 0,6 | 27000 | 63000 | 6300 |  | | 根据要求 | | | 23830-04006819 | 51208 | 40 | 68 | 42 | 19 | 1 | 46500 | 98000 | 4800 |  | | 根据要求 | | | 23830-04506514 | 51109 | 45 | 65 | 47 | 14 | 0,6 | 28000 | 69500 | 6000 |  | | 根据要求 | | | 23830-04507320 | 51209 | 45 | 73 | 47 | 20 | 1 | 39000 | 80000 | 4800 |  | | 根据要求 | | | 23830-05007014 | 51110 | 50 | 70 | 52 | 14 | 0,6 | 29000 | 75000 | 5600 |  | | 根据要求 | | | 23830-05007822 | 51210 | 50 | 78 | 52 | 22 | 1 | 50000 | 106000 | 4300 |  | | 根据要求 | |
|
|