norelem 使用 Cookies 以优化设计和持续改进网页。您通过继续使用网页,同意使用 Cookies。在我们的数据保护声明中可以找到有关 Cookies 主题的详细信息。同意

商品描述/产品说明

产品说明材料:

钢或不锈钢 1.4301。

规格:钢制,电镀锌。
不锈钢,亮色。
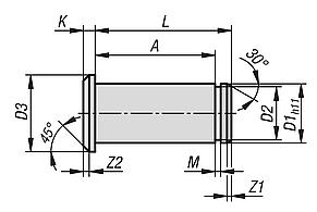
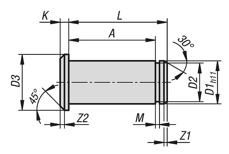
提示:带有环槽的销适用于 DIN 71752 标准的叉头。通过垫片卡簧固定在符合 DIN 6799 标准的轴上(可采用 KL 卡簧或 SL 卡簧)。

轴用卡簧作为销的固定元件。同适合的叉头组合可形成一个功能全面的叉形接头。
附件:轴用安全垫圈 DIN 6799 07332。
钢制 KL 保险丝 07332-05。
钢制 SL 保险丝 07332-10。
特点:
RoHS
下载此处为收集信息的 PDF:

查找 CAD 数据?请直接在产品列表中查找。
 Datasheet 27621-01 销带有放置轴用卡簧的环槽 适用于叉头 218 kB

图纸

销带有放置轴用卡簧的环槽 适用于叉头

商品选择/筛选

订货号主体
材料
D1

D2D3AKLMZ1Z2CAD配件价格订购
27621-01-004085钢制43,268,5110,50,640,50,5 根据要求
27621-01-005105钢制54810,51,5130,740,50,5 根据要求
27621-01-006125钢制65912,51,515,50,7410,5 根据要求
27621-01-008165钢制861216,52200,940,51 根据要求
27621-01-010205钢制1081420,52251,0511 根据要求
27621-01-012245钢制1291724,53301,1511,5 根据要求
27621-01-014275钢制14101927,53331,251,251,5 根据要求
27621-01-016325钢制16122132,5338,51,351,51,5 根据要求
27621-01-020405钢制2017,52640,54461,91,52 根据要求
27621-01-025505钢制25183250,55571,91,52 根据要求
27621-01-104085不锈钢43,268,5110,50,640,50,5 根据要求
27621-01-105105不锈钢54810,51,5130,740,50,5 根据要求
27621-01-106125不锈钢65912,51,515,50,7410,5 根据要求
27621-01-108165不锈钢861216,52200,940,51 根据要求
27621-01-110205不锈钢1081420,52251,0511 根据要求
27621-01-112245不锈钢1291724,53301,1511,5 根据要求
27621-01-114275不锈钢14101927,53331,251,251,5 根据要求
27621-01-116325不锈钢16122132,5338,51,351,51,5 根据要求
27621-01-120405不锈钢2017,52640,54461,91,52 根据要求
我的 norelemE-Mail密码
购物车
商品数量: 0
总数: 0.00  
点击购物车
欢迎扫描二维码
咨询诺瑞朗官方客服微信
中国
苏ICP备20011289号-1  苏公网安备32058502011222 网页地图 打印 推荐 Top
Copyright © 2025 norelem. 保留所有权利。 电话 +49 71 45/206-44 至 45 · 传真 +49 71 45/206-83