norelem 使用 Cookies 以优化设计和持续改进网页。您通过继续使用网页,同意使用 Cookies。在我们的数据保护声明中可以找到有关 Cookies 主题的详细信息。同意

商品描述/产品说明

产品说明材料:

钢或不锈钢 1.4301。

规格:钢制,电镀锌。
不锈钢,亮色。
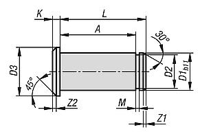
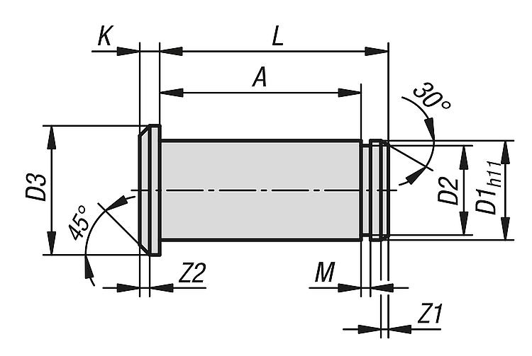
提示:带有环槽的销适用于 DIN 71752 标准的叉头。通过 DIN 471 标准的卡簧固定。

卡簧作为销的固定元件。同适合的叉头组合可形成一个功能全面的叉形接头。
特点:
RoHS
下载此处为收集信息的 PDF:

查找 CAD 数据?请直接在产品列表中查找。
 Datasheet 27621-02 销带有放置卡簧的环槽 适用于叉头 218 kB

图纸

销带有放置卡簧的环槽 适用于叉头

商品选择/筛选

订货号主体
材料
D1

D2D3AKLMZ1Z2CAD配件价格订购
27621-02-004085钢制43,868,51100,50,50,5 根据要求
27621-02-005105钢制54,8810,51,512,50,70,50,5 根据要求
27621-02-006125钢制65,7912,51,515,50,80,750,5 根据要求
27621-02-008165钢制87,61216,5220,50,911 根据要求
27621-02-010205钢制109,61420,52241,111 根据要求
27621-02-012245钢制1211,51724,53281,11,251,5 根据要求
27621-02-014275钢制1413,41927,53321,11,251,5 根据要求
27621-02-016325钢制1615,22132,53371,11,51,5 根据要求
27621-02-020405钢制20192640,54461,31,52 根据要求
27621-02-104085不锈钢43,868,51100,50,50,5 根据要求
27621-02-105105不锈钢54,8810,51,512,50,70,50,5 根据要求
27621-02-106125不锈钢65,7912,51,515,50,80,750,5 根据要求
27621-02-108165不锈钢87,61216,5220,50,911 根据要求
27621-02-110205不锈钢109,61420,52241,111 根据要求
27621-02-112245不锈钢1211,51724,53281,11,251,5 根据要求
27621-02-116325不锈钢1615,22132,53371,11,51,5 根据要求
27621-02-120405不锈钢20192640,54461,31,52 根据要求
我的 norelemE-Mail密码
购物车
商品数量: 0
总数: 0.00  
点击购物车
欢迎扫描二维码
咨询诺瑞朗官方客服微信
中国
苏ICP备20011289号-1  苏公网安备32058502011222 网页地图 打印 推荐 Top
Copyright © 2025 norelem. 保留所有权利。 电话 +49 71 45/206-44 至 45 · 传真 +49 71 45/206-83