norelem 使用 Cookies 以优化设计和持续改进网页。您通过继续使用网页,同意使用 Cookies。在我们的数据保护声明中可以找到有关 Cookies 主题的详细信息。同意

商品描述/产品说明

产品说明材料:

钢制 或不锈钢制 1.4305。

规格:钢制,电镀锌。
不锈钢,亮色。
提示:带销孔的销适用于 DIN 71752 标准的叉头。通过开口销固定。

开口销作为销的固定元件。同适合的叉头组合可形成一个功能全面的叉形接头。
特点:
RoHS
下载此处为收集信息的 PDF:

查找 CAD 数据?请直接在产品列表中查找。
 Datasheet 27621-03 带有销孔的销 适用于叉头 207 kB

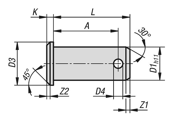
图纸

带有销孔的销 适用于叉头

商品选择/筛选

订货号主体
材料
D1

D3D4AKLZ1Z2CAD配件价格订购
27621-03-004100钢制4611011210,5 根据要求
27621-03-005123钢制581,212,31,51510,5 根据要求
27621-03-006153钢制691,615,31,5181,50,5 根据要求
27621-03-008195钢制812219,522321 根据要求
27621-03-010245钢制10143,224,522921 根据要求
27621-03-012295钢制1217429,53352,51,5 根据要求
27621-03-014325钢制1419432,53402,51,5 根据要求
27621-03-016382钢制1621438,23452,51,5 根据要求
27621-03-020470钢制202654745332 根据要求
27621-03-025590钢制25326,35956742 根据要求
27621-03-028632钢制28346,363,257242 根据要求
27621-03-030590钢制30366,35956742 根据要求
27621-03-030682钢制30366,368,257742 根据要求
27621-03-035765钢制3544876,568752 根据要求
27621-03-040900钢制4048890610052 根据要求
27621-03-042900钢制4248890710052 根据要求
27621-03-0501030钢制505810103711562 根据要求
27621-03-104100不锈钢4611011210,5 根据要求
27621-03-105123不锈钢581,212,31,51510,5 根据要求
27621-03-106153不锈钢691,615,31,5181,50,5 根据要求
27621-03-108195不锈钢812219,522321 根据要求
27621-03-110245不锈钢10143,224,522921 根据要求
27621-03-112295不锈钢1217429,53352,51,5 根据要求
27621-03-114325不锈钢1419432,53402,51,5 根据要求
27621-03-116382不锈钢1621438,23452,51,5 根据要求
27621-03-120470不锈钢202654745332 根据要求
27621-03-125590不锈钢25326,35956742 根据要求
27621-03-130590不锈钢30366,35956742 根据要求
我的 norelemE-Mail密码
购物车
商品数量: 0
总数: 0.00  
点击购物车
欢迎扫描二维码
咨询诺瑞朗官方客服微信
中国
苏ICP备20011289号-1  苏公网安备32058502011222 网页地图 打印 推荐 Top
Copyright © 2025 norelem. 保留所有权利。 电话 +49 71 45/206-44 至 45 · 传真 +49 71 45/206-83