norelem 使用 Cookies 以优化设计和持续改进网页。您通过继续使用网页,同意使用 Cookies。在我们的数据保护声明中可以找到有关 Cookies 主题的详细信息。同意

商品描述/产品说明

产品说明产品描述:使用旋转铰链通常是出于功能或视觉方面的考虑。铰链安装在门和门框的内侧,只有在门打开时才能看到。 材料:规格:门部件为锌压铸件和镀锌钢。
框架部分为压铸锌,未经处理。
镀锌钢销。
夹持元件 烧结金属,带涂层。
门部件、框架部件、销和夹元件均为不锈钢,光亮。
O 型圈黑色。
提示:用于表面安装的门。
铰链不可见。
斜边 23 毫米。
左右均可使用。
开口角度 130°。
螺钉固定门部分。
框架部分的组装无需工具。
销钉具有自锁功能,并已预先组装好。
销钉与连接到框架部分的钢丝弹簧啮合,因此是固定的。
门扇可调节 +/-5 毫米。
可通过向后拉插销来打开。
IP65 符合 DIN EN 60529 标准。

形式 B:只需将门夹到框架部分,安装时无需工具。

产品类型:
- 型号 1:左门,销钉在顶部,右门,销钉在底部
- 型号 2:右门,销钉在顶部,左门,销钉在底部
应用:- 机器和设备制造
- 开关柜和控制柜
- 医疗和实验室技术
- 运输和输送系统
图纸提示:
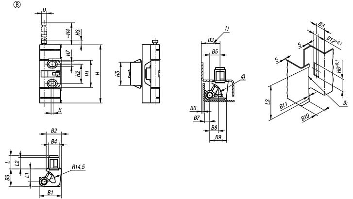
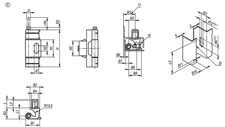
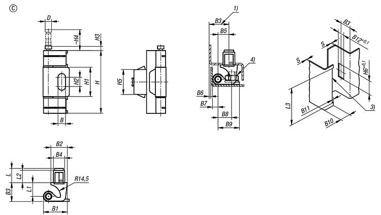
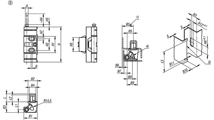
1) 倒角
2) 轴承衬套
3) 门上的凹槽
4) 焊接螺柱(A 型和 C 型 = M8x15,B 型 = M6x12)
特点:
RoHS
下载此处为收集信息的 PDF:

查找 CAD 数据?请直接在产品列表中查找。
 Datasheet 27878-04 锌压铸件、钢或不锈钢旋转铰链,23 毫米斜边 453 kB

图片(总概述)

锌压铸件、钢或不锈钢旋转铰链,23 毫米斜边
锌压铸件、钢或不锈钢旋转铰链,23 毫米斜边
锌压铸件、钢或不锈钢旋转铰链,23 毫米斜边
锌压铸件、钢或不锈钢旋转铰链,23 毫米斜边

锌压铸件、钢或不锈钢旋转铰链,23 毫米斜边,A 型

更多信息

图纸

锌压铸件、钢或不锈钢旋转铰链,23 毫米斜边,A 型
锌压铸件、钢或不锈钢旋转铰链,23 毫米斜边,A 型

商品选择/筛选

订货号类型产品类型S=夹紧范围 (mm)销钉材料主体
材料
BB1B2B3CAD配件价格订购
27878-04-0111217A方式 11,2 - 1,7钢制钢制9292023 根据要求
27878-04-0111722A方式 11,7 - 2,2钢制钢制9292023 根据要求
27878-04-0112227A方式 12,2 - 2,7钢制钢制9292023 根据要求
27878-04-0112732A方式 12,7 - 3,2钢制钢制9292023 根据要求
27878-04-0113035A方式 13 - 3,5钢制钢制9292023 根据要求
27878-04-0121217A方式 21,2 - 1,7钢制钢制9292023 根据要求
27878-04-0121722A方式 21,7 - 2,2钢制钢制9292023 根据要求
27878-04-0122227A方式 22,2 - 2,7钢制钢制9292023 根据要求
27878-04-0122732A方式 22,7 - 3,2钢制钢制9292023 根据要求
27878-04-0123035A方式 23 - 3,5钢制钢制9292023 根据要求
订货号B4B5B6B7B8B9B10B11B12D

HH1H2H3H4H5H6LL1L2L3CAD配件价格订购
27878-04-011121713,9512,751,96,3162522,53146,575351156529,93017,416,751577 根据要求
27878-04-011172213,9512,751,96,3162522,53146,575351156529,93017,416,751577 根据要求
27878-04-011222713,9512,751,96,3162522,53146,575351156529,93017,416,751577 根据要求
27878-04-011273213,9512,751,96,3162522,53146,575351156529,93017,416,751577 根据要求
27878-04-011303513,9512,751,96,3162522,53146,575351156529,93017,416,751577 根据要求
27878-04-012121713,9512,751,96,3162522,53146,575351156529,93017,416,751577 根据要求
27878-04-012172213,9512,751,96,3162522,53146,575351156529,93017,416,751577 根据要求
27878-04-012222713,9512,751,96,3162522,53146,575351156529,93017,416,751577 根据要求
27878-04-012273213,9512,751,96,3162522,53146,575351156529,93017,416,751577 根据要求
27878-04-012303513,9512,751,96,3162522,53146,575351156529,93017,416,751577 根据要求

锌压铸件、钢或不锈钢旋转铰链,23 毫米斜边,B 型

更多信息

图纸

锌压铸件、钢或不锈钢旋转铰链,23 毫米斜边,B 型
锌压铸件、钢或不锈钢旋转铰链,23 毫米斜边,B 型

商品选择/筛选

订货号类型产品类型销钉材料S=夹紧范围 (mm)主体
材料
BB1B2B3CAD配件价格订购
27878-04-3211217B方式 1钢制1,2 - 1,7锌制3292023 根据要求
27878-04-3211722B方式 1钢制1,7 - 2,2锌制3292023 根据要求
27878-04-3212227B方式 1钢制2,2 - 2,7锌制3292023 根据要求
27878-04-3212732B方式 1钢制2,7 - 3,2锌制3292023 根据要求
27878-04-3213035B方式 1钢制3 - 3,5锌制3292023 根据要求
27878-04-3221217B方式 2钢制1,2 - 1,7锌制3292023 根据要求
27878-04-3221722B方式 2钢制1,7 - 2,2锌制3292023 根据要求
27878-04-3222227B方式 2钢制2,2 - 2,7锌制3292023 根据要求
27878-04-3222732B方式 2钢制2,7 - 3,2锌制3292023 根据要求
27878-04-3223035B方式 2钢制3 - 3,5锌制3292023 根据要求
订货号B4B5B6B7B8B9B10B11B12D

HH1H2H3H4H5H6H7LL1L2L3CAD配件价格订购
27878-04-321121713,9512,751,96,310,72722,53146,575352556529,9306,217,416,751577 根据要求
27878-04-321172213,9512,751,96,310,72722,53146,575352556529,9306,217,416,751577 根据要求
27878-04-321222713,9512,751,96,310,72722,53146,575352556529,9306,217,416,751577 根据要求
27878-04-321273213,9512,751,96,310,72722,53146,575352556529,9306,217,416,751577 根据要求
27878-04-321303513,9512,751,96,310,72722,53146,575352556529,9306,217,416,751577 根据要求
27878-04-322121713,9512,751,96,310,72722,53146,575352556529,9306,217,416,751577 根据要求
27878-04-322172213,9512,751,96,310,72722,53146,575352556529,9306,217,416,751577 根据要求
27878-04-322222713,9512,751,96,310,72722,53146,575352556529,9306,217,416,751577 根据要求
27878-04-322273213,9512,751,96,310,72722,53146,575352556529,9306,217,416,751577 根据要求
27878-04-322303513,9512,751,96,310,72722,53146,575352556529,9306,217,416,751577 根据要求

锌压铸件、钢或不锈钢旋转铰链,23 毫米斜边,C 型

更多信息

图纸

锌压铸件、钢或不锈钢旋转铰链,23 毫米斜边,C 型
锌压铸件、钢或不锈钢旋转铰链,23 毫米斜边,C 型

商品选择/筛选

订货号类型产品类型S=夹紧范围 (mm)销钉材料主体
材料
BB1B2B3CAD配件价格订购
27878-04-2311217C方式 11,2 - 1,7不锈钢 1.4305不锈钢 A49292023 根据要求
27878-04-2311722C方式 11,7 - 2,2不锈钢 1.4305不锈钢 A49292023 根据要求
27878-04-2312227C方式 12,2 - 2,7不锈钢 1.4305不锈钢 A49292023 根据要求
27878-04-2312732C方式 12,7 - 3,2不锈钢 1.4305不锈钢 A49292023 根据要求
27878-04-2321217C方式 21,2 - 1,7不锈钢 1.4305不锈钢 A49292023 根据要求
27878-04-2321722C方式 21,7 - 2,2不锈钢 1.4305不锈钢 A49292023 根据要求
27878-04-2322227C方式 22,2 - 2,7不锈钢 1.4305不锈钢 A49292023 根据要求
27878-04-2322732C方式 22,7 - 3,2不锈钢 1.4305不锈钢 A49292023 根据要求
订货号B4B5B6B7B8B9B10B11B12D

HH1H2H3H4H5H6LL1L2L3CAD配件价格订购
27878-04-231121713,9512,751,96,315,752522,53146,575351156529,93017,416,751577 根据要求
27878-04-231172213,9512,751,96,315,752522,53146,575351156529,93017,416,751577 根据要求
27878-04-231222713,9512,751,96,315,752522,53146,575351156529,93017,416,751577 根据要求
27878-04-231273213,9512,751,96,315,752522,53146,575351156529,93017,416,751577 根据要求
27878-04-232121713,9512,751,96,315,752522,53146,575351156529,93017,416,751577 根据要求
27878-04-232172213,9512,751,96,315,752522,53146,575351156529,93017,416,751577 根据要求
27878-04-232222713,9512,751,96,315,752522,53146,575351156529,93017,416,751577 根据要求
27878-04-232273213,9512,751,96,315,752522,53146,575351156529,93017,416,751577 根据要求
我的 norelemE-Mail密码
购物车
商品数量: 0
总数: 0.00  
点击购物车
欢迎扫描二维码
咨询诺瑞朗官方客服微信
中国
苏ICP备20011289号-1  苏公网安备32058502011222 网页地图 打印 推荐 Top
Copyright © 2025 norelem. 保留所有权利。 电话 +49 71 45/206-44 至 45 · 传真 +49 71 45/206-83