norelem 使用 Cookies 以优化设计和持续改进网页。您通过继续使用网页,同意使用 Cookies。在我们的数据保护声明中可以找到有关 Cookies 主题的详细信息。同意

商品描述/产品说明

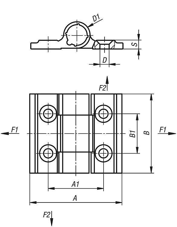
产品说明材料:铝材 6060 T5。
挡塞 PA 6.6。
规格:黑色阳极氧化。
无色阳极氧化。
提示:铰链装配钢制的集成夹紧弹簧。可以自动打开或关闭门和翻板。
由于尺寸和外观相同,自由摆动铰链可与带弹簧的铰链进行组合。
此处开口角度为 270°。
带集成弹簧的铰链的开口角度为 180°。

打开时的弹簧扭矩:
M(0°):0.23 Nm / M(90°):0.15 Nm / M(180°):0.08 Nm
关闭时的弹簧扭矩:
M(0°):0.08 Nm / M(90°):0.15 Nm / M(180°):0.23 Nm

使用符合 DIN 7991 标准的沉头螺栓进行固定。

铰链所给出的载荷值是非约束性的指导值,不考虑安全因素,也不承担任何责任。所给数值仅供参考,不代表具有法律约束力的财产保证。
载荷值应在实验室条件下确定。每个用户必须单独确定铰链是否适合相应的应用。
铰链连接的各种材料、连接类型、天气条件以及磨损程度都会影响要确定的数值。
温度范围:从 -20 °C 至 +80 °C
下载此处为收集信息的 PDF:

查找 CAD 数据?请直接在产品列表中查找。
 Datasheet 27905 弹簧铰链 铝制型材张紧弹簧铰链,0.20 Nm 218 kB
 弹簧铰链使用说明 136 kB

图片(总概述)

弹簧铰链 铝制型材张紧弹簧铰链,0.20 Nm

弹簧铰链 铝制型材张紧弹簧铰链,0.20 Nm, 弹簧铰链

更多信息

图纸

弹簧铰链 铝制型材张紧弹簧铰链,0.20 Nm, 弹簧铰链

商品选择/筛选

订货号主体
颜色
主体
表面
AA1BB1D

D1SF1
N
F2
N
CAD配件价格订购
27905-353001黑色阳极氧化352130153,5103,312101310 根据要求
27905-35300无色阳极氧化352130153,5103,512101310 根据要求

弹簧铰链 铝制型材张紧弹簧铰链,0.20 Nm, 弹簧铰链

更多信息

图纸

弹簧铰链 铝制型材张紧弹簧铰链,0.20 Nm, 弹簧铰链

商品选择/筛选

订货号主体
颜色
主体
表面
AA1BB1D

D1SF1
N
F2
N
CAD配件价格订购
27905-353011黑色阳极氧化352130153,5103,312101310 根据要求
27905-35301无色阳极氧化352130153,5103,512101310 根据要求

弹簧铰链,铝合金型材夹紧弹簧铰链 0.20 Nm,无弹簧

更多信息

图纸

弹簧铰链,铝合金型材夹紧弹簧铰链 0.20 Nm,无弹簧

商品选择/筛选

订货号主体
颜色
主体
表面
A

A1BB1D

D1F1
N
F2
N
S产品类型固定方式CAD配件价格订购
27905-35302无色阳极氧化352130153,510121013103,3铰链固定孔 根据要求
27905-353021黑色阳极氧化352130153,510121013103,3铰链固定孔 根据要求
我的 norelemE-Mail密码
购物车
商品数量: 0
总数: 0.00  
点击购物车
欢迎扫描二维码
咨询诺瑞朗官方客服微信
中国
苏ICP备20011289号-1  苏公网安备32058502011222 网页地图 打印 推荐 Top
Copyright © 2025 norelem. 保留所有权利。 电话 +49 71 45/206-44 至 45 · 传真 +49 71 45/206-83