norelem uses cookies to optimally design and continually improve the website. By continuing to use this website, you agree to the use of cookies. You can find more information about cookies in our Data protection declaration.okay
Swivel and fixed castors steel plate, with soft rubber tyres
95026

Swivel and fixed castors steel plate, with soft rubber tyres

go back

Item description/product images

Show/filter all items
DescriptionMaterial:Housing sheet steel,
Wheels high quality elastic solid rubber.
Wheel rim high-quality unbreakable polyamide (wheel Ø 100 and 125 mm) or die-cast aluminium (wheel Ø from 150 mm).
Version:Housing, press-formed.
Swivel housing, double-row ball bearings in a swivel head.
Ball bearing wheel axle bearings.
Note:Wheel axle bolted.
Swivel and fixed castors with mounting plate.
Application:Maximum travel comfort, excellent cushioning of the transported goods. The new soft rubber series brings noticeable noise reduction in all applications.Temperature range:-25 °C to +80 °C.
DownloadHere is all the information as a PDF datasheet:

Are you looking for CAD data? These can be found directly in the product table.
 Datasheet 95026 Swivel and fixed castors steel plate, with soft rubber tyres 368 kB

Drawings (total overview)

Swivel and fixed castors steel plate, with soft rubber tyres
Swivel and fixed castors steel plate, with soft rubber tyres

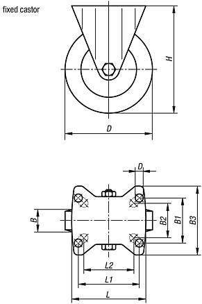
Steel plate fixed castors with soft rubber tyres

More information

Drawings

Steel plate fixed castors with soft rubber tyres

Item selection/filter

Order No.ItemWheel
bearing
BB1B2B3D

D1HLL1L2Permissible
load
kg
CADAcc.PriceOrder
95026-101000401Fixed castorBall bearing4060558510091251008076150 on request
95026-101250401Fixed castorBall bearing4060558512591501008076150 on request
95026-101500401Fixed castorBall bearing40807511015011190140105-280 on request
95026-101600501Fixed castorBall bearing50807511016011195140105-300 on request
95026-102000501Fixed castorBall bearing50807511020011235140105-300 on request

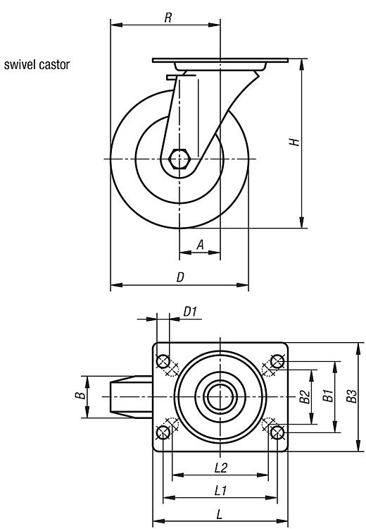
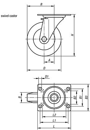
Steel plate swivel castors with soft rubber tyres

More information

Drawings

Steel plate swivel castors with soft rubber tyres
Steel plate swivel castors with soft rubber tyres

Item selection/filter

Order No.ItemWheel
bearing
ABB1B2B3D

D1HLL1L2RPermissible
load
kg
CADAcc.PriceOrder
95026-10100040Swivel castorBall bearing36406055851009125100807686150 on request
95026-10125040Swivel castorBall bearing404060558512591501008076102,5150 on request
95026-10150040Swivel castorBall bearing5440807511015011190140105-129280 on request
95026-10160050Swivel castorBall bearing5450807511016011195140105-134300 on request
95026-10200050Swivel castorBall bearing5450807511020011235140105-154300 on request

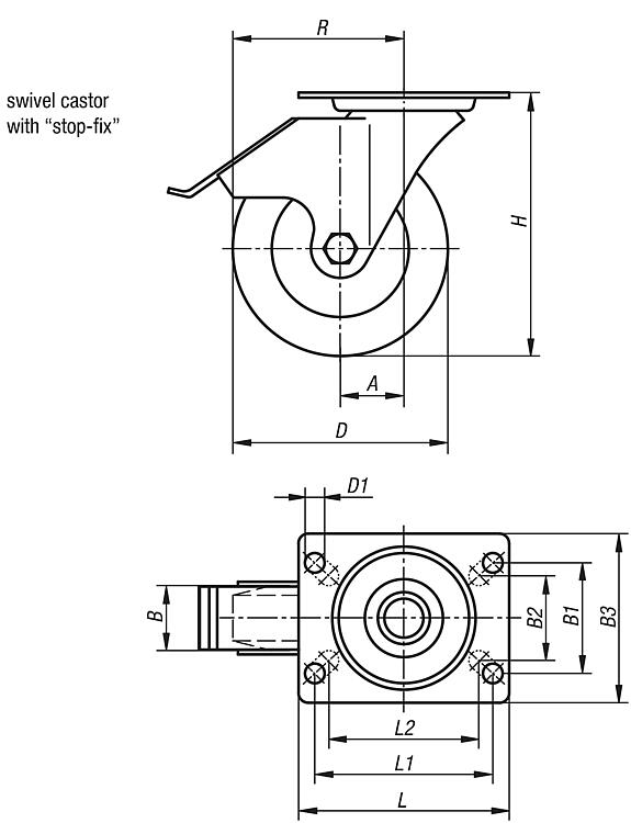
Steel plate swivel castors with stop-fix and soft rubber tyres

More information

Drawings

Steel plate swivel castors with stop-fix and soft rubber tyres
Steel plate swivel castors with stop-fix and soft rubber tyres

Item selection/filter

Order No.ItemWheel
bearing
ABB1B2B3D

D1HLL1L2RPermissible
load
kg
CADAcc.PriceOrder
95026-101000402Swivel castorBall bearing36406055851009125100807686150 on request
95026-101250402Swivel castorBall bearing404060558512591501008076102,5150 on request
95026-101500402Swivel castorBall bearing5450807511015011190140105-129280 on request
95026-101600502Swivel castorBall bearing5450807511016011195140105-134300 on request
95026-102000502Swivel castorBall bearing5450807511020011235140105-154300 on request
My norelemE-mailPassword
Shopping cart
Number of items: 0
Amount: 0.00  
shopping cart
欢迎扫描二维码
咨询诺瑞朗官方客服微信
China
苏ICP备20011289号-1  苏公网安备32058502011222 Sitemap Print Recommended Top
Copyright © 2025 norelem. All rights reserved. Tel. +49 71 45/206-44 to 45 · Fax +49 71 45/206-83