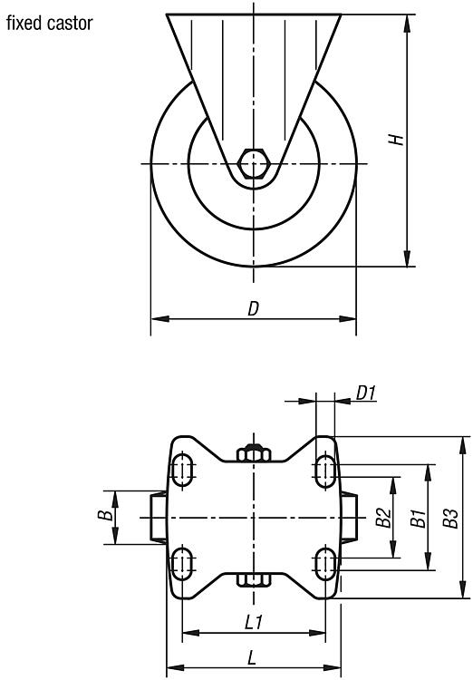
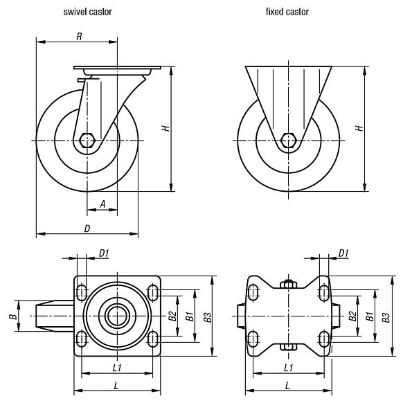
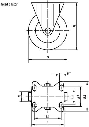
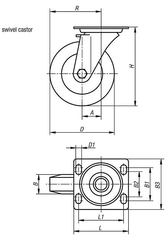
| 95030-125502 | Swivel castor | with stop-top locking system | Ball bearing | 55 | 50 | 80 | 75 | 110 | 125 | 11 | 170 | 140 | 105 | 117,5 | 500 |  | | on request | |
| 95030-160502 | Swivel castor | with stop-top locking system | Ball bearing | 65 | 50 | 80 | 75 | 110 | 160 | 11 | 202 | 140 | 105 | 145 | 700 |  | | on request | |
| 95030-200502 | Swivel castor | with stop-top locking system | Ball bearing | 70 | 50 | 80 | 75 | 110 | 200 | 11 | 245 | 140 | 105 | 170 | 900 |  | | on request | |