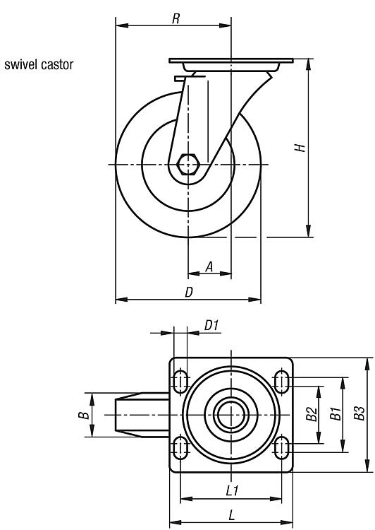
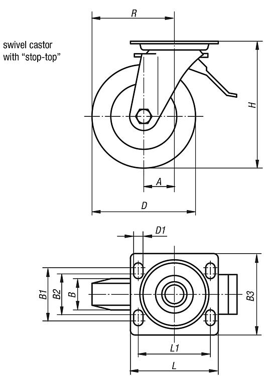
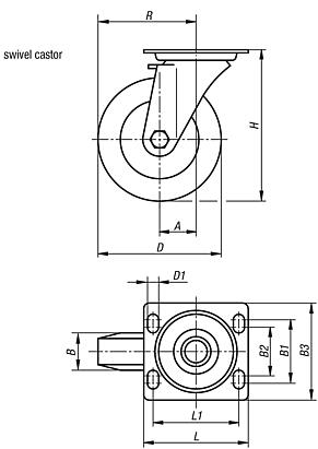
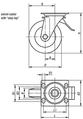
| 95032-160502 | Swivel castor | with stop-top locking system | Ball bearing | 55 | 50 | 80 | 75 | 110 | 160 | 11 | 205 | 140 | 105 | 135 | 700 |  | | on request | |
| 95032-200502 | Swivel castor | with stop-top locking system | Ball bearing | 60 | 50 | 80 | 75 | 110 | 200 | 11 | 245 | 140 | 105 | 160 | 1000 |  | | on request | |
| 95032-250602 | Swivel castor | with stop-top locking system | Ball bearing | 75 | 60 | 105 | - | 140 | 250 | 14 | 305 | 175 | 140 | 200 | 1350 |  | | on request | |