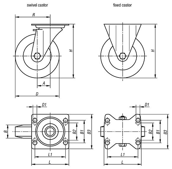
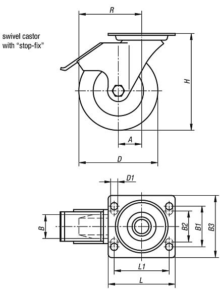
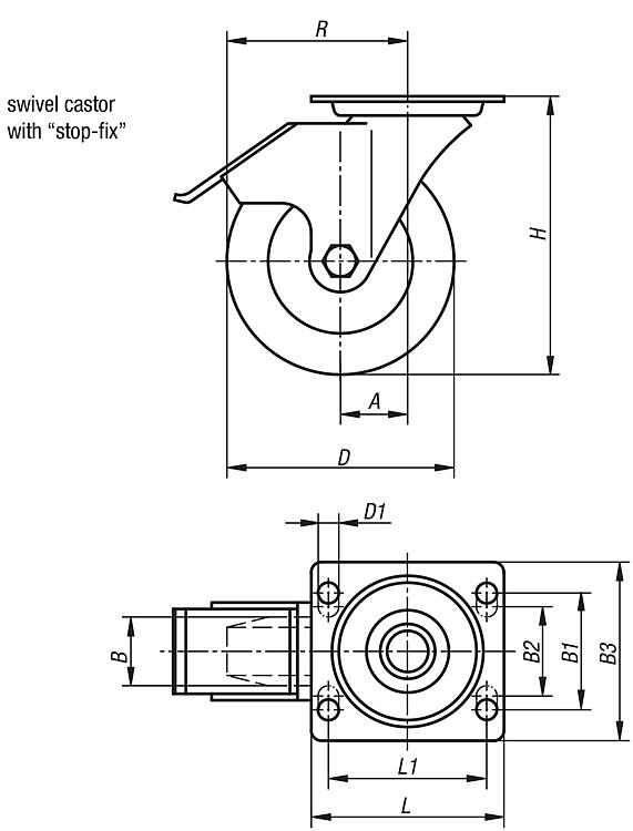
| 95034-075322 | Swivel castor | with stop-fix locking system | Plain bearing | 35 | 32 | 60 | - | 85 | 75 | 9 | 98 | 100 | 80 | 72,5 | 200 |  | | on request | |
| 95034-100372 | Swivel castor | with stop-fix locking system | Plain bearing | 35 | 37 | 60 | - | 85 | 100 | 9 | 125 | 100 | 80 | 85 | 200 |  | | on request | |
| 95034-125402 | Swivel castor | with stop-fix locking system | Plain bearing | 40 | 40 | 60 | - | 85 | 125 | 9 | 150 | 100 | 80 | 102,5 | 200 |  | | on request | |
| 95034-150502 | Swivel castor | with stop-fix locking system | Plain bearing | 60 | 50 | 80 | 75 | 110 | 150 | 11 | 190 | 140 | 105 | 135 | 400 |  | | on request | |