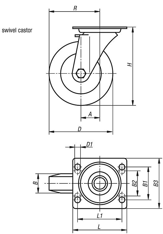
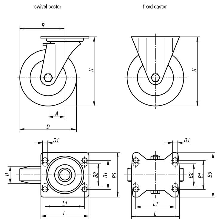
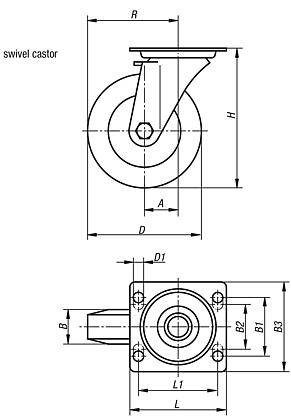
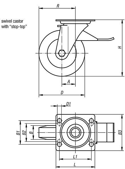
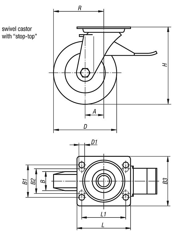
| 95036-100372 | Swivel castor | with stop-top locking system | Plain bearing | 45 | 37 | 60 | - | 85 | 100 | 9 | 140 | 100 | 80 | 95 | 280 |  | | on request | |
| 95036-125402 | Swivel castor | with stop-top locking system | Plain bearing | 45 | 40 | 60 | - | 85 | 125 | 9 | 165 | 100 | 80 | 107,5 | 300 |  | | on request | |
| 95036-150502 | Swivel castor | with stop-top locking system | Plain bearing | 65 | 50 | 80 | 75 | 110 | 150 | 11 | 197 | 140 | 105 | 140 | 400 |  | | on request | |
| 95036-200502 | Swivel castor | with stop-top locking system | Plain bearing | 70 | 50 | 80 | 75 | 110 | 200 | 11 | 245 | 140 | 105 | 170 | 600 |  | | on request | |