norelem uses cookies to optimally design and continually improve the website. By continuing to use this website, you agree to the use of cookies. You can find more information about cookies in our Data protection declaration.okay
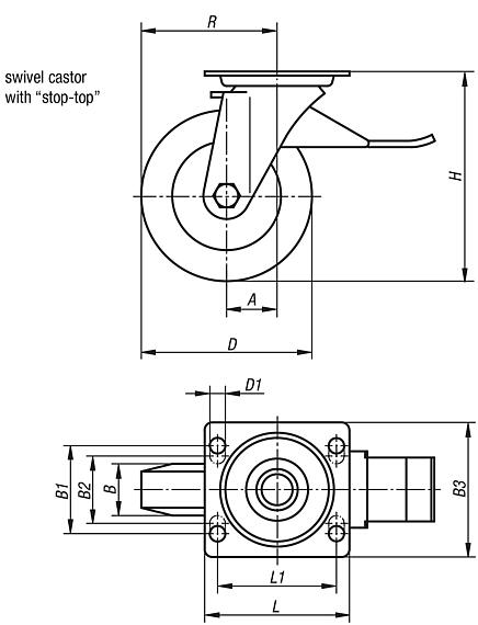
Steel plate swivel and fixed castors with polyamide wheels, heavy duty version, plain and ball bearings
95040

Steel plate swivel and fixed castors with polyamide wheels,...

go back

Item description/product images

Show/filter all items
DescriptionMaterial:Housing thick steel plate.
Wheels high-quality PA 6.
Version:Housing press formed.
Swivel castor housing with strong fork and base plate, very robust centre pin bolted and secured. The swivel head is additionally reinforced with specially formed and hardened bearing shells.
Note:The hardened bearing shells make these castors particularly shock and impact proof. The wheels have high abrasion resistance. Wheel axle bolted.
DownloadHere is all the information as a PDF datasheet:

Are you looking for CAD data? These can be found directly in the product table.
 Datasheet 95040 Swivel and fixed castors heavy-duty version 427 kB

Drawings (total overview)

Steel plate swivel and fixed castors with polyamide wheels, heavy duty version, plain and ball bearings
Steel plate swivel and fixed castors with polyamide wheels, heavy duty version, plain and ball bearings

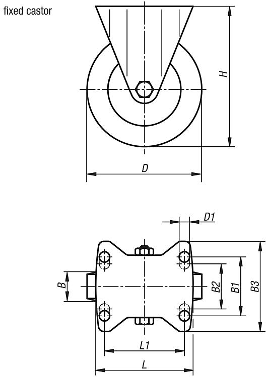
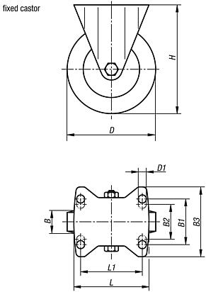
Steel plate fixed castors with polyamide wheels, heavy duty version, plain and ball bearings

More information

Drawings

Steel plate fixed castors with polyamide wheels, heavy duty version, plain and ball bearings

Item selection/filter

Order No.ItemVersion 1Wheel
bearing
BB1B2B3DD1LL1HPermissible
load
kg
CADAcc.PriceOrder
95040-075321Fixed castorwithout locking systemPlain bearing3260-8575910080118300 on request
95040-075324Fixed castorwithout locking systemBall bearing3260-8575910080118300 on request
95040-100371Fixed castorwithout locking systemPlain bearing3760-85100910080140500 on request
95040-100374Fixed castorwithout locking systemBall bearing3760-85100910080140500 on request
95040-125401Fixed castorwithout locking systemPlain bearing4060-85125910080165700 on request
95040-125404Fixed castorwithout locking systemBall bearing4060-85125910080165700 on request
95040-150501Fixed castorwithout locking systemPlain bearing50807511015011140105197800 on request
95040-150504Fixed castorwithout locking systemBall bearing50807511015011140105197800 on request

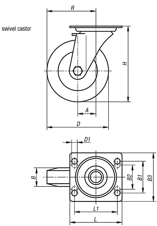
Steel plate swivel castors with polyamide wheels, heavy duty version, plain and ball bearings

More information

Drawings

Steel plate swivel castors with polyamide wheels, heavy duty version, plain and ball bearings
Steel plate swivel castors with polyamide wheels, heavy duty version, plain and ball bearings

Item selection/filter

Order No.ItemVersion 1Wheel
bearing
ABB1B2B3DD1HLL1RPermissible
load
kg
CADAcc.PriceOrder
95040-07532Swivel castorwithout locking systemPlain bearing453260-857591181008082,5300 on request
95040-075323Swivel castorwithout locking systemBall bearing453260-857591181008082,5300 on request
95040-10037Swivel castorwithout locking systemPlain bearing453760-8510091401008095500 on request
95040-100373Swivel castorwithout locking systemBall bearing453760-8510091401008095500 on request
95040-12540Swivel castorwithout locking systemPlain bearing454060-85125916510080107,5700 on request
95040-125403Swivel castorwithout locking systemBall bearing454060-85125916510080107,5700 on request
95040-15050Swivel castorwithout locking systemPlain bearing6550807511015011197140105140800 on request
95040-150503Swivel castorwithout locking systemBall bearing6550807511015011197140105140800 on request

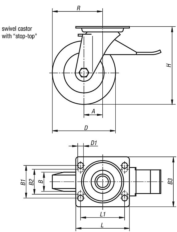
Steel plate swivel castors with stop-top, polyamide wheels, heavy duty version, plain and ball bearings

More information

Drawings

Steel plate swivel castors with stop-top, polyamide wheels, heavy duty version, plain and ball bearings
Steel plate swivel castors with stop-top, polyamide wheels, heavy duty version, plain and ball bearings

Item selection/filter

Order No.ItemVersion 1Wheel
bearing
ABB1B2B3DD1HLL1RPermissible
load
kg
CADAcc.PriceOrder
95040-075322Swivel castorwith stop-top locking systemPlain bearing453260-857591181008082,5300 on request
95040-075325Swivel castorwith stop-top locking systemBall bearing453260-857591181008082,5300 on request
95040-100372Swivel castorwith stop-top locking systemPlain bearing453760-8510091401008095500 on request
95040-100375Swivel castorwith stop-top locking systemBall bearing453760-8510091401008095500 on request
95040-125402Swivel castorwith stop-top locking systemPlain bearing454060-85125916510080107,5700 on request
95040-125405Swivel castorwith stop-top locking systemBall bearing454060-85125916510080107,5700 on request
95040-150502Swivel castorwith stop-top locking systemPlain bearing6550807511015011197140105140800 on request
95040-150505Swivel castorwith stop-top locking systemBall bearing6550807511015011197140105140800 on request
My norelemE-mailPassword
Shopping cart
Number of items: 0
Amount: 0.00  
shopping cart
欢迎扫描二维码
咨询诺瑞朗官方客服微信
China
苏ICP备20011289号-1  苏公网安备32058502011222 Sitemap Print Recommended Top
Copyright © 2025 norelem. All rights reserved. Tel. +49 71 45/206-44 to 45 · Fax +49 71 45/206-83