|
|
|
95092Elevating castors with integrated machine foot |
go back |
|
Item description/product images |
|
|
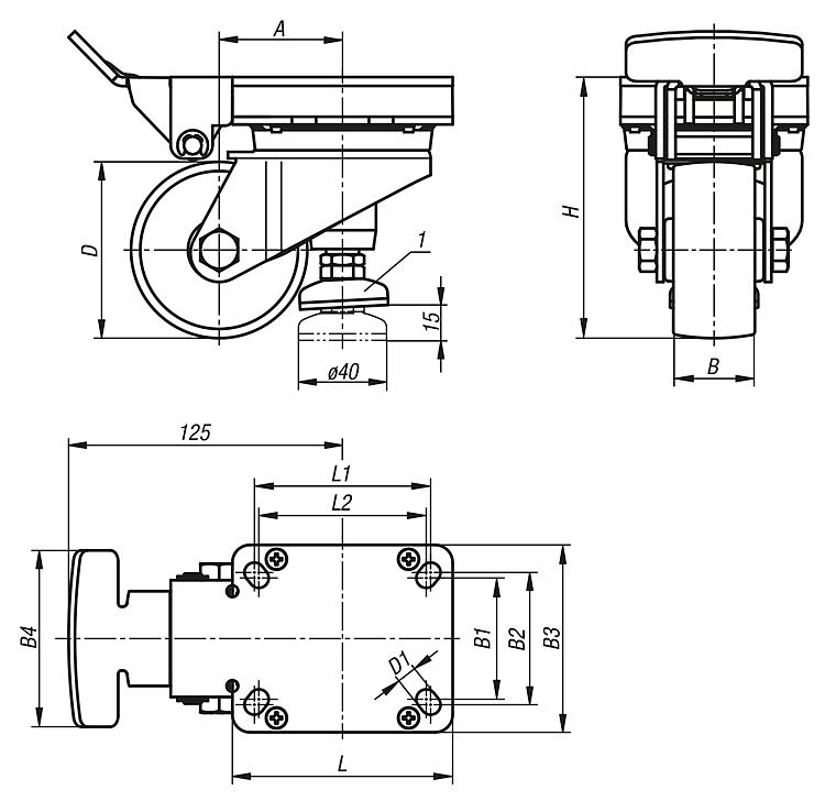
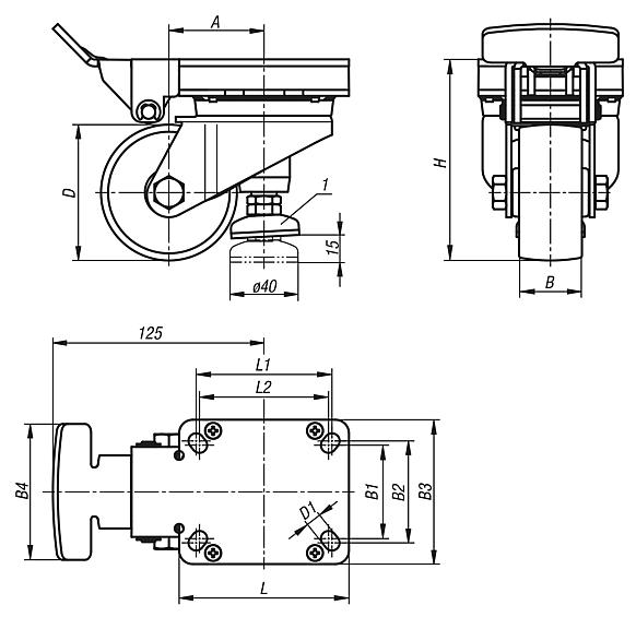
DescriptionMaterial:Housing steel plate. Roller break resistant polyamide 6, Shore 70D. Machine foot steel.Version:Housing trivalent blue passivated. Roller white. Machine foot electro zinc-plated with grey rubber pads.Note:Elevating castor swivel version with integrated levelling machine foot. With sealed ball bearing in the swivel head. Wheel axle bolted. The ergonomic form of the non-swivelling actuating lever enables ease of operation. The short actuation travel with simultaneous long plunger stroke and very high lifting force enables heavy weights to be easily raised and safely fixated.Drawing reference:Special features: DownloadHere is all the information as a PDF datasheet:
Are you looking for CAD data? These can be found directly in the product table.
|
| Order No. | Version 1 | Wheel bearing | D | A | B | B1 | B2 | B3 | B4 | D1 | H | L | L1 | L2 | Permissible load kg | CAD | Acc. | Price | Order |
|---|
| 95092-08037 | with locking system | Plain bearing | 80 | 56 | 37 | 55 | 60 | 80 | 85 | 9 | 120 | 100 | 80 | 76 | 230 |  | | on request | | | 95092-10037 | with locking system | Plain bearing | 100 | 65 | 37 | 55 | 60 | 80 | 85 | 9 | 142 | 100 | 80 | 76 | 230 |  | | on request | |
Other items in this category |
|
|