norelem 使用 Cookies 以优化设计和持续改进网页。您通过继续使用网页,同意使用 Cookies。在我们的
数据保护声明
中可以找到有关 Cookies 主题的详细信息。
同意
全球分布
创意
AGB
版权说明
数据保护
产品
企业信息
服务
下载
新闻
联系方式
产品概览
固定
灵活的标准件系统
装配
装配系统
运动
用于机床和设备制造的系统/组件
检查
量具检具组件
夹紧
夹紧技术
控制和调节
电动机构
输送
输送和移动技术
technoshop
norelem inch
英制产品目录
42780
UNILOCK 夹紧模块 ERGO 138
返回
产品
产品概览
夹紧技术
零点定位夹紧技术
零点夹持系统
UNILOCK 夹紧模块 ERGO 138
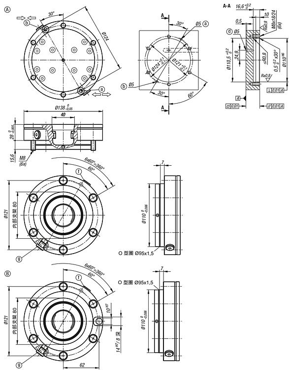
商品描述/产品说明
产品说明
材料:
调制钢。
规格:
工作面经硬化和打磨处理。
提示:
UNILOCK 夹持模块可以安装在机床工作台上,安装在带或不带凸起的工装(平板,立方体,塔形结构)的所有位置上。可以单独或共同进行夹持模块的气动控制。
这样,可以单独制造一个零点夹持系统。
通过模块化的结构,夹持模块的数量和距离可完美地与夹紧任务相匹配。准备时间大大减少,从而延长了机床的运行时间。
由于扁平式夹持滑块的紧凑设计,实现了夹持模块极低的安装高度。
内置的弹簧组实现了高夹持力(在无压力状态下张紧)。
通过气动压力松开。
即使压缩空气供应出现压力下降或波动的情况,也丝毫不影响牵引力。
所有夹持模块都标配涡轮增压功能。"Turbo" 空气接头处的短空气脉冲再次显著增加了弹簧实现的正常牵引力。因此,夹持模块也可以很好地用于重型加工。
建议使用涡轮增压功能以获得最大的牵引力。
UNILOCK 夹紧销与固定螺钉 M10、M12、M16 配合使用时可能产生以下保持力:
- 保持力 (M10) 35,000 N
- 保持力 (M12) 50,000 N
- 保持力 (M16) 75,000 N
圆柱头螺钉 DIN EN ISO 4762 -12.9 的保持力。
夹紧销只能在夹持模块中与已安装的可互换单元一起夹紧。
所有夹持模块的夹紧销尺寸一致,并与 5 轴模块夹紧系统 80 兼容,保证了应用组合的多样性。
ERGO 夹持模块可以选择带或不带防扭转装置。
技术参数:
- 涡轮增压时的牵引力为 18 kN。
- 系统压力:6 bar,润油空气。
- 重复精度 ≤0.005 mm。
- 温度范围 5 °C 至 60 °C。
- 可选清洁空气接头。
优点:
- 由于采用扁平滑块,设计紧凑、扁平。
- 涡轮增压功能是标准配置。
- 重复精度 ≤0.005毫米。
- 通过法兰盘进行定位。
- 高牵引力。
- 优化了安装时间。
说明:
推荐的软管内径:
- 四个以下夹持模块时,软管内径 6 mm。
- 五个以上夹持模块时,软管内径 8 mm
工作原理:
夹持模块可以通过接头连接到底板,也可以直接通过夹持模块的螺纹接头进行连接。
为了保证夹紧滑块的功能,必须通过 "Turbo" 空气接口对上活塞腔进行排气。
可以通过以下四种方式中的一种完成:
1) 连接并使用底板上“打开”接头旁的涡轮增压功能。这样,需要时还能通过短空气脉冲再次张紧夹紧模块。(推荐)
2) 在与涡轮增压接头相连的底板上开一个孔,让空气排出。防止灰尘进入孔内时,不能使用有锁定功能的接头,应插入排气螺栓。
3) 第三种方法,通过一个孔为活塞腔排气,该孔位于底板下方,通过横向槽进行连接。 该孔必须匹配涡轮增压机的接头,确保能够排气。
4) 横向控制夹紧模块时,也必须在此处插入一个排气螺栓。
供货范围
1x 夹紧模块。
1x O 形环 Ø95x1,5.
2x O 形环 Ø8x2 用于介质供应。
6x 固定螺栓。
6x 固定螺栓的盖板。
图纸提示:
a) 底部无软管连接(开放)
O 型环 Ø8x2
b) 底部无软管连接(涡轮增压)
O 型环 Ø8x2
c) 定心轮圈
d) 排气
f) 横向连接 G 1/8(开放驱动)
g) 横向连接 G 1/8(涡轮增压)
夹紧模块的连接处外径上标有箭头符号。
特点:
下载
此处为收集信息的 PDF:
查找 CAD 数据?请直接在产品列表中查找。
Datasheet 42780 UNILOCK 夹紧模块 ERGO 138
424 kB
图纸
商品选择/筛选
订货号
类型
形状类型
P=工作压力
bar
牵引力
带涡轮增压器
kN
重量
kg
CAD
配件
价格
订购
42780-138280
A
无扭转止动器
6
18
3.57
根据要求
42780-138281
B
带防扭转保护
6
18
3.43
根据要求
本类目的其他商品
<<
|
<
|
1-10
|
11-20
|
21-29
|
>
|
>>
42208
UNILOCK 5 轴夹紧销,系统尺寸 80 mm
42208-05
UNILOCK 补偿夹紧销 系统尺寸 80 mm
42208-10
UNILOCK 燕尾夹紧销 系统尺寸 80 mm
42209
UNILOCK 夹紧销
带通孔,系统尺寸 80 mm
42209-10
UNILOCK 减速适配器系统尺寸 138 mm
42751-20
UNILOCK 夹持器
用于 UNILOCK 夹持站
42755
零点夹持系统 UNILOCK 更换板
42756
UNILOCK 单工位夹持站
42756
UNILOCK 双工位夹持站
42756
UNILOCK 4 工位夹持站
<<
|
<
|
1-10
|
11-20
|
21-29
|
>
|
>>
我的 norelem
E-Mail
密码
忘记密码
首次登陆
购物车
商品数量:
0
总数:
0.00
€
点击购物车
欢迎扫描二维码
咨询诺瑞朗官方客服微信
Algérie
Andorra
Argentina
Australia
België
Bolivia
Bosna i Hercegovina
Brasil
Canada
Česká republika
Chile
中国
Colombia
Costa Rica
Cuba
Danmark
Dem. Peop. Rep. of Korea
Deutschland
Ecuador
Eesti
España
Georgia
香港
Hrvatska
India
Ireland
Ísland
Italia
Jamaica
日本
Latvija
Liechtenstein
Lietuvos
Luxemburg
Magyarország
Malaysia
Malta
México
Nederland
New Zealand
Norge
Österreich
Pakistan
Paraguay
Perú
Polska
Portugal
Principauté de Monaco
台灣
Rep. di San Marino
대한민국
România
Schweiz
Singapore
Slovenija
Slovensko
South Africa
Suomi
Sverige
Türkiye
United Kingdom
United States of America
Uruguay
Venezuela
Việt Nam
Ελλάδα
Κύπρος
Беларусь
България
Република Србија
Россия
Србија и Црна Гора
Україна
ישראל
الامارات العربية المتحدة
السعودية
ايران
مصر
ประเทศไทย
Chinese
English
苏ICP备20011289号-1
苏公网安备32058502011222
网页地图
打印
推荐
Top
Copyright © 2025 norelem. 保留所有权利。
电话 +49 71 45/206-44 至 45 · 传真 +49 71 45/206-83