norelem 使用 Cookies 以优化设计和持续改进网页。您通过继续使用网页,同意使用 Cookies。在我们的数据保护声明中可以找到有关 Cookies 主题的详细信息。同意

商品描述/产品说明

查看/筛选所有商品
产品说明材料:定心法兰调质钢 1.1191 或 1.1192。提示:带孔定心法兰是一种优质部件,可用于工具和模具制造。这种定心法兰有一个精确的凸缘,便于工具或模具的校准和定位。法兰的锥形内孔具有良好的导向性,可确保不同部件之间的安全连接。

带有凸缘的锥形定心法兰是需要精确对准的工具和模具制造应用的最佳选择。该法兰带有一个凸缘,便于校准零件并确保稳定定位。

带凸缘和螺孔的定心法兰可用于工具和模具制造,其中精确对齐、牢固紧固和可靠定位至关重要。其精确功能和螺孔的组合使其在各种制造应用中都能发挥重要作用。
特点:
RoHS
下载此处为收集信息的 PDF:

查找 CAD 数据?请直接在产品列表中查找。
 Datasheet 03152-30 钢制定心法兰 162 kB

图片(总概述)

钢制定心法兰

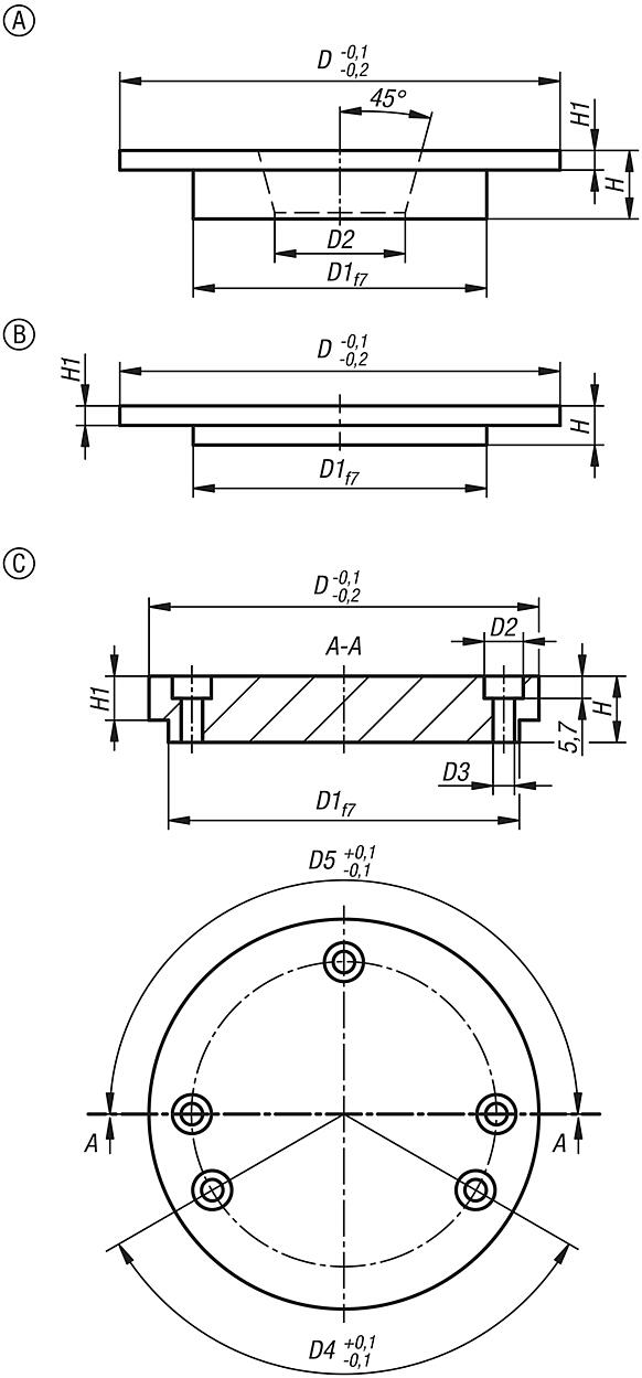
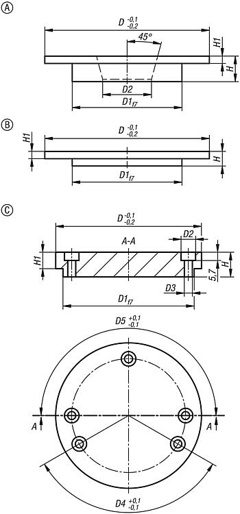
钢制定心法兰,A 型

更多信息

图纸

钢制定心法兰,A 型

商品选择/筛选

订货号类型形状类型金属键D

D1D2HH1CAD配件价格订购
03152-30-006008A带钻孔1.119190603684 根据要求
03152-30-006011A带钻孔1.1191906026114 根据要求
03152-30-006013A带钻孔1.1191906026134 根据要求
03152-30-006014A带钻孔1.1191906026144 根据要求
03152-30-008012A带钻孔1.1191908036128 根据要求
03152-30-008015A带钻孔1.1191908026158 根据要求
03152-30-008017A带钻孔1.1191908026178 根据要求
03152-30-009012A带钻孔1.1191909036128 根据要求
03152-30-009015A带钻孔1.1191909036158 根据要求
03152-30-009017A带钻孔1.1191909036178 根据要求
03152-30-009018A带钻孔1.1191909036188 根据要求
03152-30-009019A带钻孔1.1191909036198 根据要求
03152-30-009021A带钻孔1.1191909036218,5 根据要求
03152-30-010012A带钻孔1.11911009036128 根据要求
03152-30-010015A带钻孔1.11911009036158 根据要求
03152-30-010017A带钻孔1.11911009036178 根据要求
03152-30-010019A带钻孔1.11911009036198 根据要求
03152-30-010021A带钻孔1.11911009036218,5 根据要求
03152-30-011012A带钻孔1.11911109036128 根据要求
03152-30-011015A带钻孔1.11911109036158 根据要求
03152-30-011017A带钻孔1.11911109036178 根据要求
03152-30-011018A带钻孔1.11911109036188 根据要求
03152-30-011019A带钻孔1.11911109036198 根据要求
03152-30-011020A带钻孔1.11911109036208 根据要求
03152-30-011021A带钻孔1.11911109036218,5 根据要求
03152-30-012012A带钻孔1.11911209036128 根据要求
03152-30-012015A带钻孔1.11911209036158 根据要求
03152-30-012017A带钻孔1.11911209036178 根据要求
03152-30-012018A带钻孔1.11911209036188 根据要求
03152-30-012019A带钻孔1.11911209036198 根据要求
03152-30-012020A带钻孔1.11911209036208 根据要求
03152-30-012021A带钻孔1.11911209036218,5 根据要求
03152-30-012512A带钻孔1.11911259036128 根据要求
03152-30-012515A带钻孔1.11911259036158 根据要求
03152-30-012517A带钻孔1.11911259036178 根据要求
03152-30-012518A带钻孔1.11911259036188 根据要求
03152-30-012519A带钻孔1.11911259036198 根据要求
03152-30-012520A带钻孔1.11911259036208 根据要求
03152-30-012521A带钻孔1.11911259036218,5 根据要求
03152-30-013012A带钻孔1.11911309036128 根据要求
03152-30-014012A带钻孔1.11911409036128 根据要求
03152-30-015012A带钻孔1.11911509036128 根据要求
03152-30-016012A带钻孔1.11911609036128 根据要求
03152-30-016015A带钻孔1.11911609036158 根据要求
03152-30-016017A带钻孔1.11911609036178 根据要求
03152-30-016018A带钻孔1.11911609036188 根据要求
03152-30-016019A带钻孔1.11911609036198 根据要求
03152-30-016020A带钻孔1.11911609036208 根据要求
03152-30-016021A带钻孔1.11911609036218,5 根据要求
03152-30-017512A带钻孔1.11911759036128 根据要求
03152-30-017515A带钻孔1.11911759036158 根据要求
03152-30-017517A带钻孔1.11911759036178 根据要求
03152-30-017518A带钻孔1.11911759036188 根据要求
03152-30-017519A带钻孔1.11911759036198 根据要求
03152-30-017520A带钻孔1.11911759036208 根据要求
03152-30-017521A带钻孔1.11911759036218,5 根据要求
03152-30-018012A带钻孔1.11911809036128 根据要求
03152-30-020012A带钻孔1.11912009036128 根据要求
03152-30-025012A带钻孔1.11912509036128 根据要求

钢制定心法兰,B 型

更多信息

图纸

钢制定心法兰,B 型

商品选择/筛选

订货号类型形状类型金属键D

D1HH1CAD配件价格订购
03152-30-106008B带凸缘1.1191906084 根据要求
03152-30-106011B带凸缘1.11919060114 根据要求
03152-30-106013B带凸缘1.11919060134 根据要求
03152-30-106014B带凸缘1.11919060144 根据要求
03152-30-108012B带凸缘1.11919080128 根据要求
03152-30-108015B带凸缘1.11919080158 根据要求
03152-30-108017B带凸缘1.11919080178 根据要求
03152-30-110012B带凸缘1.119110090128 根据要求
03152-30-110015B带凸缘1.119110090158 根据要求
03152-30-110017B带凸缘1.119110090178 根据要求
03152-30-110018B带凸缘1.119110090188 根据要求
03152-30-110019B带凸缘1.119110090198 根据要求
03152-30-110021B带凸缘1.119110090218,5 根据要求
03152-30-111012B带凸缘1.119111090128 根据要求
03152-30-111015B带凸缘1.119111090158 根据要求
03152-30-111017B带凸缘1.119111090178 根据要求
03152-30-111018B带凸缘1.119111090188 根据要求
03152-30-111019B带凸缘1.119111090198 根据要求
03152-30-111020B带凸缘1.119111090208 根据要求
03152-30-111021B带凸缘1.119111090218,5 根据要求
03152-30-112012B带凸缘1.119112090128 根据要求
03152-30-112015B带凸缘1.119112090158 根据要求
03152-30-112017B带凸缘1.119112090178 根据要求
03152-30-112018B带凸缘1.119112090188 根据要求
03152-30-112019B带凸缘1.119112090198 根据要求
03152-30-112020B带凸缘1.119112090208 根据要求
03152-30-112021B带凸缘1.119112090218,5 根据要求
03152-30-112512B带凸缘1.119112590128 根据要求
03152-30-112515B带凸缘1.119112590158 根据要求
03152-30-112517B带凸缘1.119112590178 根据要求
03152-30-112518B带凸缘1.119112590188 根据要求
03152-30-112519B带凸缘1.119112590198 根据要求
03152-30-112520B带凸缘1.119112590208 根据要求
03152-30-112521B带凸缘1.119112590218,5 根据要求
03152-30-114012B带凸缘1.119114090128 根据要求
03152-30-115012B带凸缘1.119115090128 根据要求
03152-30-116012B带凸缘1.119116090128 根据要求
03152-30-116015B带凸缘1.119116090158 根据要求
03152-30-116017B带凸缘1.119116090178 根据要求
03152-30-116018B带凸缘1.119116090188 根据要求
03152-30-116019B带凸缘1.119116090198 根据要求
03152-30-116020B带凸缘1.119116090208 根据要求
03152-30-116021B带凸缘1.119116090218,5 根据要求
03152-30-117512B带凸缘1.119117590128 根据要求
03152-30-117515B带凸缘1.119117590158 根据要求
03152-30-117517B带凸缘1.119117590178 根据要求
03152-30-117518B带凸缘1.119117590188 根据要求
03152-30-117519B带凸缘1.119117590198 根据要求
03152-30-117520B带凸缘1.119117590208 根据要求
03152-30-117521B带凸缘1.119117590218,5 根据要求
03152-30-120012B带凸缘1.119120090128 根据要求
03152-30-125012B带凸缘1.119125090128 根据要求

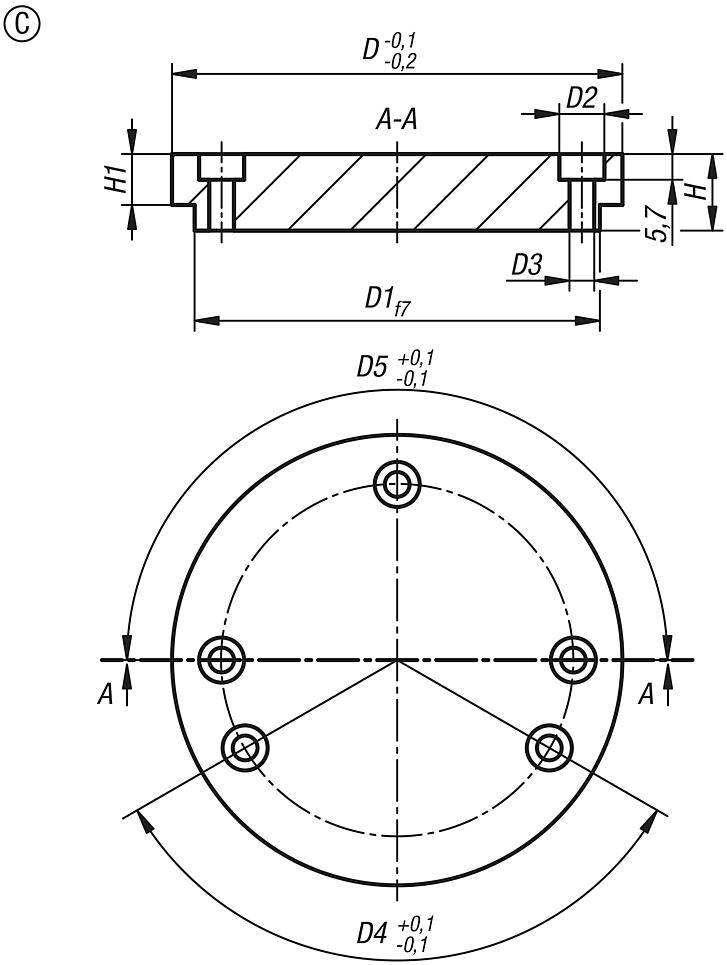
钢制定心法兰,C 型

更多信息

图纸

钢制定心法兰,C 型

商品选择/筛选

订货号类型形状类型金属键D

D1D2D3D4D5HH1CAD配件价格订购
03152-30-210017C带凸缘和孔1.119210090105,57882178 根据要求
03152-30-211019C带凸缘和孔1.119211090105,57898198 根据要求
03152-30-212512C带凸缘和孔1.119212590105,578104128 根据要求
03152-30-212517C带凸缘和孔1.119212590105,578104178 根据要求
03152-30-212519C带凸缘和孔1.119212590105,578104198 根据要求
03152-30-212521C带凸缘和孔1.119212590105,578104218 根据要求
03152-30-216021C带凸缘和孔1.119216090105,578128218 根据要求
我的 norelemE-Mail密码
购物车
商品数量: 0
总数: 0.00  
点击购物车
欢迎扫描二维码
咨询诺瑞朗官方客服微信
中国
苏ICP备20011289号-1  苏公网安备32058502011222 网页地图 打印 推荐 Top
Copyright © 2025 norelem. 保留所有权利。 电话 +49 71 45/206-44 至 45 · 传真 +49 71 45/206-83