|
|
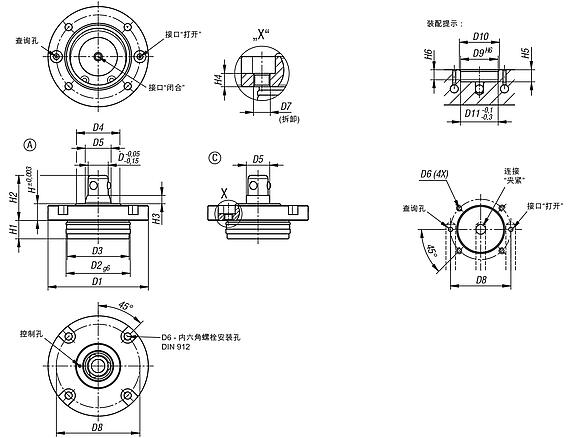
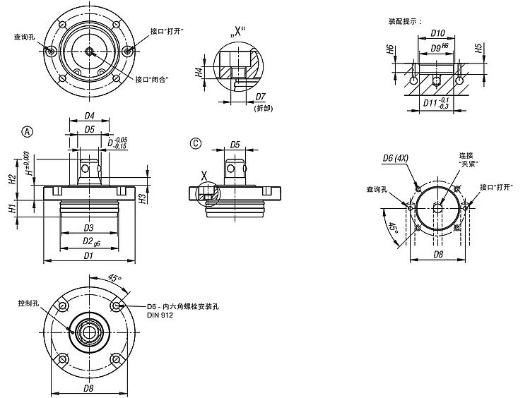
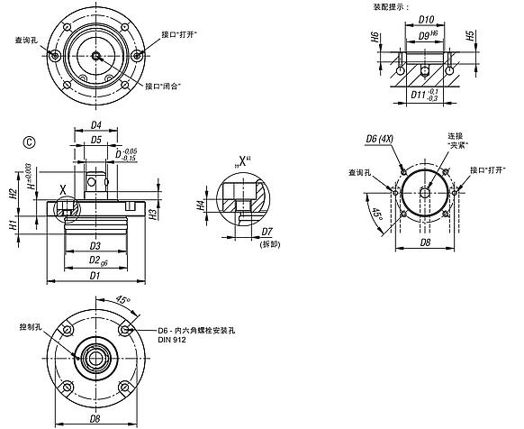
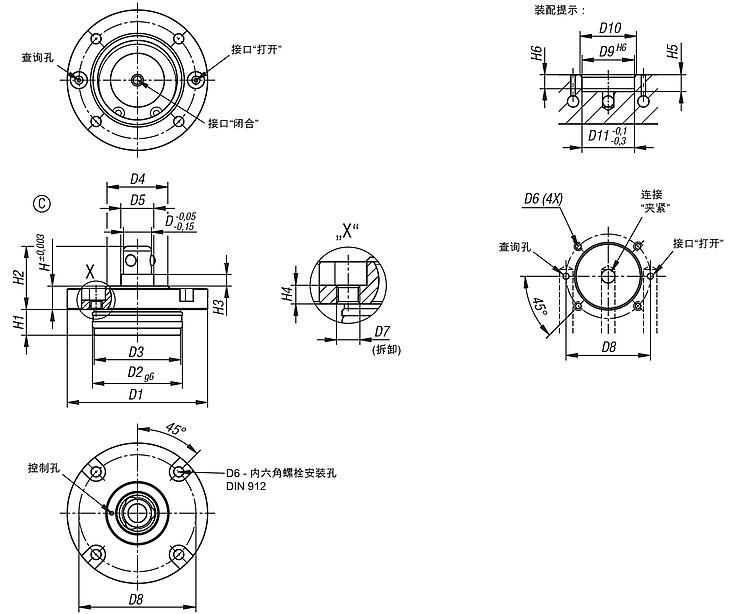
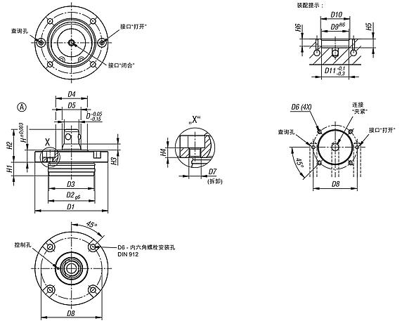
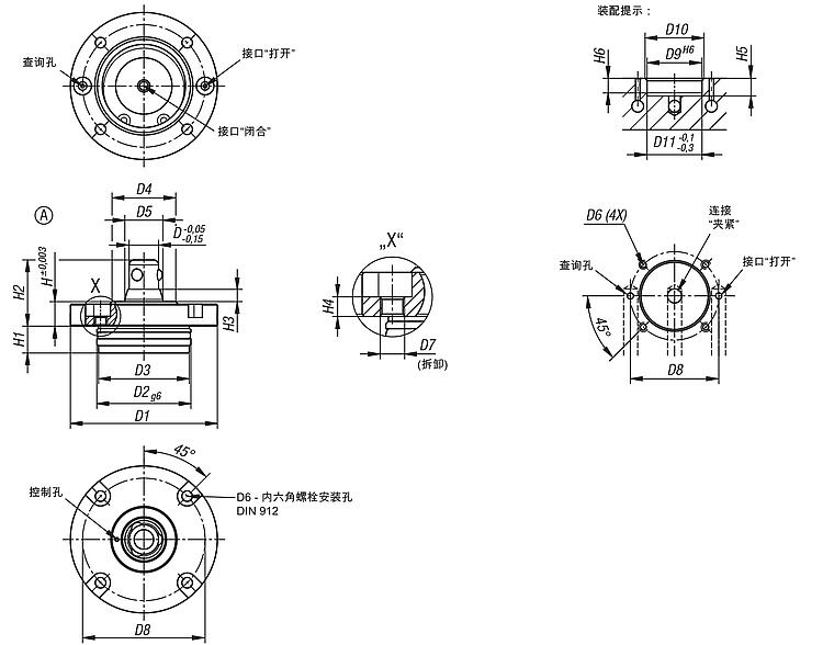
产品说明材料:外壳和调质钢制夹紧缸。抗锈钢 顶珠。规格:外壳经硬化和黑色氧化处理 工作面经打磨处理。提示:定位和夹紧系统特别适合安装在所有安装位置的夹具(板,立方体夹具等)中。通过模块化的结构定位柱的数量和距离可完美地与夹紧任务相匹配。小的定位柱直径也可减少定位柱之间的距离尺寸。
通过控制带接口“打开”的定位柱,可机械地松开 3 个夹紧顶珠。3 个夹紧顶珠向内缩回,并且可快速更换夹具。若要夹紧,需排除“打开”接口中的空气,然后“夹紧”接口接收定位柱上的空气。3 个夹紧顶珠将再次机械地向外移动,并且更换夹具被夹紧。 为获得最佳的夹持力,定位柱需始终连上空气。附件:03161-03 气动定位柱固定衬套。特点: 下载此处为收集信息的 PDF:
查找 CAD 数据?请直接在产品列表中查找。
|
|
|