norelem 使用 Cookies 以优化设计和持续改进网页。您通过继续使用网页,同意使用 Cookies。在我们的数据保护声明中可以找到有关 Cookies 主题的详细信息。同意

商品描述/产品说明

查看/筛选所有商品
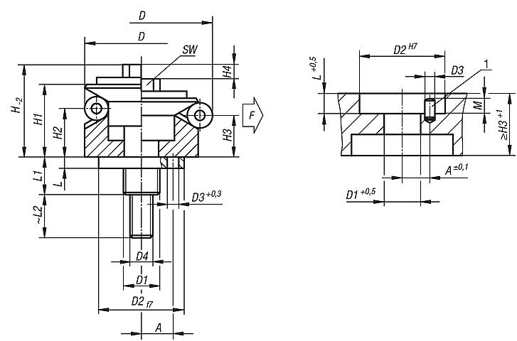
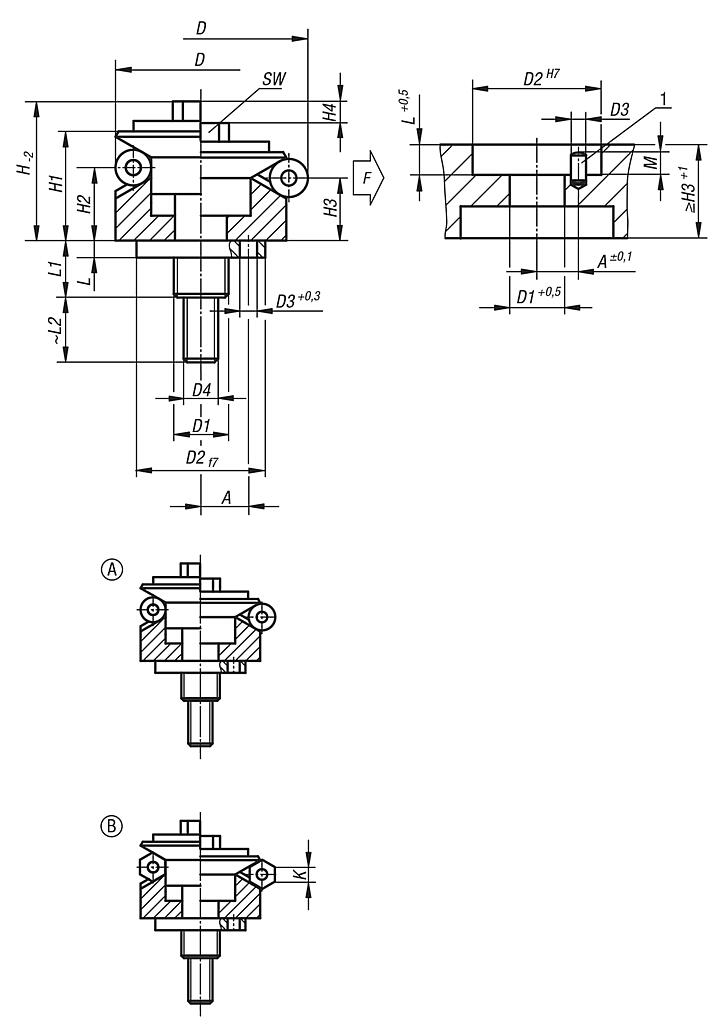
产品说明材料:主体 1.2842。
顶珠和六角 1.4112。
拉力弹簧 1.4310。
规格:主体经硬化和黑色氧化处理。
顶珠和六角经硬化和打磨处理。
技术参数:重复精度 ±0.025
同轴精度 ±0.05
应用:可以手动或自动(气动或液压)的方式,在底端操作,实现在盲孔中定心和夹紧。优点:- 精确的自定心。
- 夹紧不易变形。
- 较大的调整行程。
- 较小的结构高度。
- 夹紧同时产生下拉力。
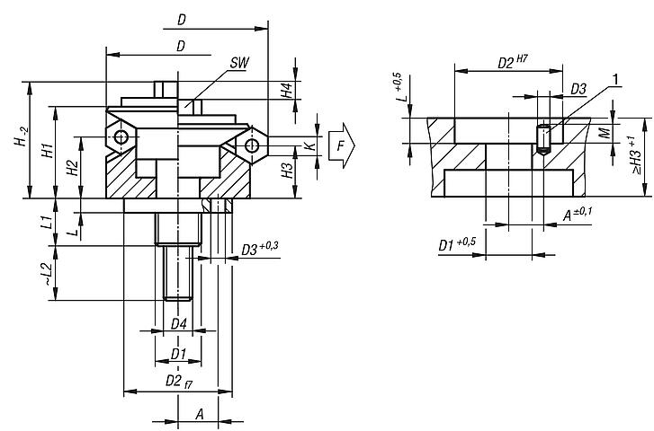
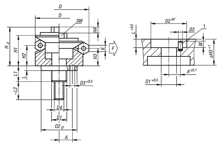
图纸提示:
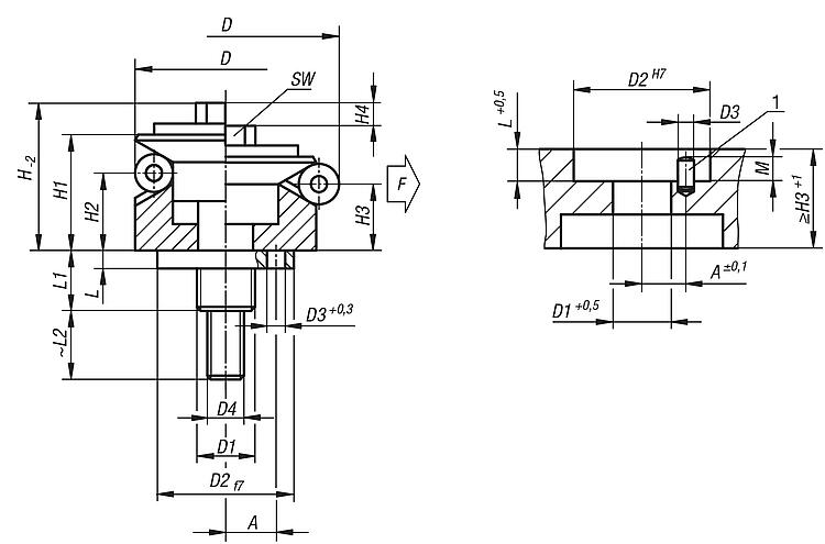
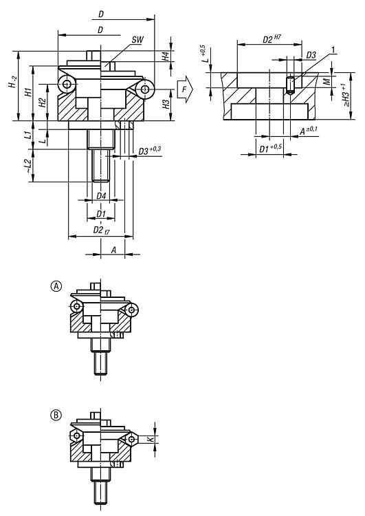
A 型:
带有顶珠,适用可适度承压的开孔中使用。
B 型:
带有六角,适用表面敏感型孔壁。

1)安装辅助:
用于精确定位夹紧元件的销钉。
下载此处为收集信息的 PDF:

查找 CAD 数据?请直接在产品列表中查找。
 Datasheet 03158 定心夹具 301 kB

图片(总概述)

定心夹具

定心夹具,带顶珠,A 型

更多信息

图纸

定心夹具,带顶珠,A 型

商品选择/筛选

订货号类型A

D
min.
D
max.
D1D2D3D4HH1H2H3H4LL1L2MSW球-Ø顶珠数量夹紧力
max. kN
锁紧扭矩
max. Nm
CAD配件价格订购
03158-0101203A3,511,714,2M5101,5M312,8104,231,43,5111025,52,530,52 根据要求
03158-0101503A4,514,518,5M6122M317,314,59,88,62,35,514,1122,55,5433,52 根据要求
03158-0101904A5,518,522,5M8152,5M420,916,511,610,42,37,518,2143,574345 根据要求
03158-0102305A722,526,5M10203M525,419,814,2132,3617,4153,58434,510 根据要求
03158-0102705A726,530,5M10203M525,419,814,2132,3617,4153,58434,510 根据要求
03158-0103106A930,538,5M12254M630,323,114,211,94,6721,9203,510834,517 根据要求
03158-0103906A1138,546,5M12304M634,227,217,815,54,67,522,5204,510866,517 根据要求
03158-0104706A1146,554,5M12304M634,227,21815,74,67,522,5206,510866,517 根据要求
03158-0105508A1554,570,5M14x1,5455M849,940,623,719,19,3924,5326,513166843 根据要求
03158-0107108A1770,586,5M16x1,5605M855,446,128,323,79,31029,4206,5131661043 根据要求

定心夹具,带六角,B 型

更多信息

图纸

定心夹具,带六角,B 型

商品选择/筛选

订货号类型A

D
min.
D
max.
D1D2D3D4HH1H2H3H4LL1L2MKSW六棱柱数量夹紧力
max. kN
锁紧扭矩
max. Nm
CAD配件价格订购
03158-0201503B4,514,518,5M6122M317,314,59,88,61,45,514,1122,545,533,52 根据要求
03158-0201904B5,518,522,5M8152,5M420,916,511,610,42,37,518,2143,547345 根据要求
03158-0202305B722,526,5M10203M525,419,814,2132,3617,4153,54834,510 根据要求
03158-0202705B726,530,5M10203M525,419,814,2132,3617,4153,54834,510 根据要求
03158-0203106B930,538,5M12254M630,323,114,211,94,6721,9203,581064,517 根据要求
03158-0203906B1138,546,5M12304M634,227,217,815,54,67,522,5204,581066,517 根据要求
03158-0204706B1146,554,5M12304M634,227,21815,74,67,522,5206,581066,517 根据要求
03158-0205508B1554,570,5M14455M849,940,623,719,19,3924,5326,516136843 根据要求
03158-0207108B1770,586,5M16605M855,446,128,323,79,31029,4206,5161361043 根据要求
03158-0208708B2586,5102,5M16605M1061,65130,225,79,31029,4256,51616612,579 根据要求
我的 norelemE-Mail密码
购物车
商品数量: 0
总数: 0.00  
点击购物车
欢迎扫描二维码
咨询诺瑞朗官方客服微信
中国
苏ICP备20011289号-1  苏公网安备32058502011222 网页地图 打印 推荐 Top
Copyright © 2025 norelem. 保留所有权利。 电话 +49 71 45/206-44 至 45 · 传真 +49 71 45/206-83