norelem 使用 Cookies 以优化设计和持续改进网页。您通过继续使用网页,同意使用 Cookies。在我们的数据保护声明中可以找到有关 Cookies 主题的详细信息。同意

商品描述/产品说明

查看/筛选所有商品
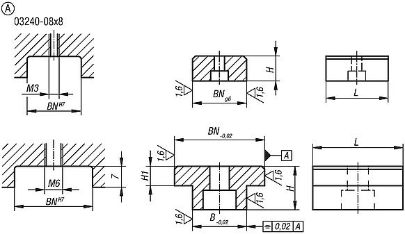
产品说明材料:调质钢 1.1191。规格:A 型经黑色氧化处理。
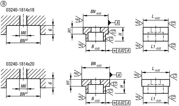
B 型经抛光和硬化处理。
提示:凹槽导向块用于快速准确地定位夹具部件。
无需进行复杂的部件对齐。
规格 B 可以 90  安装,以扩展尺寸。因此,可将凹槽导向块用于两种不同的凹槽宽度。
应用:在凹槽中将凹槽导向块拧到夹具部件上,然后钉在对应物上。优点:安装夹具部件时节省大量的时间。特点:
RoHS
下载此处为收集信息的 PDF:

查找 CAD 数据?请直接在产品列表中查找。
 Datasheet 03240 T型槽内嵌块 263 kB

图片(总概述)

T型槽内嵌块

T 型槽内嵌块,A 型,单侧

更多信息

图纸

T 型槽内嵌块,A 型,单侧

商品选择/筛选

订货号类型形状类型BN=槽宽B

HH1LCAD配件价格订购
03240-08X8A888-20 根据要求
03240-12X20A201214630 根据要求
03240-12X22A221214630 根据要求
03240-12X30A301214630 根据要求
03240-14X20A201414630 根据要求
03240-14X22A221414630 根据要求
03240-14X30A301414630 根据要求
03240-16X20A201614630 根据要求
03240-16X22A221614630 根据要求
03240-16X30A301614630 根据要求
03240-18X20A201814630 根据要求
03240-18X22A221814630 根据要求
03240-18X30A301814630 根据要求
03240-22X20A202214630 根据要求
03240-22X22A222214630 根据要求
03240-22X30A302214630 根据要求

T 型槽内嵌块,B 型,双侧

更多信息

图纸

T 型槽内嵌块,B 型,双侧

商品选择/筛选

订货号类型形状类型BN=槽宽B

HH1LL1CAD配件价格订购
03240-1814X18B两侧1814104,91818 根据要求
03240-1814X20B两侧2014104,92018 根据要求
我的 norelemE-Mail密码
购物车
商品数量: 0
总数: 0.00  
点击购物车
欢迎扫描二维码
咨询诺瑞朗官方客服微信
中国
苏ICP备20011289号-1  苏公网安备32058502011222 网页地图 打印 推荐 Top
Copyright © 2025 norelem. 保留所有权利。 电话 +49 71 45/206-44 至 45 · 传真 +49 71 45/206-83