norelem 使用 Cookies 以优化设计和持续改进网页。您通过继续使用网页,同意使用 Cookies。在我们的数据保护声明中可以找到有关 Cookies 主题的详细信息。同意

商品描述/产品说明

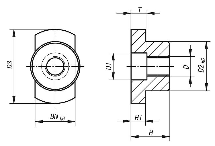
产品说明材料:渗碳钢。规格:经渗碳硬化、黑色氧化和打磨处理。提示:用于将夹具和夹紧工具与带有圆柱形定位孔的夹紧板或托盘对齐。
适用定位孔和定位槽。
特点:
RoHS
下载此处为收集信息的 PDF:

查找 CAD 数据?请直接在产品列表中查找。
 Datasheet 03270 内嵌块,带圆柱定位销 227 kB

图纸

内嵌块,带圆柱定位销

商品选择/筛选

订货号BN=槽宽D

D1D2D3HH1TCAD配件价格订购
03270-1010M811203015,55,86,4 根据要求
03270-1212M811203015,55,86,4 根据要求
03270-1414M811203015,55,86,4 根据要求
03270-1616M811203015,55,86,4 根据要求
03270-1818M811203015,55,86,4 根据要求
03270-2020M811203615,55,86,4 根据要求
03270-2222M811204015,55,86,4 根据要求
我的 norelemE-Mail密码
购物车
商品数量: 0
总数: 0.00  
点击购物车
欢迎扫描二维码
咨询诺瑞朗官方客服微信
中国
苏ICP备20011289号-1  苏公网安备32058502011222 网页地图 打印 推荐 Top
Copyright © 2025 norelem. 保留所有权利。 电话 +49 71 45/206-44 至 45 · 传真 +49 71 45/206-83