norelem 使用 Cookies 以优化设计和持续改进网页。您通过继续使用网页,同意使用 Cookies。在我们的数据保护声明中可以找到有关 Cookies 主题的详细信息。同意

商品描述/产品说明

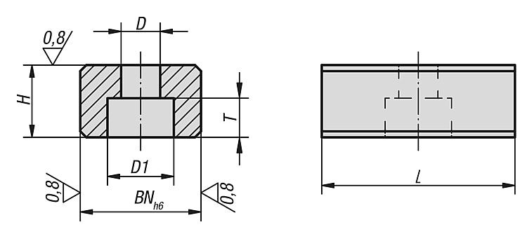
产品说明材料:渗碳钢。规格:经渗碳硬化、黑色氧化和打磨处理。提示:扁平的内嵌块用于将夹具和夹紧装置与按照 DIN 650 标注带 T 型槽的工作台对齐。其可以拧入夹具的导向槽中。要求夹具和工作台有相同槽宽。特点:
RoHS
下载此处为收集信息的 PDF:

查找 CAD 数据?请直接在产品列表中查找。
 Datasheet 03250 型槽内嵌块 216 kB

图纸

型槽内嵌块

商品选择/筛选

订货号

BN=槽宽D

D1HLT适用螺栓
DIN 84 或 912
CAD配件价格订购
03250-10104,588204,3M4x10 根据要求
03250-12125,3108205,3M5x12 根据要求
03250-14146,61110226,3M6x16 根据要求
03250-16166,61110226,3M6x16 根据要求
03250-18186,61110226,3M6x16 根据要求
03250-20206,61110226,3M6x16 根据要求
03250-22226,61112326,3M6x16 根据要求
我的 norelemE-Mail密码
购物车
商品数量: 0
总数: 0.00  
点击购物车
欢迎扫描二维码
咨询诺瑞朗官方客服微信
中国
苏ICP备20011289号-1  苏公网安备32058502011222 网页地图 打印 推荐 Top
Copyright © 2025 norelem. 保留所有权利。 电话 +49 71 45/206-44 至 45 · 传真 +49 71 45/206-83