norelem 使用 Cookies 以优化设计和持续改进网页。您通过继续使用网页,同意使用 Cookies。在我们的数据保护声明中可以找到有关 Cookies 主题的详细信息。同意

商品描述/产品说明

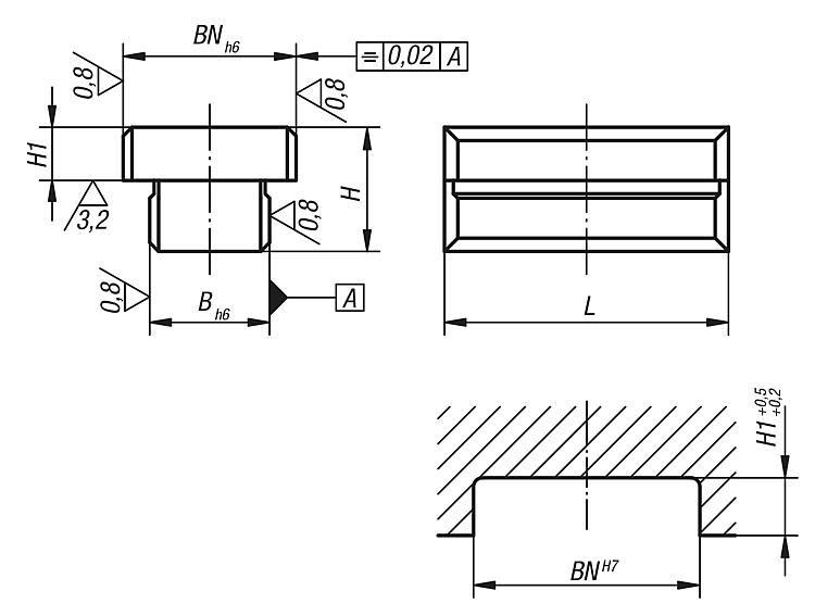
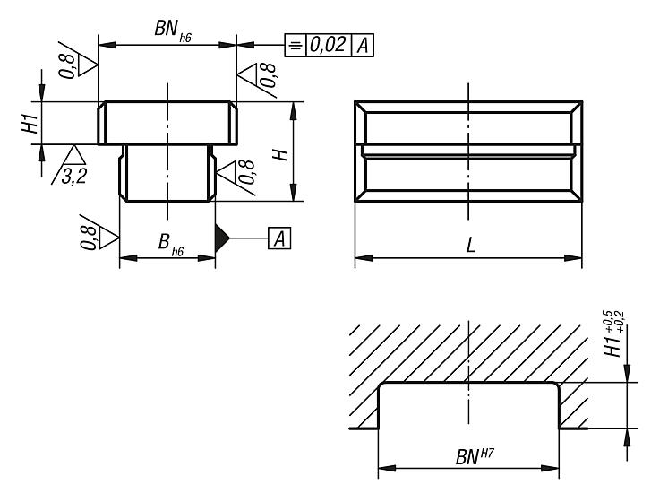
产品说明材料:渗碳钢 1.0401。规格:经渗碳硬化、黑色氧化和打磨处理。提示:活动内嵌块03260符合DIN 6323 标准,较之于固定的内嵌块,更加易于对机床用台虎钳、分度头和夹具进行操作。该内嵌块在粗略对齐后便可被推入。
移动夹具的时候,内嵌块也不会伸出基板而损坏工作台。
特点:
RoHS
下载此处为收集信息的 PDF:

查找 CAD 数据?请直接在产品列表中查找。
 Datasheet 03260 活动内嵌块,DIN 6323 243 kB

图纸

活动内嵌块,DIN 6323

商品选择/筛选

订货号BN=槽宽BHH1L

CAD配件价格订购
03260-101210123,620 根据要求
03260-122012145,532 根据要求
03260-142014145,532 根据要求
03260-162016145,532 根据要求
03260-182018145,532 根据要求
我的 norelemE-Mail密码
购物车
商品数量: 0
总数: 0.00  
点击购物车
欢迎扫描二维码
咨询诺瑞朗官方客服微信
中国
苏ICP备20011289号-1  苏公网安备32058502011222 网页地图 打印 推荐 Top
Copyright © 2025 norelem. 保留所有权利。 电话 +49 71 45/206-44 至 45 · 传真 +49 71 45/206-83