|
|
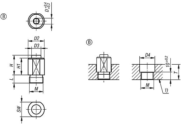
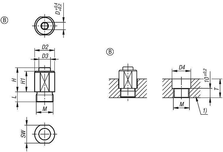
产品说明产品描述:按压式锁闩用于快捷简单更换和关闭夹具或翻板。 无工具夹紧缩短了装夹时间。材料:壳体和按钮均为不锈钢制。规格:壳体和按钮均为亮色。提示:A 型适用于 3 至 10 mm 的板厚。 B 型适用于 3 至 27 mm 的板厚。
如果超过夹持力,则板与板之间会产生 0.1 mm 以上的间隙。使用说明:将按压式锁闩放在夹紧销上,无需按下按钮,以此来夹紧按压式锁闩。 松开手按下按钮并拔下按压式锁闩。应用:A 型安装方式配合间隔环,适用于 3 至 10 mm 的板厚。 B 型安装方式适用于 10 至 27 mm 的板厚。注意:给定的拔出力只适用于与夹紧销 03192-25 配合使用的情况。附件:间隔环 03192-20。 夹紧销 03192-25。图纸提示:特点: 下载此处为收集信息的 PDF:
查找 CAD 数据?请直接在产品列表中查找。
|
| 订货号 | 类型 | 类型 1 | D | D1 | D2 | D3 | H | H1 | H2 | L | M | SW | T | 夹持力 N | 夹紧力 N | 径向力 kN | 拔出力 F kN | 工作温度 | CAD | 配件 | 价格 | 订购 |
|---|
| 03192-15-11 | A | 带头 | 6 | 19 | 32 | 11 | 23 | 15,5 | 8,5 | 9,5 | M16X1 | 17 | 3 | 100 | 6 | 1,1 | 0,25 | ≤180 °C |  | | 根据要求 | |
|
| 订货号 | 类型 | 类型 1 | D
| D2 | D3 | D4 | H | H1 | L | M | SW | T | 夹持力 N | 夹紧力 N | 径向力 kN | 拔出力 F kN | 工作温度 | CAD | 配件 | 价格 | 订购 |
|---|
| 03192-15-12 | B | 不带头 | 6 | 19 | 11 | 20 | 23 | 19,5 | 9,5 | M16X1 | 17 | 10-27 | 100 | 6 | 1,1 | 0,25 | ≤180 °C |  | | 根据要求 | |
|
|
|