norelem 使用 Cookies 以优化设计和持续改进网页。您通过继续使用网页,同意使用 Cookies。在我们的
数据保护声明
中可以找到有关 Cookies 主题的详细信息。
同意
全球分布
创意
AGB
版权说明
数据保护
产品
企业信息
服务
下载
新闻
联系方式
产品概览
固定
灵活的标准件系统
装配
装配系统
运动
用于机床和设备制造的系统/组件
检查
量具检具组件
夹紧
夹紧技术
控制和调节
电动机构
输送
输送和移动技术
technoshop
norelem inch
英制产品目录
03197-05
不锈钢固定衬套带轴环适用于快锁插销
返回
产品
产品概览
灵活的标准件系统
弹簧柱塞、 分度销、 挡块、 定心和定位元件、 固定装置、 型槽螺母
快锁插销
不锈钢固定衬套带轴环适用于快锁插销
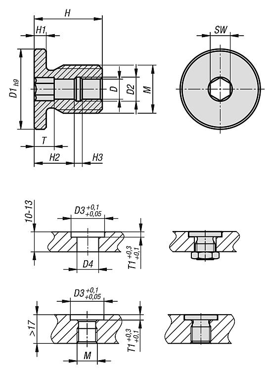
商品描述/产品说明
产品说明
材料:
不锈钢 1.4305。
规格:
亮色。
提示:
快速插销的固定衬套可简单便捷的固定住快速插销和锁定销。
轴环用于单侧限位。
内六角作为传动机构。
优点:
- 因轴环产生了设定的拧入深度。
- 螺纹安装简单快捷。
- 可拧入到不同材料中。
- 两边均可使用
特点:
下载
此处为收集信息的 PDF:
查找 CAD 数据?请直接在产品列表中查找。
Datasheet 03197-05 不锈钢固定衬套带轴环适用于快锁插销
551 kB
图纸
商品选择/筛选
订货号
D
D1
D2
D3
D4
H
H1
H2
H3
M
SW
T
T1
CAD
配件
价格
订购
03197-05-10512
5
20
6
20
13,5
17
3
10
2
M12
5
5
3
根据要求
03197-05-10616
6
24
7,5
24
17,5
20
3
10
5
M16
6
5
3
根据要求
03197-05-10816
8
24
10
24
17,5
20
3
10
5
M16
8
5
3
根据要求
03197-05-11024
10
34
13
34
25
25
5
10
5
M24
10
5
5
根据要求
03197-05-11224
12
34
15
34
25
25
5
10
5
M24
12
5
5
根据要求
03197-05-11630
16
40
20
40
31
28
5
10
8
M30
16
5
5
根据要求
本类目的其他商品
<<
|
<
|
1-10
|
11-20
|
21-30
|
31-40
|
41-50
|
51-57
|
>
|
>>
03191-90
钢制重型快锁插销 带旋转驱动器和不锈钢旋转头
03191-91
不锈钢重型快锁插销,可伸缩,带旋转驱动器和不锈钢旋转头
03191-95
快锁插销的钢制固定衬套
03191-99
不锈钢快锁插销,可伸缩,带旋转驱动器和不锈钢旋转头
03192
带螺纹的钢制或不锈钢快锁插销,无球头
03192
带螺纹的钢制快锁插销
03192
带螺纹的不锈钢快锁插销
03192-01
快锁插销,带旋转驱动器和塑料或不锈钢旋转头
03192-02
衬套,适用快锁插销
03192-08
不锈钢重型旋转锁闩 带旋转驱动器和塑料或不锈钢旋转头
<<
|
<
|
1-10
|
11-20
|
21-30
|
31-40
|
41-50
|
51-57
|
>
|
>>
我的 norelem
E-Mail
密码
忘记密码
首次登陆
购物车
商品数量:
0
总数:
0.00
€
点击购物车
欢迎扫描二维码
咨询诺瑞朗官方客服微信
Algérie
Andorra
Argentina
Australia
België
Bolivia
Bosna i Hercegovina
Brasil
Canada
Česká republika
Chile
中国
Colombia
Costa Rica
Cuba
Danmark
Dem. Peop. Rep. of Korea
Deutschland
Ecuador
Eesti
España
Georgia
香港
Hrvatska
India
Ireland
Ísland
Italia
Jamaica
日本
Latvija
Liechtenstein
Lietuvos
Luxemburg
Magyarország
Malaysia
Malta
México
Nederland
New Zealand
Norge
Österreich
Pakistan
Paraguay
Perú
Polska
Portugal
Principauté de Monaco
台灣
Rep. di San Marino
대한민국
România
Schweiz
Singapore
Slovenija
Slovensko
South Africa
Suomi
Sverige
Türkiye
United Kingdom
United States of America
Uruguay
Venezuela
Việt Nam
Ελλάδα
Κύπρος
Беларусь
България
Република Србија
Россия
Србија и Црна Гора
Україна
ישראל
الامارات العربية المتحدة
السعودية
ايران
مصر
ประเทศไทย
Chinese
English
苏ICP备20011289号-1
苏公网安备32058502011222
网页地图
打印
推荐
Top
Copyright © 2025 norelem. 保留所有权利。
电话 +49 71 45/206-44 至 45 · 传真 +49 71 45/206-83