|
|
|
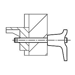
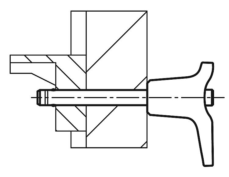
03420快锁插销,带塑料 L 型把手并具有较高的抗剪强度 |
返回 |
|
|
产品说明材料:热塑性塑料把手。
1.4305 不锈钢压紧旋钮。
1.4542 不锈钢销钉。
1.4125 不锈钢顶珠。
1.4310 不锈钢压力弹簧。 规格:手柄采用深灰色或 RAL 3020 交通红。 不锈钢,亮色。提示:快锁插销用于快捷简便地固定和连接部件和工件。 按下把手上的压紧旋钮可以解锁两个顶珠,并插入需要连接的工件。释放压紧旋钮,顶珠重新锁紧,形成可靠的连接。
两端剪切力 (F) = S · τ aB max.
剪切力的数据与理论断裂载荷相关。 这些是不具约束力的指导值,未考虑安全因素,且不承担任何责任。给出的数值仅供参考,并不对财产构成任何相关法律保证。
负载值根据 DIN 50141 计算得出。每位用户必须单独确定快锁插销是否适合各自的使用。
制作快锁插销材料的多样性、天气条件和磨损会影响确定的数值。
具有高剪切强度的快锁插销在销钉上标有标记槽。优点:与标准的快锁插销相比承载能力更高。 插销所采用的不锈钢 1.4542 经过硬化处理,完全不生锈,具有很高的抗剪能力和极高的承重能力。附件:快锁插销的固定衬套 03197 螺旋安全绳 03199 带吊环的安全绳 03199 钥匙圈 03199特点: 下载此处为收集信息的 PDF:
查找 CAD 数据?请直接在产品列表中查找。
|
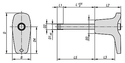
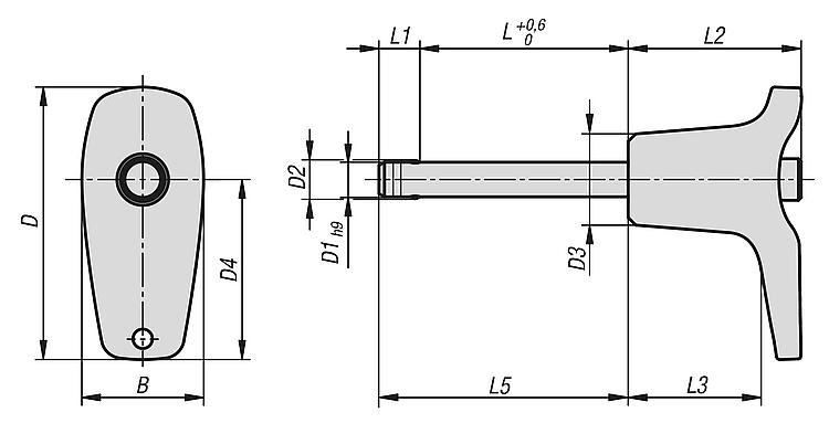
| 订货号 | 组件 颜色 | B | D
| D1 | D2 | D3 | D4 | L | L1 | L2 | L3 | L5 | 安装孔 H11 | 双边径向力 max. kN | CAD | 配件 | 价格 | 订购 |
|---|
| 03420-112605010 | 黑灰色 RAL 7021 | 17,6 | 39,3 | 5 | 5,5 | 13,2 | 26 | 10 | 5,9 | 25 | 19,2 | 15,9 | 5 | 24 |  | | 根据要求 | | | 03420-112605015 | 黑灰色 RAL 7021 | 17,6 | 39,3 | 5 | 5,5 | 13,2 | 26 | 15 | 5,9 | 25 | 19,2 | 20,9 | 5 | 24 |  | | 根据要求 | | | 03420-112605020 | 黑灰色 RAL 7021 | 17,6 | 39,3 | 5 | 5,5 | 13,2 | 26 | 20 | 5,9 | 25 | 19,2 | 25,9 | 5 | 24 |  | | 根据要求 | | | 03420-112605025 | 黑灰色 RAL 7021 | 17,6 | 39,3 | 5 | 5,5 | 13,2 | 26 | 25 | 5,9 | 25 | 19,2 | 30,9 | 5 | 24 |  | | 根据要求 | | | 03420-112605030 | 黑灰色 RAL 7021 | 17,6 | 39,3 | 5 | 5,5 | 13,2 | 26 | 30 | 5,9 | 25 | 19,2 | 35,9 | 5 | 24 |  | | 根据要求 | | | 03420-112606010 | 黑灰色 RAL 7021 | 17,6 | 39,3 | 6 | 6,85 | 13,2 | 26 | 10 | 6,8 | 25 | 19,2 | 16,8 | 6 | 35 |  | | 根据要求 | | | 03420-112606015 | 黑灰色 RAL 7021 | 17,6 | 39,3 | 6 | 6,85 | 13,2 | 26 | 15 | 6,8 | 25 | 19,2 | 21,8 | 6 | 35 |  | | 根据要求 | | | 03420-112606025 | 黑灰色 RAL 7021 | 17,6 | 39,3 | 6 | 6,85 | 13,2 | 26 | 25 | 6,8 | 25 | 19,2 | 31,8 | 6 | 35 |  | | 根据要求 | | | 03420-112606030 | 黑灰色 RAL 7021 | 17,6 | 39,3 | 6 | 6,85 | 13,2 | 26 | 30 | 6,8 | 25 | 19,2 | 36,8 | 6 | 35 |  | | 根据要求 | | | 03420-112606035 | 黑灰色 RAL 7021 | 17,6 | 39,3 | 6 | 6,85 | 13,2 | 26 | 35 | 6,8 | 25 | 19,2 | 41,8 | 6 | 35 |  | | 根据要求 | | | 03420-112606040 | 黑灰色 RAL 7021 | 17,6 | 39,3 | 6 | 6,85 | 13,2 | 26 | 40 | 6,8 | 25 | 19,2 | 46,8 | 6 | 35 |  | | 根据要求 | | | 03420-112606045 | 黑灰色 RAL 7021 | 17,6 | 39,3 | 6 | 6,85 | 13,2 | 26 | 45 | 6,8 | 25 | 19,2 | 51,8 | 6 | 35 |  | | 根据要求 | | | 03420-112606050 | 黑灰色 RAL 7021 | 17,6 | 39,3 | 6 | 6,85 | 13,2 | 26 | 50 | 6,8 | 25 | 19,2 | 56,8 | 6 | 35 |  | | 根据要求 | | | 03420-113508020 | 黑灰色 RAL 7021 | 23 | 52,2 | 8 | 9,5 | 17,3 | 35,4 | 20 | 7,8 | 33 | 24,2 | 27,8 | 8 | 63 |  | | 根据要求 | | | 03420-113508025 | 黑灰色 RAL 7021 | 23 | 52,2 | 8 | 9,5 | 17,3 | 35,4 | 25 | 7,8 | 33 | 24,2 | 32,8 | 8 | 63 |  | | 根据要求 | | | 03420-113508030 | 黑灰色 RAL 7021 | 23 | 52,2 | 8 | 9,5 | 17,3 | 35,4 | 30 | 7,8 | 33 | 24,2 | 37,8 | 8 | 63 |  | | 根据要求 | | | 03420-113508035 | 黑灰色 RAL 7021 | 23 | 52,2 | 8 | 9,5 | 17,3 | 35,4 | 35 | 7,8 | 33 | 24,2 | 42,8 | 8 | 63 |  | | 根据要求 | | | 03420-113508040 | 黑灰色 RAL 7021 | 23 | 52,2 | 8 | 9,5 | 17,3 | 35,4 | 40 | 7,8 | 33 | 24,2 | 47,8 | 8 | 63 |  | | 根据要求 | | | 03420-113508045 | 黑灰色 RAL 7021 | 23 | 52,2 | 8 | 9,5 | 17,3 | 35,4 | 45 | 7,8 | 33 | 24,2 | 52,8 | 8 | 63 |  | | 根据要求 | | | 03420-113508050 | 黑灰色 RAL 7021 | 23 | 52,2 | 8 | 9,5 | 17,3 | 35,4 | 50 | 7,8 | 33 | 24,2 | 57,8 | 8 | 63 |  | | 根据要求 | | | 03420-113510020 | 黑灰色 RAL 7021 | 23 | 52,2 | 10 | 12 | 17,3 | 35,4 | 20 | 8,9 | 33 | 24,2 | 28,9 | 10 | 100 |  | | 根据要求 | | | 03420-113510025 | 黑灰色 RAL 7021 | 23 | 52,2 | 10 | 12 | 17,3 | 35,4 | 25 | 8,9 | 33 | 24,2 | 33,9 | 10 | 100 |  | | 根据要求 | | | 03420-113510030 | 黑灰色 RAL 7021 | 23 | 52,2 | 10 | 12 | 17,3 | 35,4 | 30 | 8,9 | 33 | 24,2 | 38,9 | 10 | 100 |  | | 根据要求 | | | 03420-113510035 | 黑灰色 RAL 7021 | 23 | 52,2 | 10 | 12 | 17,3 | 35,4 | 35 | 8,9 | 33 | 24,2 | 43,9 | 10 | 100 |  | | 根据要求 | | | 03420-113510040 | 黑灰色 RAL 7021 | 23 | 52,2 | 10 | 12 | 17,3 | 35,4 | 40 | 8,9 | 33 | 24,2 | 48,9 | 10 | 100 |  | | 根据要求 | | | 03420-113510045 | 黑灰色 RAL 7021 | 23 | 52,2 | 10 | 12 | 17,3 | 35,4 | 45 | 8,9 | 33 | 24,2 | 53,9 | 10 | 100 |  | | 根据要求 | | | 03420-113510050 | 黑灰色 RAL 7021 | 23 | 52,2 | 10 | 12 | 17,3 | 35,4 | 50 | 8,9 | 33 | 24,2 | 58,9 | 10 | 100 |  | | 根据要求 | | | 03420-113510060 | 黑灰色 RAL 7021 | 23 | 52,2 | 10 | 12 | 17,3 | 35,4 | 60 | 8,9 | 33 | 24,2 | 68,9 | 10 | 100 |  | | 根据要求 | | | 03420-114712025 | 黑灰色 RAL 7021 | 33 | 70,2 | 12 | 14,5 | 26,3 | 47 | 25 | 9,9 | 39,5 | 28,4 | 34,9 | 12 | 144 |  | | 根据要求 | | | 03420-114712030 | 黑灰色 RAL 7021 | 33 | 70,2 | 12 | 14,5 | 26,3 | 47 | 30 | 9,9 | 39,5 | 28,4 | 39,9 | 12 | 144 |  | | 根据要求 | | | 03420-114712040 | 黑灰色 RAL 7021 | 33 | 70,2 | 12 | 14,5 | 26,3 | 47 | 40 | 9,9 | 39,5 | 28,4 | 49,9 | 12 | 144 |  | | 根据要求 | | | 03420-114712045 | 黑灰色 RAL 7021 | 33 | 70,2 | 12 | 14,5 | 26,3 | 47 | 45 | 9,9 | 39,5 | 28,4 | 54,9 | 12 | 144 |  | | 根据要求 | | | 03420-114712050 | 黑灰色 RAL 7021 | 33 | 70,2 | 12 | 14,5 | 26,3 | 47 | 50 | 9,9 | 39,5 | 28,4 | 59,9 | 12 | 144 |  | | 根据要求 | | | 03420-114712060 | 黑灰色 RAL 7021 | 33 | 70,2 | 12 | 14,5 | 26,3 | 47 | 60 | 9,9 | 39,5 | 28,4 | 69,9 | 12 | 144 |  | | 根据要求 | | | 03420-114712070 | 黑灰色 RAL 7021 | 33 | 70,2 | 12 | 14,5 | 26,3 | 47 | 70 | 9,9 | 39,5 | 28,4 | 79,9 | 12 | 144 |  | | 根据要求 | | | 03420-114712080 | 黑灰色 RAL 7021 | 33 | 70,2 | 12 | 14,5 | 26,3 | 47 | 80 | 9,9 | 39,5 | 28,4 | 89,9 | 12 | 144 |  | | 根据要求 | | | 03420-114716030 | 黑灰色 RAL 7021 | 33 | 70,2 | 16 | 19 | 26,3 | 47 | 30 | 13,1 | 39,5 | 28,4 | 43,1 | 16 | 257 |  | | 根据要求 | | | 03420-114716035 | 黑灰色 RAL 7021 | 33 | 70,2 | 16 | 19 | 26,3 | 47 | 35 | 13,1 | 39,5 | 28,4 | 48,1 | 16 | 257 |  | | 根据要求 | | | 03420-114716040 | 黑灰色 RAL 7021 | 33 | 70,2 | 16 | 19 | 26,3 | 47 | 40 | 13,1 | 39,5 | 28,4 | 53,1 | 16 | 257 |  | | 根据要求 | | | 03420-114716045 | 黑灰色 RAL 7021 | 33 | 70,2 | 16 | 19 | 26,3 | 47 | 45 | 13,1 | 39,5 | 28,4 | 58,1 | 16 | 257 |  | | 根据要求 | | | 03420-114716050 | 黑灰色 RAL 7021 | 33 | 70,2 | 16 | 19 | 26,3 | 47 | 50 | 13,1 | 39,5 | 28,4 | 63,1 | 16 | 257 |  | | 根据要求 | | | 03420-114716060 | 黑灰色 RAL 7021 | 33 | 70,2 | 16 | 19 | 26,3 | 47 | 60 | 13,1 | 39,5 | 28,4 | 73,1 | 16 | 257 |  | | 根据要求 | | | 03420-114716070 | 黑灰色 RAL 7021 | 33 | 70,2 | 16 | 19 | 26,3 | 47 | 70 | 13,1 | 39,5 | 28,4 | 83,1 | 16 | 257 |  | | 根据要求 | | | 03420-114716080 | 黑灰色 RAL 7021 | 33 | 70,2 | 16 | 19 | 26,3 | 47 | 80 | 13,1 | 39,5 | 28,4 | 93,1 | 16 | 257 |  | | 根据要求 | | | 03420-11842605010 | 红色 RAL 3020 | 17,6 | 39,3 | 5 | 5,5 | 13,2 | 26 | 10 | 5,9 | 25 | 19,2 | 15,9 | 5 | 24 |  | | 根据要求 | | | 03420-11842605015 | 红色 RAL 3020 | 17,6 | 39,3 | 5 | 5,5 | 13,2 | 26 | 15 | 5,9 | 25 | 19,2 | 20,9 | 5 | 24 |  | | 根据要求 | | | 03420-11842605020 | 红色 RAL 3020 | 17,6 | 39,3 | 5 | 5,5 | 13,2 | 26 | 20 | 5,9 | 25 | 19,2 | 25,9 | 5 | 24 |  | | 根据要求 | | | 03420-11842605025 | 红色 RAL 3020 | 17,6 | 39,3 | 5 | 5,5 | 13,2 | 26 | 25 | 5,9 | 25 | 19,2 | 30,9 | 5 | 24 |  | | 根据要求 | | | 03420-11842605030 | 红色 RAL 3020 | 17,6 | 39,3 | 5 | 5,5 | 13,2 | 26 | 30 | 5,9 | 25 | 19,2 | 35,9 | 5 | 24 |  | | 根据要求 | | | 03420-11842606010 | 红色 RAL 3020 | 17,6 | 39,3 | 6 | 6,85 | 13,2 | 26 | 10 | 6,8 | 25 | 19,2 | 16,8 | 6 | 35 |  | | 根据要求 | | | 03420-11842606015 | 红色 RAL 3020 | 17,6 | 39,3 | 6 | 6,85 | 13,2 | 26 | 15 | 6,8 | 25 | 19,2 | 21,8 | 6 | 35 |  | | 根据要求 | | | 03420-11842606020 | 红色 RAL 3020 | 17,6 | 39,3 | 6 | 6,85 | 13,2 | 26 | 20 | 6,8 | 25 | 19,2 | 26,8 | 6 | 35 |  | | 根据要求 | | | 03420-11842606025 | 红色 RAL 3020 | 17,6 | 39,3 | 6 | 6,85 | 13,2 | 26 | 25 | 6,8 | 25 | 19,2 | 31,8 | 6 | 35 |  | | 根据要求 | | | 03420-11842606030 | 红色 RAL 3020 | 17,6 | 39,3 | 6 | 6,85 | 13,2 | 26 | 30 | 6,8 | 25 | 19,2 | 36,8 | 6 | 35 |  | | 根据要求 | | | 03420-11842606035 | 红色 RAL 3020 | 17,6 | 39,3 | 6 | 6,85 | 13,2 | 26 | 35 | 6,8 | 25 | 19,2 | 41,8 | 6 | 35 |  | | 根据要求 | | | 03420-11842606040 | 红色 RAL 3020 | 17,6 | 39,3 | 6 | 6,85 | 13,2 | 26 | 40 | 6,8 | 25 | 19,2 | 46,8 | 6 | 35 |  | | 根据要求 | | | 03420-11842606045 | 红色 RAL 3020 | 17,6 | 39,3 | 6 | 6,85 | 13,2 | 26 | 45 | 6,8 | 25 | 19,2 | 51,8 | 6 | 35 |  | | 根据要求 | | | 03420-11842606050 | 红色 RAL 3020 | 17,6 | 39,3 | 6 | 6,85 | 13,2 | 26 | 50 | 6,8 | 25 | 19,2 | 56,8 | 6 | 35 |  | | 根据要求 | | | 03420-11843508020 | 红色 RAL 3020 | 23 | 52,2 | 8 | 9,5 | 17,3 | 35,4 | 20 | 7,8 | 33 | 24,2 | 27,8 | 8 | 63 |  | | 根据要求 | | | 03420-11843508025 | 红色 RAL 3020 | 23 | 52,2 | 8 | 9,5 | 17,3 | 35,4 | 25 | 7,8 | 33 | 24,2 | 32,8 | 8 | 63 |  | | 根据要求 | | | 03420-11843508030 | 红色 RAL 3020 | 23 | 52,2 | 8 | 9,5 | 17,3 | 35,4 | 30 | 7,8 | 33 | 24,2 | 37,8 | 8 | 63 |  | | 根据要求 | | | 03420-11843508035 | 红色 RAL 3020 | 23 | 52,2 | 8 | 9,5 | 17,3 | 35,4 | 35 | 7,8 | 33 | 24,2 | 42,8 | 8 | 63 |  | | 根据要求 | | | 03420-11843508040 | 红色 RAL 3020 | 23 | 52,2 | 8 | 9,5 | 17,3 | 35,4 | 40 | 7,8 | 33 | 24,2 | 47,8 | 8 | 63 |  | | 根据要求 | | | 03420-11843508045 | 红色 RAL 3020 | 23 | 52,2 | 8 | 9,5 | 17,3 | 35,4 | 45 | 7,8 | 33 | 24,2 | 52,8 | 8 | 63 |  | | 根据要求 | | | 03420-11843508050 | 红色 RAL 3020 | 23 | 52,2 | 8 | 9,5 | 17,3 | 35,4 | 50 | 7,8 | 33 | 24,2 | 57,8 | 8 | 63 |  | | 根据要求 | | | 03420-11843510020 | 红色 RAL 3020 | 23 | 52,2 | 10 | 12 | 17,3 | 35,4 | 20 | 8,9 | 33 | 24,2 | 28,9 | 10 | 100 |  | | 根据要求 | | | 03420-11843510025 | 红色 RAL 3020 | 23 | 52,2 | 10 | 12 | 17,3 | 35,4 | 25 | 8,9 | 33 | 24,2 | 33,9 | 10 | 100 |  | | 根据要求 | | | 03420-11843510030 | 红色 RAL 3020 | 23 | 52,2 | 10 | 12 | 17,3 | 35,4 | 30 | 8,9 | 33 | 24,2 | 38,9 | 10 | 100 |  | | 根据要求 | | | 03420-11843510035 | 红色 RAL 3020 | 23 | 52,2 | 10 | 12 | 17,3 | 35,4 | 35 | 8,9 | 33 | 24,2 | 43,9 | 10 | 100 |  | | 根据要求 | | | 03420-11843510040 | 红色 RAL 3020 | 23 | 52,2 | 10 | 12 | 17,3 | 35,4 | 40 | 8,9 | 33 | 24,2 | 48,9 | 10 | 100 |  | | 根据要求 | | | 03420-11843510045 | 红色 RAL 3020 | 23 | 52,2 | 10 | 12 | 17,3 | 35,4 | 45 | 8,9 | 33 | 24,2 | 53,9 | 10 | 100 |  | | 根据要求 | | | 03420-11843510050 | 红色 RAL 3020 | 23 | 52,2 | 10 | 12 | 17,3 | 35,4 | 50 | 8,9 | 33 | 24,2 | 58,9 | 10 | 100 |  | | 根据要求 | | | 03420-11843510060 | 红色 RAL 3020 | 23 | 52,2 | 10 | 12 | 17,3 | 35,4 | 60 | 8,9 | 33 | 24,2 | 68,9 | 10 | 100 |  | | 根据要求 | | | 03420-11844712025 | 红色 RAL 3020 | 33 | 70,2 | 12 | 14,5 | 26,3 | 47 | 25 | 9,9 | 39,5 | 28,4 | 34,9 | 12 | 144 |  | | 根据要求 | | | 03420-11844712030 | 红色 RAL 3020 | 33 | 70,2 | 12 | 14,5 | 26,3 | 47 | 30 | 9,9 | 39,5 | 28,4 | 39,9 | 12 | 144 |  | | 根据要求 | | | 03420-11844712035 | 红色 RAL 3020 | 33 | 70,2 | 12 | 14,5 | 26,3 | 47 | 35 | 9,9 | 39,5 | 28,4 | 44,9 | 12 | 144 |  | | 根据要求 | | | 03420-11844712040 | 红色 RAL 3020 | 33 | 70,2 | 12 | 14,5 | 26,3 | 47 | 40 | 9,9 | 39,5 | 28,4 | 49,9 | 12 | 144 |  | | 根据要求 | | | 03420-11844712045 | 红色 RAL 3020 | 33 | 70,2 | 12 | 14,5 | 26,3 | 47 | 45 | 9,9 | 39,5 | 28,4 | 54,9 | 12 | 144 |  | | 根据要求 | | | 03420-11844712050 | 红色 RAL 3020 | 33 | 70,2 | 12 | 14,5 | 26,3 | 47 | 50 | 9,9 | 39,5 | 28,4 | 59,9 | 12 | 144 |  | | 根据要求 | | | 03420-11844712060 | 红色 RAL 3020 | 33 | 70,2 | 12 | 14,5 | 26,3 | 47 | 60 | 9,9 | 39,5 | 28,4 | 69,9 | 12 | 144 |  | | 根据要求 | | | 03420-11844712070 | 红色 RAL 3020 | 33 | 70,2 | 12 | 14,5 | 26,3 | 47 | 70 | 9,9 | 39,5 | 28,4 | 79,9 | 12 | 144 |  | | 根据要求 | | | 03420-11844712080 | 红色 RAL 3020 | 33 | 70,2 | 12 | 14,5 | 26,3 | 47 | 80 | 9,9 | 39,5 | 28,4 | 89,9 | 12 | 144 |  | | 根据要求 | | | 03420-11844716030 | 红色 RAL 3020 | 33 | 70,2 | 16 | 19 | 26,3 | 47 | 30 | 13,1 | 39,5 | 28,4 | 43,1 | 16 | 257 |  | | 根据要求 | | | 03420-11844716035 | 红色 RAL 3020 | 33 | 70,2 | 16 | 19 | 26,3 | 47 | 35 | 13,1 | 39,5 | 28,4 | 48,1 | 16 | 257 |  | | 根据要求 | | | 03420-11844716040 | 红色 RAL 3020 | 33 | 70,2 | 16 | 19 | 26,3 | 47 | 40 | 13,1 | 39,5 | 28,4 | 53,1 | 16 | 257 |  | | 根据要求 | | | 03420-11844716045 | 红色 RAL 3020 | 33 | 70,2 | 16 | 19 | 26,3 | 47 | 45 | 13,1 | 39,5 | 28,4 | 58,1 | 16 | 257 |  | | 根据要求 | | | 03420-11844716050 | 红色 RAL 3020 | 33 | 70,2 | 16 | 19 | 26,3 | 47 | 50 | 13,1 | 39,5 | 28,4 | 63,1 | 16 | 257 |  | | 根据要求 | | | 03420-11844716060 | 红色 RAL 3020 | 33 | 70,2 | 16 | 19 | 26,3 | 47 | 60 | 13,1 | 39,5 | 28,4 | 73,1 | 16 | 257 |  | | 根据要求 | | | 03420-11844716070 | 红色 RAL 3020 | 33 | 70,2 | 16 | 19 | 26,3 | 47 | 70 | 13,1 | 39,5 | 28,4 | 83,1 | 16 | 257 |  | | 根据要求 | | | 03420-11844716080 | 红色 RAL 3020 | 33 | 70,2 | 16 | 19 | 26,3 | 47 | 80 | 13,1 | 39,5 | 28,4 | 93,1 | 16 | 257 |  | | 根据要求 | |
|
|