|
|
|
03420-10塑料 L 型把手快锁插销和齿顶锁定装置 |
返回 |
|
|
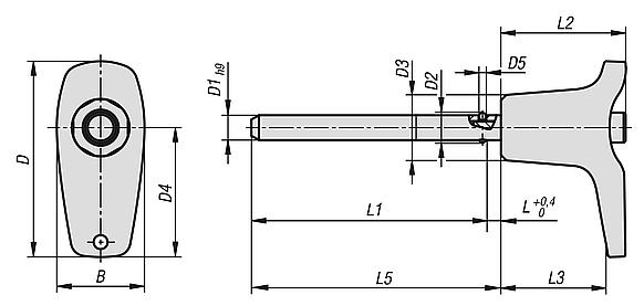
产品说明材料:热塑性塑料把手。
1.4305 不锈钢压紧旋钮。
销钉,不锈钢 1.4305。
1.4125 不锈钢顶珠。
1.4310 不锈钢压力弹簧。 规格:黑灰色把手。 光亮不锈钢。提示:快锁插销用于快捷简便地固定和连接部件和工件。 按下把手上的压紧旋钮可以解锁两个顶珠,并插入需要连接的工件。释放压紧旋钮,顶珠重新锁紧,形成可靠的连接。
两端剪切力 (F) = S · τ aB max.
剪切力的数据与理论断裂载荷相关。 这些是不具约束力的指导值,未考虑安全因素,且不承担任何责任。给出的数值仅供参考,并不对财产构成任何相关法律保证。
负载值根据 DIN 50141 计算得出。每位用户必须单独确定快锁插销是否适合各自的使用。
制作快锁插销材料的多样性、天气条件和磨损会影响确定的数值。优点:可跨越很大距离连接。 应用极为灵活,因为螺栓的长度无需与部件的宽度相匹配。根据要求:其他螺栓长度。附件:快锁插销的固定衬套,带齿顶锁定装置 03425 螺旋安全绳 03199 带吊环的挂绳 03199 钥匙圈 03199特点: 下载此处为收集信息的 PDF:
查找 CAD 数据?请直接在产品列表中查找。
|
| 订货号 | B | D | D1 | D2 | D3 | D4 | D5 | L | L1 | L2 | L3 | L5 | 安装孔 H11 | 双边径向力 max. kN | CAD | 配件 | 价格 | 订购 |
|---|
| 03420-10-102605050 | 17,6 | 39,3 | 5 | 5,5 | 13,2 | 26 | 1,5 | 3 | 47 | 25 | 19,2 | 50 | 5 | 10 |  | | 根据要求 | | | 03420-10-102605100 | 17,6 | 39,3 | 5 | 5,5 | 13,2 | 26 | 1,5 | 3 | 97 | 25 | 19,2 | 100 | 5 | 10 |  | | 根据要求 | | | 03420-10-102605150 | 17,6 | 39,3 | 5 | 5,5 | 13,2 | 26 | 1,5 | 3 | 147 | 25 | 19,2 | 150 | 5 | 10 |  | | 根据要求 | | | 03420-10-102606050 | 17,6 | 39,3 | 6 | 6,85 | 13,2 | 26 | 2 | 3 | 47 | 25 | 19,2 | 50 | 6 | 14 |  | | 根据要求 | | | 03420-10-102606100 | 17,6 | 39,3 | 6 | 6,85 | 13,2 | 26 | 2 | 3 | 97 | 25 | 19,2 | 100 | 6 | 14 |  | | 根据要求 | | | 03420-10-102606150 | 17,6 | 39,3 | 6 | 6,85 | 13,2 | 26 | 2 | 3 | 147 | 25 | 19,2 | 150 | 6 | 14 |  | | 根据要求 | | | 03420-10-103508100 | 23 | 52,2 | 8 | 9,5 | 17,3 | 35,4 | 3 | 3,5 | 96,5 | 33 | 24,2 | 100 | 8 | 26 |  | | 根据要求 | | | 03420-10-103508150 | 23 | 52,2 | 8 | 9,5 | 17,3 | 35,4 | 3 | 3,5 | 146,5 | 33 | 24,2 | 150 | 8 | 26 |  | | 根据要求 | | | 03420-10-103508200 | 23 | 52,2 | 8 | 9,5 | 17,3 | 35,4 | 3 | 3,5 | 196,5 | 33 | 24,2 | 200 | 8 | 26 |  | | 根据要求 | | | 03420-10-103510100 | 23 | 52,2 | 10 | 12 | 17,3 | 35,4 | 4 | 3,5 | 96,5 | 33 | 24,2 | 100 | 10 | 40 |  | | 根据要求 | | | 03420-10-103510150 | 23 | 52,2 | 10 | 12 | 17,3 | 35,4 | 4 | 3,5 | 146,5 | 33 | 24,2 | 150 | 10 | 40 |  | | 根据要求 | | | 03420-10-103510200 | 23 | 52,2 | 10 | 12 | 17,3 | 35,4 | 4 | 3,5 | 196,5 | 33 | 24,2 | 200 | 10 | 40 |  | | 根据要求 | | | 03420-10-104712150 | 33 | 70,2 | 12 | 14,5 | 26,3 | 47 | 4,5 | 3,5 | 146,5 | 39,5 | 28,4 | 150 | 12 | 57 |  | | 根据要求 | | | 03420-10-104712200 | 33 | 70,2 | 12 | 14,5 | 26,3 | 47 | 4,5 | 3,5 | 196,5 | 39,5 | 28,4 | 200 | 12 | 57 |  | | 根据要求 | | | 03420-10-104712250 | 33 | 70,2 | 12 | 14,5 | 26,3 | 47 | 4,5 | 3,5 | 246,5 | 39,5 | 28,4 | 250 | 12 | 57 |  | | 根据要求 | | | 03420-10-104716150 | 33 | 70,2 | 16 | 19 | 26,3 | 47 | 6,5 | 4 | 146 | 39,5 | 28,4 | 150 | 16 | 100 |  | | 根据要求 | | | 03420-10-104716200 | 33 | 70,2 | 16 | 19 | 26,3 | 47 | 6,5 | 4 | 196 | 39,5 | 28,4 | 200 | 16 | 100 |  | | 根据要求 | | | 03420-10-104716250 | 33 | 70,2 | 16 | 19 | 26,3 | 47 | 6,5 | 4 | 246 | 39,5 | 28,4 | 250 | 16 | 100 |  | | 根据要求 | |
|
|