norelem 使用 Cookies 以优化设计和持续改进网页。您通过继续使用网页,同意使用 Cookies。在我们的数据保护声明中可以找到有关 Cookies 主题的详细信息。同意
T型锁紧把手 固定式或活动式,DIN 6305 和 DIN 6307
06140

T型锁紧把手 固定式或活动式,DIN 6305 和 DIN 6307

返回

商品描述/产品说明

查看/筛选所有商品
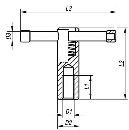
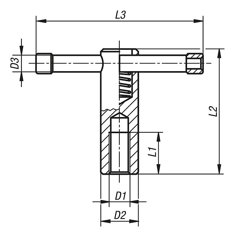
产品说明材料:钢制。规格:黑色氧化处理。提示:如果是带活动手柄的锁紧手柄,操作杆可移动到任意位置并通过内置弹簧固定。末端凸起防止操作杆拉出。
如果是带固定手柄的锁紧手柄,操作杆固定。
下载此处为收集信息的 PDF:

查找 CAD 数据?请直接在产品列表中查找。
 Datasheet 06140 T型锁紧把手 固定式或活动式,DIN 6305 和 DIN 6307 198 kB

图片(总概述)

T型锁紧把手 固定式或活动式,DIN 6305 和 DIN 6307

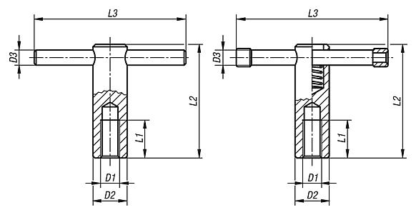
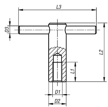
T型锁紧把手 固定式,DIN 6305

更多信息

图纸

T型锁紧把手 固定式,DIN 6305

商品选择/筛选

订货号

类型 1D1D2D3L1L2L3CAD配件价格订购
06140-110固定手柄M10188206080 根据要求
06140-112固定手柄M1220102570100 根据要求
06140-116固定手柄M1624123585120 根据要求
06140-120固定手柄M2030164095140 根据要求

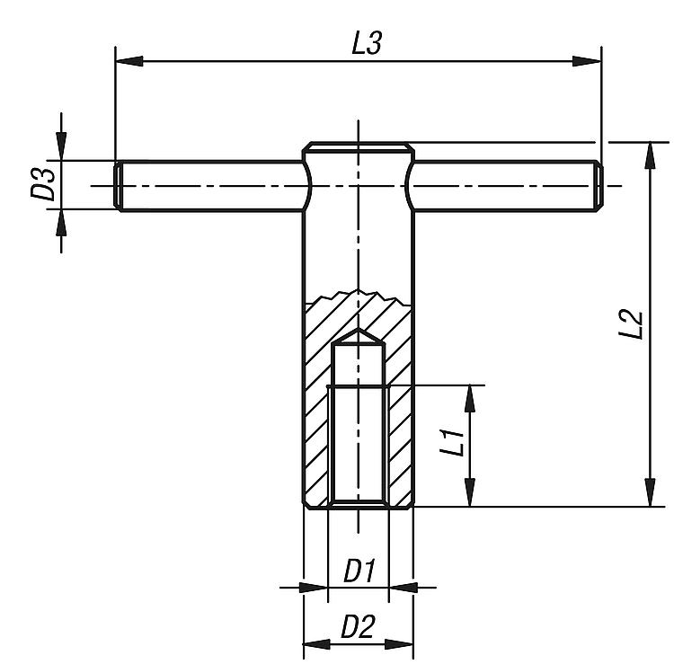
T型锁紧把手 活动式,DIN 6307

更多信息

图纸

T型锁紧把手 活动式,DIN 6307

商品选择/筛选

订货号

类型 1D1D2D3L1L2L3CAD配件价格订购
06140-210转动手柄M10188206080 根据要求
06140-212转动手柄M1220102570100 根据要求
06140-216转动手柄M1624133585120 根据要求
06140-220转动手柄M2030164095140 根据要求
我的 norelemE-Mail密码
购物车
商品数量: 0
总数: 0.00  
点击购物车
欢迎扫描二维码
咨询诺瑞朗官方客服微信
中国
苏ICP备20011289号-1  苏公网安备32058502011222 网页地图 打印 推荐 Top
Copyright © 2025 norelem. 保留所有权利。 电话 +49 71 45/206-44 至 45 · 传真 +49 71 45/206-83