norelem 使用 Cookies 以优化设计和持续改进网页。您通过继续使用网页,同意使用 Cookies。在我们的数据保护声明中可以找到有关 Cookies 主题的详细信息。同意

商品描述/产品说明

查看/筛选所有商品
产品说明材料:强度 5.8 的钢制部件
手柄球,热固塑料 PF 31,黑色。
规格:黑色氧化处理。提示:锁紧手柄可用于简单的夹紧任务和开关操作。
需要足够的操作空间,保证控制手柄能够旋转 360°。
带内星的规格,设计为转动每格 45°。
根据要求:其他内螺纹、定位孔和内星。
尺寸“A”可按照需要提供其他长度,但需另行支付费用。
特点:
RoHS
下载此处为收集信息的 PDF:

查找 CAD 数据?请直接在产品列表中查找。
 Datasheet 06342 锁紧把手 190 kB

图片(总概述)

锁紧把手

锁紧把手 内螺纹

更多信息

图纸

锁紧把手 内螺纹

商品选择/筛选

订货号固定方式XA=手柄长度A1D

D1D2HH1H2CAD配件价格订购
06342-206内螺纹M675152582014228,5 根据要求
06342-208内螺纹M875152582014228,5 根据要求
06342-210内螺纹M1075152582014228,5 根据要求
06342-212内螺纹M1210015331025172710 根据要求
06342-216内螺纹M1610015331025172710 根据要求
06342-220内螺纹M2012815411230203611,5 根据要求
06342-224内螺纹M2412815411230203611,5 根据要求

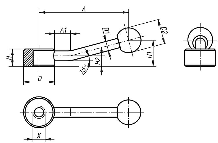
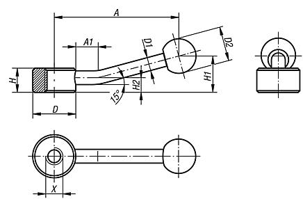
锁紧把手 定位孔

更多信息

图纸

锁紧把手 定位孔

商品选择/筛选

订货号固定方式XA=手柄长度A1D

D1D2HH1H2CAD配件价格订购
06342-106带键槽孔675152582014228,5 根据要求
06342-108带键槽孔875152582014228,5 根据要求
06342-110带键槽孔1075152582014228,5 根据要求
06342-112带键槽孔1210015331025172710 根据要求
06342-116带键槽孔1610015331025172710 根据要求
06342-120带键槽孔2012815411230203611,5 根据要求
06342-124带键槽孔2412815411230203611,5 根据要求

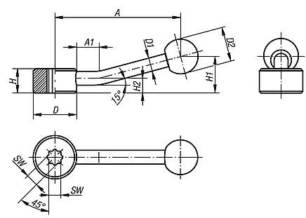
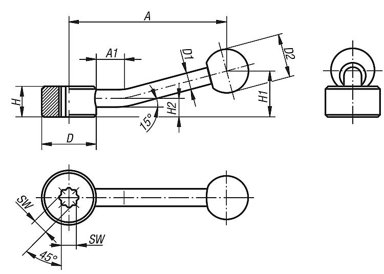
锁紧把手 内星

更多信息

图纸

锁紧把手 内星

商品选择/筛选

订货号固定方式SWA=手柄长度A1D

D1

D2HH1H2CAD配件价格订购
06342-305内星5,575152582014228,5 根据要求
06342-307内星775152582014228,5 根据要求
06342-309内星910015331025172710 根据要求
06342-311内星1110015331025172710 根据要求
06342-314内星1412815411230203611,5 根据要求
06342-319内星1912815411230203611,5 根据要求
我的 norelemE-Mail密码
购物车
商品数量: 0
总数: 0.00  
点击购物车
欢迎扫描二维码
咨询诺瑞朗官方客服微信
中国
苏ICP备20011289号-1  苏公网安备32058502011222 网页地图 打印 推荐 Top
Copyright © 2025 norelem. 保留所有权利。 电话 +49 71 45/206-44 至 45 · 传真 +49 71 45/206-83