norelem 使用 Cookies 以优化设计和持续改进网页。您通过继续使用网页,同意使用 Cookies。在我们的数据保护声明中可以找到有关 Cookies 主题的详细信息。同意
锁紧把手 不锈钢,内螺纹
06371

锁紧把手 不锈钢,内螺纹

返回

商品描述/产品说明

查看/筛选所有商品
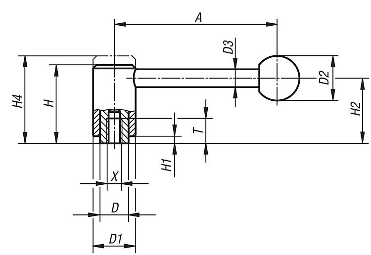
产品说明材料:

金属件不锈钢 1.4305。
塑料手柄球,黑色。

规格:不锈钢制部件,亮色。
手柄球经抛光处理。
根据要求:其他内螺纹和特殊类型。
尺寸“H1” 和“A”可按照需要提供其他长度,但需另行支付费用。
特点:
不锈钢RoHS
下载此处为收集信息的 PDF:

查找 CAD 数据?请直接在产品列表中查找。
 Datasheet 06371 锁紧把手 不锈钢,内螺纹 231 kB

图片(总概述)

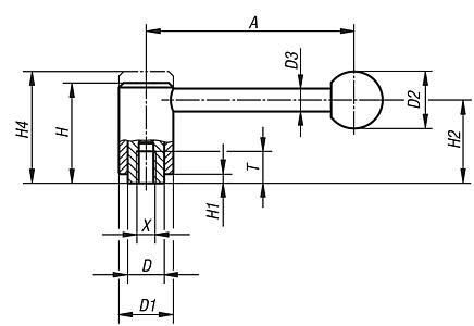
锁紧把手 不锈钢,内螺纹

锁紧把手 不锈钢,内螺纹,0 度

更多信息

图纸

锁紧把手 不锈钢,内螺纹,0 度

商品选择/筛选

订货号类型XTA=手柄长度D

D1D2D3HH1H2H4齿数

CAD配件价格订购
06371-1082M814921624251044,54,53749,522 根据要求
06371-1102M1014921624251044,54,53749,522 根据要求
06371-2102M10171111928321251,55,54257,524 根据要求
06371-2122M12171111928321251,55,54257,524 根据要求
06371-3122M1223134,523333213586476526 根据要求
06371-3162M1623134,523333213586476526 根据要求
06371-4162M16271343041321368,57,556,576,536 根据要求
06371-4202M20271343041321368,57,556,576,536 根据要求

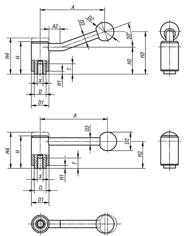
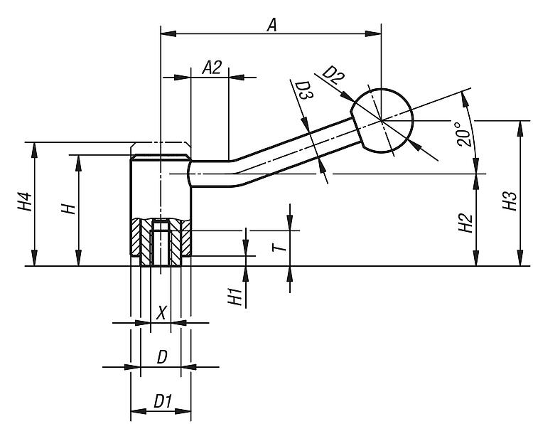
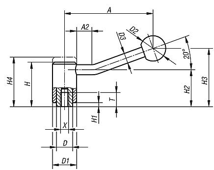
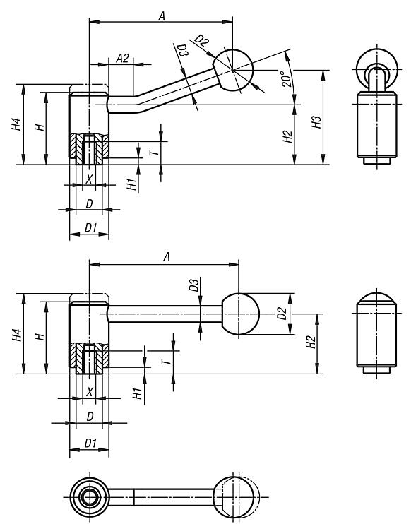
锁紧把手 不锈钢,内螺纹,20 度

更多信息

图纸

锁紧把手 不锈钢,内螺纹,20 度

商品选择/筛选

订货号类型XTAA2D

D1D2D3HH1H2H3H4齿数

CAD配件价格订购
06371-108120°M81488151624251044,54,53758,549,522 根据要求
06371-110120°M101488151624251044,54,53758,549,522 根据要求
06371-210120°M1017106151928321251,55,54268,557,524 根据要求
06371-212120°M1217106151928321251,55,54268,557,524 根据要求
06371-312120°M1223128,5152333321358647816526 根据要求
06371-316120°M1623128,5152333321358647816526 根据要求
06371-416120°M1627128,5153041321368,57,556,589,576,536 根据要求
06371-420120°M2027128,5153041321368,57,556,589,576,536 根据要求
我的 norelemE-Mail密码
购物车
商品数量: 0
总数: 0.00  
点击购物车
欢迎扫描二维码
咨询诺瑞朗官方客服微信
中国
苏ICP备20011289号-1  苏公网安备32058502011222 网页地图 打印 推荐 Top
Copyright © 2025 norelem. 保留所有权利。 电话 +49 71 45/206-44 至 45 · 传真 +49 71 45/206-83