norelem 使用 Cookies 以优化设计和持续改进网页。您通过继续使用网页,同意使用 Cookies。在我们的数据保护声明中可以找到有关 Cookies 主题的详细信息。同意

商品描述/产品说明

查看/筛选所有商品
产品说明材料:

金属件不锈钢 1.4305。
塑料手柄球,黑色。

规格:不锈钢制部件,亮色。
手柄球经抛光处理。
提示:锁紧手柄可用于简单的夹紧任务和开关操作。
必要时需要足够的操作空间,保证锁紧手柄能够旋转 360°。
根据要求:其他内螺纹、定位孔和特殊类型。
尺寸“A”可按照需要提供其他长度,但需另行支付费用。
特点:
不锈钢RoHS
下载此处为收集信息的 PDF:

查找 CAD 数据?请直接在产品列表中查找。
 Datasheet 06341 不锈钢锁紧手柄 173 kB

图片(总概述)

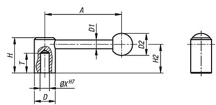
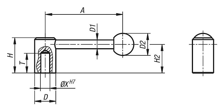
不锈钢锁紧手柄

不锈钢锁紧手柄,带内螺纹,0 度

更多信息

图纸

不锈钢锁紧手柄,带内螺纹,0 度

商品选择/筛选

订货号螺纹类型类型尺寸XTD

D1

D2HH2ACAD配件价格订购
06341-2082内螺纹1M8182410254032,588,1 根据要求
06341-2102内螺纹1M10182410254032,588,1 根据要求
06341-21012内螺纹2M10202812324636,5104 根据要求
06341-2122内螺纹2M12202812324636,5104 根据要求
06341-2162内螺纹3M16233313325241126,5 根据要求
06341-2202内螺纹4M20264113326149128,5 根据要求

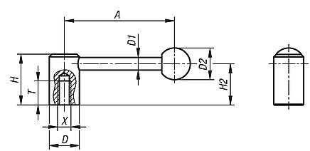
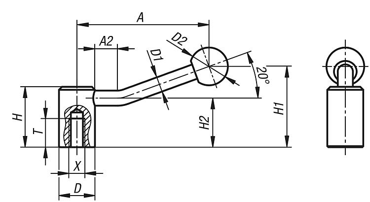
不锈钢锁紧手柄,带内螺纹,20 度

更多信息

图纸

不锈钢锁紧手柄,带内螺纹,20 度

商品选择/筛选

订货号螺纹类型类型尺寸XTD

D1

D2HH2ACAD配件价格订购
06341-208内螺纹20°1M8182410254032,584,5 根据要求
06341-210内螺纹20°1M10182410254032,584,5 根据要求
06341-2101内螺纹20°2M10202812324636,5100 根据要求
06341-212内螺纹20°2M12202812324636,5100 根据要求
06341-216内螺纹20°3M16233313325241121 根据要求
06341-220内螺纹20°4M20264113326149123 根据要求

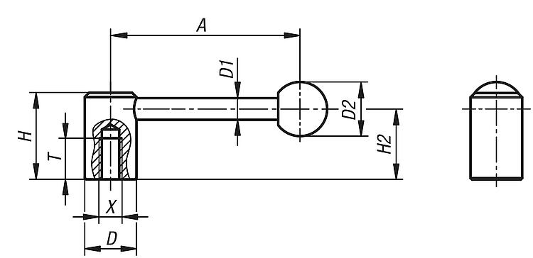
带定位孔的不锈钢锁紧手柄,0 度

更多信息

图纸

带定位孔的不锈钢锁紧手柄,0 度

商品选择/筛选

订货号螺纹类型类型尺寸

XTD

D1

D2HH1H2AA2CAD配件价格订购
06341-1102带键槽孔1102224102540-32,588,1- 根据要求
06341-1122带键槽孔2122528123246-36,5104- 根据要求
06341-1142带键槽孔2142528123246-36,5104- 根据要求
06341-1162带键槽孔3162833133252-41126,5- 根据要求
06341-1202带键槽孔4203241133261-49128,5- 根据要求

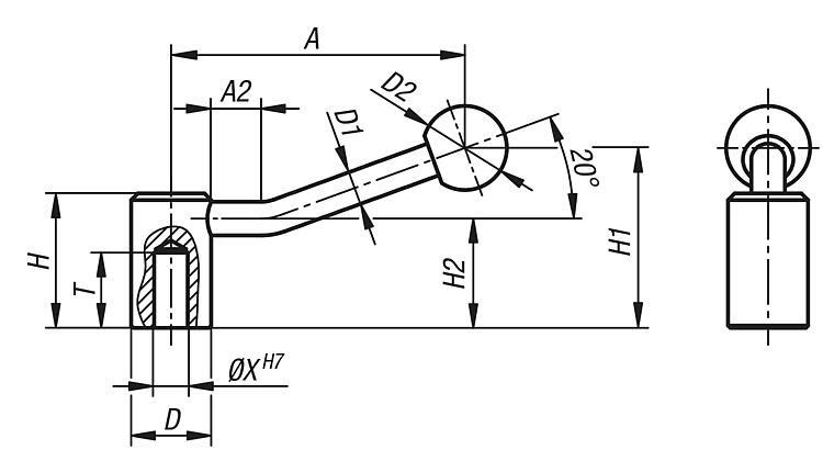
带定位孔的不锈钢锁紧手柄,20 度

更多信息

图纸

带定位孔的不锈钢锁紧手柄,20 度

商品选择/筛选

订货号螺纹类型类型尺寸

XTD

D1

D2HH1H2AA2CAD配件价格订购
06341-110带键槽孔20°110222410254052,532,584,515 根据要求
06341-112带键槽孔20°21225281232466136,510015 根据要求
06341-114带键槽孔20°21425281232466136,510015 根据要求
06341-116带键槽孔20°3162833133252724112115 根据要求
06341-120带键槽孔20°4203241133261804912315 根据要求
我的 norelemE-Mail密码
购物车
商品数量: 0
总数: 0.00  
点击购物车
欢迎扫描二维码
咨询诺瑞朗官方客服微信
中国
苏ICP备20011289号-1  苏公网安备32058502011222 网页地图 打印 推荐 Top
Copyright © 2025 norelem. 保留所有权利。 电话 +49 71 45/206-44 至 45 · 传真 +49 71 45/206-83