norelem 使用 Cookies 以优化设计和持续改进网页。您通过继续使用网页,同意使用 Cookies。在我们的数据保护声明中可以找到有关 Cookies 主题的详细信息。同意
T型锁紧把手 固定式或活动式,DIN 6304 和 DIN 6306
06150

T型锁紧把手 固定式或活动式,DIN 6304 和 DIN 6306

返回

商品描述/产品说明

查看/筛选所有商品
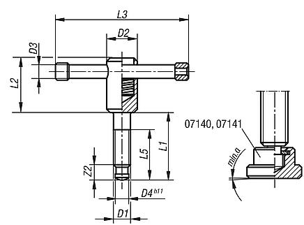
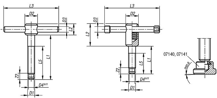
产品说明材料:钢制。规格:黑色氧化,止推 把手支脚经淬火处理。提示:如果是带活动手柄的锁紧手柄,操作杆可移动到任意位置并通过内置弹簧固定。末端凸起防止操作杆拉出。如果是带固定手柄的锁紧手柄,操作杆固定。特点:
RoHS
下载此处为收集信息的 PDF:

查找 CAD 数据?请直接在产品列表中查找。
 Datasheet 06150 T型锁紧把手 固定式或活动式,DIN 6304 和 DIN 6306 236 kB

图片(总概述)

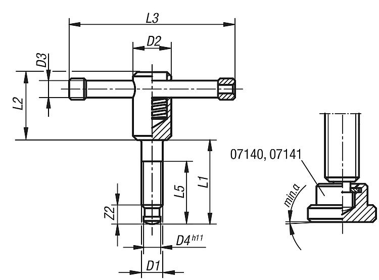
T型锁紧把手 固定式或活动式,DIN 6304 和 DIN 6306

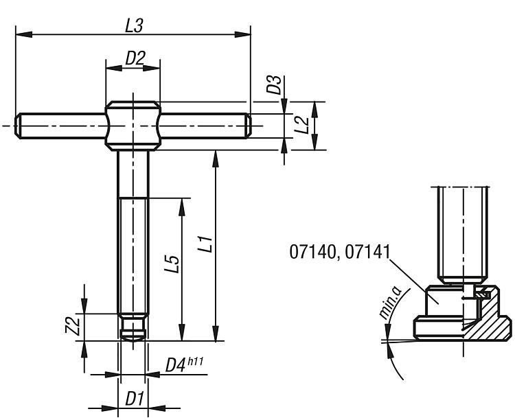
T型锁紧把手 固定式,DIN 6304

更多信息

图纸

T型锁紧把手 固定式,DIN 6304

商品选择/筛选

订货号

类型 1D1D2D3D4L1L2L3L5Z2min. αCAD配件价格订购
06150-106X40固定手柄M61254,5401050306 根据要求
06150-106X50固定手柄M61254,5501050406 根据要求
06150-108X50固定手柄M81466501260357,5 根据要求
06150-108X60固定手柄M81466601260457,5 根据要求
06150-110X60固定手柄M101888601480409 根据要求
06150-110X70固定手柄M101888701480509 根据要求
06150-112X70固定手柄M122010870181005010 根据要求
06150-112X80固定手柄M122010880181006010 根据要求
06150-116X75固定手柄M1624121275201205512 根据要求
06150-116X90固定手柄M1624121290201207012 根据要求
06150-116X110固定手柄M16241212110201209012 根据要求
06150-120X75固定手柄M20301615,575281405514 根据要求
06150-120X90固定手柄M20301615,590281407014 根据要求
06150-120X110固定手柄M20301615,5110281409014 根据要求

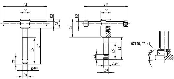
T型锁紧把手 活动式,DIN 6306

更多信息

图纸

T型锁紧把手 活动式,DIN 6306

商品选择/筛选

订货号

类型 1D1D2D3D4L1L2L3L5Z2min. αCAD配件价格订购
06150-210X40转动手柄M101888403280309 根据要求
06150-210X50转动手柄M101888503280409 根据要求
06150-212X50转动手柄M122010850351004010 根据要求
06150-212X60转动手柄M122010860351005010 根据要求
06150-216X55转动手柄M1624131255401204512 根据要求
06150-216X70转动手柄M1624131270401206012 根据要求
06150-216X90转动手柄M1624131290401208012 根据要求
06150-220X55转动手柄M20301615,555451404514 根据要求
06150-220X70转动手柄M20301615,570451406014 根据要求
06150-220X90转动手柄M20301615,590451408014 根据要求
我的 norelemE-Mail密码
购物车
商品数量: 0
总数: 0.00  
点击购物车
欢迎扫描二维码
咨询诺瑞朗官方客服微信
中国
苏ICP备20011289号-1  苏公网安备32058502011222 网页地图 打印 推荐 Top
Copyright © 2025 norelem. 保留所有权利。 电话 +49 71 45/206-44 至 45 · 传真 +49 71 45/206-83