|
|
|
24105小型磨削滚珠丝杠,带旋入式圆柱形螺母 |
返回 |
|
|
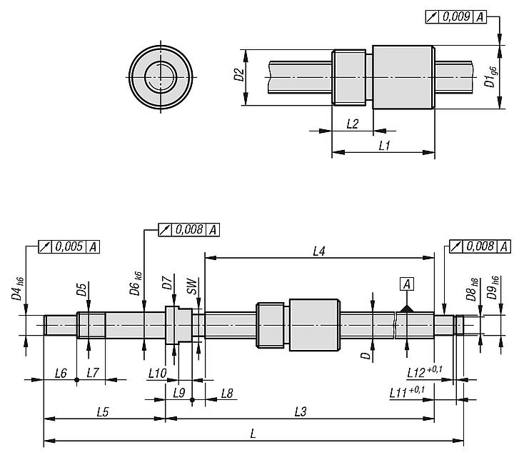
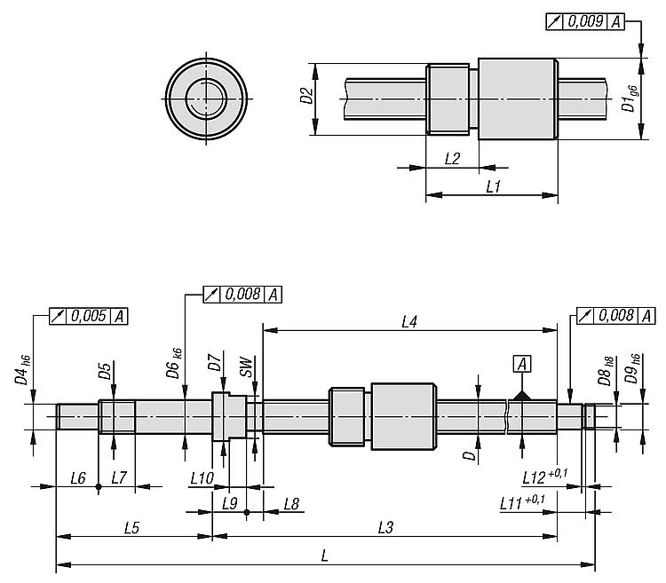
产品说明材料:主轴,钢制 1.1213 或不锈钢 1.4112。
螺母,钢制 1.3505 或不锈钢 1.4034。 规格:经打磨处理的丝杠和螺母,感应淬火至 62 ±2 HRC 并经抛光处理。提示:带已加工轴端和旋入式圆柱形螺母的小型滚珠丝杠。供货状态下已上油。建议重新润滑。
根据精度等级 C5 制造。无预应力,具有轴向间隙(最大 0.008 mm)。
用于光学、食品工业、自动化、医疗技术、军火工业、宇宙航行和精密仪器技术。注意:不得从丝杠移除旋入式圆柱形螺母,否则顶珠会掉出。 下载此处为收集信息的 PDF:
查找 CAD 数据?请直接在产品列表中查找。
|
| 订货号 | 主体 材料 | D
| 螺距 | 行程 S | D1 | D2 | D4 | D5 | D6 | D7 | D8 | D9 | L | L1 | L2 | L3 | L4 | L5 | L6 | L7 | L8 | L9 | L10 | L11 | L12 | CAD | 配件 | 价格 | 订购 |
|---|
| 24105-0810050 | 钢制 | 8 | 1 | 50 | 16 | M14x1 | 6 | M8x1 | 8 | 11,5 | 5,7 | 6 | 148 | 22 | 8 | 102 | 90 | 37 | 10 | 9 | 4 | 8 | 4 | 6,8 | 0,8 |  | | 根据要求 | | | 24105-0810100 | 钢制 | 8 | 1 | 100 | 16 | M14x1 | 6 | M8x1 | 8 | 11,5 | 5,7 | 6 | 198 | 22 | 8 | 152 | 140 | 37 | 10 | 9 | 4 | 8 | 4 | 6,8 | 0,8 |  | | 根据要求 | | | 24105-0810150 | 钢制 | 8 | 1 | 150 | 16 | M14x1 | 6 | M8x1 | 8 | 11,5 | 5,7 | 6 | 248 | 22 | 8 | 202 | 190 | 37 | 10 | 9 | 4 | 8 | 4 | 6,8 | 0,8 |  | | 根据要求 | | | 24105-0820050 | 钢制 | 8 | 2 | 50 | 16 | M14x1 | 6 | M8x1 | 8 | 11,5 | 5,7 | 6 | 148 | 27 | 8 | 102 | 90 | 37 | 10 | 9 | 4 | 8 | 4 | 6,8 | 0,8 |  | | 根据要求 | | | 24105-0820100 | 钢制 | 8 | 2 | 100 | 16 | M14x1 | 6 | M8x1 | 8 | 11,5 | 5,7 | 6 | 198 | 27 | 8 | 152 | 140 | 37 | 10 | 9 | 4 | 8 | 4 | 6,8 | 0,8 |  | | 根据要求 | | | 24105-0820150 | 钢制 | 8 | 2 | 150 | 16 | M14x1 | 6 | M8x1 | 8 | 11,5 | 5,7 | 6 | 248 | 27 | 8 | 202 | 190 | 37 | 10 | 9 | 4 | 8 | 4 | 6,8 | 0,8 |  | | 根据要求 | | | 24105-1020100 | 钢制 | 10 | 2 | 100 | 18 | M16x1 | 6 | M8x1 | 8 | 11,5 | 5,7 | 6 | 208 | 28,5 | 7 | 162 | 150 | 37 | 10 | 9 | 4 | 8 | 4 | 6,8 | 0,8 |  | | 根据要求 | | | 24105-1020150 | 钢制 | 10 | 2 | 150 | 18 | M16x1 | 6 | M8x1 | 8 | 11,5 | 5,7 | 6 | 258 | 28,5 | 7 | 212 | 200 | 37 | 10 | 9 | 4 | 8 | 4 | 6,8 | 0,8 |  | | 根据要求 | | | 24105-1020200 | 钢制 | 10 | 2 | 200 | 18 | M16x1 | 6 | M8x1 | 8 | 11,5 | 5,7 | 6 | 308 | 28,5 | 7 | 262 | 250 | 37 | 10 | 9 | 4 | 8 | 4 | 6,8 | 0,8 |  | | 根据要求 | | | 24105-1220150 | 钢制 | 12 | 2 | 150 | 20,5 | M18x1 | 8 | M10x1 | 10 | 14 | 7,6 | 8 | 280 | 29 | 10 | 225 | 210 | 45 | 15 | 10 | 5 | 10 | 5 | 7,9 | 0,9 |  | | 根据要求 | | | 24105-1220200 | 钢制 | 12 | 2 | 200 | 20,5 | M18x1 | 8 | M10x1 | 10 | 14 | 7,6 | 8 | 330 | 29 | 10 | 275 | 260 | 45 | 15 | 10 | 5 | 10 | 5 | 7,9 | 0,9 |  | | 根据要求 | | | 24105-1220250 | 钢制 | 12 | 2 | 250 | 20,5 | M18x1 | 8 | M10x1 | 10 | 14 | 7,6 | 8 | 380 | 29 | 10 | 325 | 310 | 45 | 15 | 10 | 5 | 10 | 5 | 7,9 | 0,9 |  | | 根据要求 | | | 24105-10810050 | 不锈钢 | 8 | 1 | 50 | 16 | M14x1 | 6 | M8x1 | 8 | 11,5 | 5,7 | 6 | 148 | 22 | 8 | 102 | 90 | 37 | 10 | 9 | 4 | 8 | 4 | 6,8 | 0,8 |  | | 根据要求 | | | 24105-10820050 | 不锈钢 | 8 | 2 | 50 | 16 | M14x1 | 6 | M8x1 | 8 | 11,5 | 5,7 | 6 | 148 | 27 | 8 | 102 | 90 | 37 | 10 | 9 | 4 | 8 | 4 | 6,8 | 0,8 |  | | 根据要求 | |
| 订货号 | 主体 材料 | SW | 负载滚珠 圈数 | 螺旋角 | 球-Ø | 额定负载 动态 N | 额定负载 静态 N | 最高转速 r/min | CAD | 配件 | 价格 | 订购 |
|---|
| 24105-0810050 | 钢制 | 10 | 1 x 3 | 2° 13’ | 0,8 | 700 | 1300 | 3200 |  | | 根据要求 | | | 24105-0810100 | 钢制 | 10 | 1 x 3 | 2° 13’ | 0,8 | 700 | 1300 | 3200 |  | | 根据要求 | | | 24105-0810150 | 钢制 | 10 | 1 x 3 | 2° 13’ | 0,8 | 700 | 1300 | 3200 |  | | 根据要求 | | | 24105-0820050 | 钢制 | 10 | 1 x 3 | 4° 23’ | 1,6 | 1350 | 2250 | 4200 |  | | 根据要求 | | | 24105-0820100 | 钢制 | 10 | 1 x 3 | 4° 23’ | 1,6 | 1350 | 2250 | 4200 |  | | 根据要求 | | | 24105-0820150 | 钢制 | 10 | 1 x 3 | 4° 23’ | 1,6 | 1350 | 2250 | 4200 |  | | 根据要求 | | | 24105-1020100 | 钢制 | 10 | 1 x 3 | 2° 32’ | 1,6 | 1500 | 2900 | 4000 |  | | 根据要求 | | | 24105-1020150 | 钢制 | 10 | 1 x 3 | 2° 32’ | 1,6 | 1500 | 2900 | 4000 |  | | 根据要求 | | | 24105-1020200 | 钢制 | 10 | 1 x 3 | 2° 32’ | 1,6 | 1500 | 2900 | 4000 |  | | 根据要求 | | | 24105-1220150 | 钢制 | 12 | 1 x 3 | 2° 58’ | 1,6 | 1700 | 3700 | 3400 |  | | 根据要求 | | | 24105-1220200 | 钢制 | 12 | 1 x 3 | 2° 58’ | 1,6 | 1700 | 3700 | 3400 |  | | 根据要求 | | | 24105-1220250 | 钢制 | 12 | 1 x 3 | 2° 58’ | 1,6 | 1700 | 3700 | 3400 |  | | 根据要求 | | | 24105-10810050 | 不锈钢 | 10 | 1 x 3 | 2° 13’ | 0,8 | 670 | 1290 | 3000 |  | | 根据要求 | | | 24105-10820050 | 不锈钢 | 10 | 1 x 3 | 4° 23’ | 1,6 | 900 | 1500 | 3000 |  | | 根据要求 | |
|
|