|
|
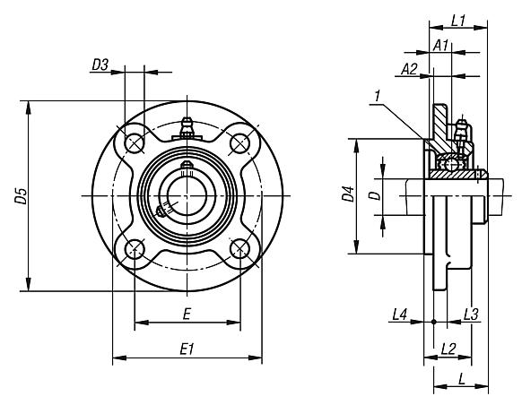
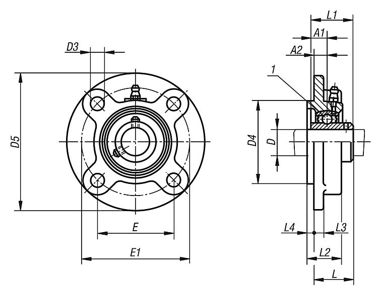
产品说明材料:灰口铸铁制壳体。 滚动轴承钢 100Cr6 制轴承。 橡胶 NBR 制密封件。规格:经涂漆处理的壳体。提示:壳体轴承座由一个密封、单列滚珠轴承和安装在壳体内的球形外环组成。得益于于轴承的球形外表面,轴的轴心偏差可以得到补偿。轴承为正公差。使用具有 h 公差过渡或滑配合的轴可实现这种效果。通过螺纹销将轴固定在内环上。
正常使用时,由于引入终生润滑,壳体轴承座是免维护的。如果严峻的环境条件使得需要重新润滑,可通过滑脂嘴后续喷涂润滑剂。
所有壳体尺寸均为标称尺寸,需考虑通常的铸造公差。温度范围:-15 °C 至 +100 °C。图纸提示:特点: 下载此处为收集信息的 PDF:
查找 CAD 数据?请直接在产品列表中查找。
|
| 订货号 | 轴承 | 壳体 | D | A1 | A2 | D3 | D4 | D5 | E | E1 | L | L1 | L2 | L3 | L4 | α | 固定 螺栓 | CAD | 配件 | 价格 | 订购 |
|---|
| 24212-20204 | UC 204 | FC 204 | 20 | 12,7 | 10 | 12 | 62 | 100 | 55,1 | 78 | 28,3 | 31 | 20,5 | 7 | 5 | 10° | M10 |  | | 根据要求 | | | 24212-25205 | UC 205 | FC 205 | 25 | 14,3 | 10 | 12 | 70 | 115 | 63,6 | 90 | 29,8 | 34 | 21 | 7 | 6 | 10° | M10 |  | | 根据要求 | | | 24212-30206 | UC 206 | FC 206 | 30 | 15,9 | 10 | 12 | 80 | 125 | 70,7 | 100 | 32,2 | 38,1 | 23 | 8 | 8 | 10° | M10 |  | | 根据要求 | | | 24212-35207 | UC 207 | FC 207 | 35 | 17,5 | 11 | 14 | 90 | 135 | 77,8 | 110 | 36,4 | 42,9 | 26 | 9 | 8 | 10° | M12 |  | | 根据要求 | | | 24212-40208 | UC 208 | FC 208 | 40 | 19 | 11 | 14 | 100 | 145 | 84,8 | 120 | 41,2 | 49,2 | 26 | 9 | 10 | 10° | M12 |  | | 根据要求 | | | 24212-45209 | UC 209 | FC 209 | 45 | 19 | 10 | 16 | 105 | 160 | 93,3 | 132 | 40,2 | 49,2 | 26 | 14 | 12 | 10° | M14 |  | | 根据要求 | | | 24212-50210 | UC 210 | FC 210 | 50 | 19 | 10 | 16 | 110 | 165 | 97,6 | 138 | 42,6 | 51,6 | 28 | 14 | 12 | 10° | M14 |  | | 根据要求 | | | 24212-55211 | UC 211 | FC 211 | 55 | 22,2 | 13 | 19 | 125 | 185 | 106,1 | 150 | 46,4 | 55,6 | 31 | 15 | 12 | 10° | M16 |  | | 根据要求 | | | 24212-60212 | UC 212 | FC 212 | 60 | 25,4 | 17 | 19 | 135 | 195 | 113,1 | 160 | 56,7 | 65,1 | 36 | 15 | 12 | 10° | M16 |  | | 根据要求 | |
|
|