|
|
|
24215UCFL 法兰轴承壳体轴承座 2孔 |
返回 |
|
|
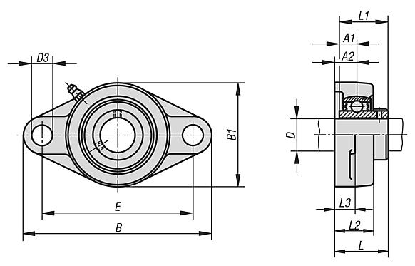
产品说明材料:灰口铸铁制壳体。 滚动轴承钢 100Cr6 制轴承。 橡胶 NBR 制密封件。规格:经涂漆处理的壳体。提示:壳体轴承座由一个密封、单列滚珠轴承和安装在壳体内的球形外环组成。得益于于轴承的球形外表面,轴的轴心偏差可以得到补偿。轴承为正公差。使用具有 h 公差过渡或滑配合的轴可实现这种效果。通过螺纹销将轴固定在内环上。
正常使用时,由于引入终生润滑,壳体轴承座是免维护的。如果严峻的环境条件使得需要重新润滑,可通过滑脂嘴后续喷涂润滑剂。
所有壳体尺寸均为标称尺寸,需考虑通常的铸造公差。温度范围:-15 °C 至 +100 °C。特点: 下载此处为收集信息的 PDF:
查找 CAD 数据?请直接在产品列表中查找。
|
| 订货号 | 轴承 | 壳体 | D | A1 | A2 | B | B1 | D3 | E | L | L1 | L2 | L3 | α | 固定 螺栓 | CAD | 配件 | 价格 | 订购 |
|---|
| 24215-12201 | UC 201 | FL 201 | 12 | 12,7 | 15 | 113 | 60 | 12 | 90 | 33,3 | 31 | 25,5 | 11 | 10° | M10 |  | | 根据要求 | | | 24215-15202 | UC 202 | FL 202 | 15 | 12,7 | 15 | 113 | 60 | 12 | 90 | 33,3 | 31 | 25,5 | 11 | 10° | M10 |  | | 根据要求 | | | 24215-17203 | UC 203 | FL 203 | 17 | 12,7 | 15 | 113 | 60 | 12 | 90 | 33,3 | 31 | 25,5 | 11 | 10° | M10 |  | | 根据要求 | | | 24215-20204 | UC 204 | FL 204 | 20 | 12,7 | 15 | 113 | 60 | 12 | 90 | 33,3 | 31 | 25,5 | 11 | 10° | M10 |  | | 根据要求 | | | 24215-25205 | UC 205 | FL 205 | 25 | 14,3 | 16 | 130 | 68 | 16 | 99 | 35,8 | 34 | 27 | 13 | 10° | M14 |  | | 根据要求 | | | 24215-30206 | UC 206 | FL 206 | 30 | 15,9 | 18 | 148 | 80 | 16 | 117 | 40,2 | 38,1 | 31 | 13 | 10° | M14 |  | | 根据要求 | | | 24215-35207 | UC 207 | FL 207 | 35 | 17,5 | 19 | 161 | 90 | 16 | 130 | 44,4 | 42,9 | 34 | 14 | 10° | M14 |  | | 根据要求 | | | 24215-40208 | UC 208 | FL 208 | 40 | 19 | 21 | 175 | 100 | 16 | 144 | 51,2 | 49,2 | 36 | 14 | 10° | M14 |  | | 根据要求 | | | 24215-45209 | UC 209 | FL 209 | 45 | 19 | 22 | 188 | 108 | 19 | 148 | 52,2 | 49,2 | 38 | 15 | 10° | M16 |  | | 根据要求 | | | 24215-50210 | UC 210 | FL 210 | 50 | 19 | 22 | 197 | 115 | 19 | 157 | 54,6 | 51,6 | 40 | 15 | 10° | M16 |  | | 根据要求 | | | 24215-55211 | UC 211 | FL 211 | 55 | 22,2 | 25 | 224 | 130 | 19 | 184 | 58,4 | 55,6 | 43 | 18 | 10° | M16 |  | | 根据要求 | | | 24215-60212 | UC 212 | FL 212 | 60 | 25,4 | 29 | 250 | 140 | 23 | 202 | 68,7 | 65,1 | 48 | 18 | 10° | M20 |  | | 根据要求 | |
|
|