|
|
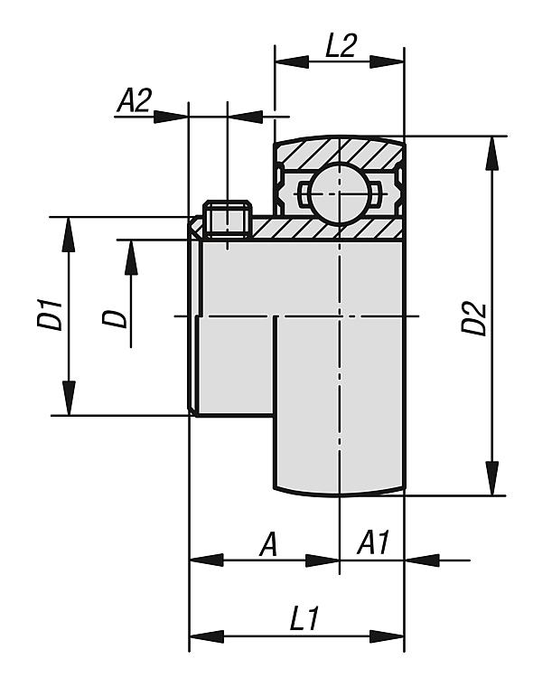
产品说明材料:滚动轴承钢 100Cr6。 橡胶 NBR 制密封件。规格:两侧密封且带球形外环。提示:嵌入轴承在其内部结构中对应 6200 和 6300 系列标准向心球轴承。但其具有可更轻易地固定在轴上的加宽内环。内环为正公差。使用具有 h 公差过渡或滑配合的轴可实现这种效果。通过 2 个位移 120° 的螺纹销将轴固定在内环上。
嵌入轴承通过合适的终生润滑滚动轴承润滑脂实现安装准备就绪。温度范围:-15 °C 至 +100 °C。特点: 下载此处为收集信息的 PDF:
查找 CAD 数据?请直接在产品列表中查找。
|
| 订货号 | 轴承 | D
| A | A1 | A2 | D1 | D2 | L1 | L2 | 埋头螺栓 | 额定负载 动态 kN | 额定负载 静态 kN | CAD | 配件 | 价格 | 订购 |
|---|
| 24235-12201 | B 201 | 12 | 16 | 6 | 4,5 | 24,7 | 40 | 22 | 12 | M5x0,8 | 7,36 | 4,48 |  | | 根据要求 | | | 24235-15202 | B 202 | 15 | 16 | 6 | 4,5 | 24,7 | 40 | 22 | 12 | M5x0,8 | 7,36 | 4,48 |  | | 根据要求 | | | 24235-17203 | B 203 | 17 | 16 | 6 | 4,5 | 24,7 | 40 | 22 | 12 | M5x0,8 | 7,36 | 4,48 |  | | 根据要求 | | | 24235-20204 | B 204 | 20 | 18 | 7 | 4,5 | 29 | 47 | 25 | 14 | M5x0,8 | 9,88 | 6,2 |  | | 根据要求 | | | 24235-25205 | B 205 | 25 | 19,5 | 7,5 | 5,5 | 34 | 52 | 27 | 15 | M6x0,75 | 10,78 | 6,98 |  | | 根据要求 | | | 24235-30206 | B 206 | 30 | 22 | 8 | 6 | 40,5 | 62 | 30 | 16 | M6x0,75 | 14,97 | 10,04 |  | | 根据要求 | | | 24235-35207 | B 207 | 35 | 23,5 | 8,5 | 6,5 | 48 | 72 | 32 | 17 | M8x1 | 19,75 | 13,67 |  | | 根据要求 | |
|
|