norelem 使用 Cookies 以优化设计和持续改进网页。您通过继续使用网页,同意使用 Cookies。在我们的数据保护声明中可以找到有关 Cookies 主题的详细信息。同意
不锈钢制 MUCF 法兰轴承壳体轴承单元
24242

不锈钢制 MUCF 法兰轴承壳体轴承单元

返回

商品描述/产品说明

产品说明材料:

不锈钢 1.4301 制壳体。
不锈钢 1.4125 制轴承。
橡胶 NBR 制密封件。

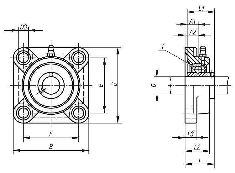
规格:亮色。提示:壳体轴承座由一个密封、单列滚珠轴承和安装在壳体内的球形外环组成。得益于于轴承的球形外表面,轴的轴心偏差可以得到补偿。轴承为正公差。使用具有 h 公差过渡或滑配合的轴可实现这种效果。通过螺纹销将轴固定在内环上。

正常使用时,由于引入终生润滑,壳体轴承座是免维护的。如果严峻的环境条件使得需要重新润滑,可通过滑脂嘴后续喷涂润滑剂。

所有壳体尺寸均为标称尺寸,需考虑通常的铸造公差。
温度范围:-15 °C 至 +100 °C。图纸提示:
1) 滚珠轴承
特点:
不锈钢RoHS
下载此处为收集信息的 PDF:

查找 CAD 数据?请直接在产品列表中查找。
 Datasheet 24242 不锈钢制 MUCF 法兰轴承壳体轴承单元 463 kB

图纸

不锈钢制 MUCF 法兰轴承壳体轴承单元

商品选择/筛选

订货号轴承壳体D

A1A2BD3ELL1L2L3固定
螺栓
CAD配件价格订购
24242-20204MUC 204F 2042012,71586126433,33125,512M10 根据要求
24242-25205MUC 205F 2052514,31695127035,834,12714,3M10 根据要求
24242-30206MUC 206F 2063015,918108128340,238,13114M10 根据要求
24242-35207MUC 207F 2073517,519117149244,442,93415,9M12 根据要求
24242-40208MUC 208F 2084019211301610251,249,23615,9M14 根据要求
24242-45209MUC 209F 2094519221371610552,249,23816,7M14 根据要求
24242-50210MUC 210F 2105019221431611154,651,64015,9M14 根据要求
我的 norelemE-Mail密码
购物车
商品数量: 0
总数: 0.00  
点击购物车
欢迎扫描二维码
咨询诺瑞朗官方客服微信
中国
苏ICP备20011289号-1  苏公网安备32058502011222 网页地图 打印 推荐 Top
Copyright © 2025 norelem. 保留所有权利。 电话 +49 71 45/206-44 至 45 · 传真 +49 71 45/206-83