norelem 使用 Cookies 以优化设计和持续改进网页。您通过继续使用网页,同意使用 Cookies。在我们的数据保护声明中可以找到有关 Cookies 主题的详细信息。同意

商品描述/产品说明

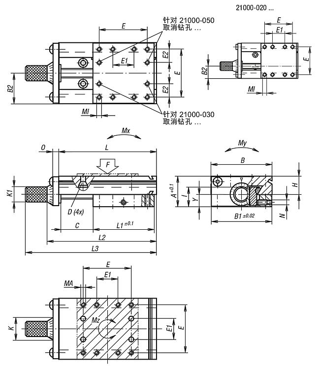
产品说明材料:铝 EN AW-6063。提示:这种精密滑轨主要用于机器、机械构造和测量仪制造以及光学和精密工程行业。
规定的允许载荷值 (F) 是为静态载荷设计的。
扭矩值仅适用于位于中间的滑撬。
插入用于移动滑块的千分尺滚花。

M1 = 螺栓沉孔。
TI = 内部固定孔 E1/E2/M1 的数量。
TA = 外部固定孔数量 E/E1/MA。
优点:- 无需高度和侧向位移的新型安全夹紧。
- 无间隙导杆。
- 可在 x-y-z 方向快速和随后组合。
应用:- 调整处理单元、测量摄像头、反射镜、显微镜和激光头(此外用于处理外科用针)。
- 微调钎焊头、等离子头和焊头。
- 聚焦烧嘴。
下载此处为收集信息的 PDF:

查找 CAD 数据?请直接在产品列表中查找。
 Datasheet 21000 带微米轴的燕尾形滑轨 317 kB

图纸

带微米轴的燕尾形滑轨

商品选择/筛选

订货号AB

B1B2D
适用螺栓
EE1E2TlTAHIKK1行程
S
CAD配件价格订购
21000-0200301320 -0,319,68,1M2126-8888,3106,35  根据要求
21000-0200351320 -0,319,68,1M2126-8888,3106,310  根据要求
21000-0200451320 -0,319,68,1M2126-8888,3106,320  根据要求
21000-0300401530 -0,329,613M32387,51089,89,8106,35  根据要求
21000-0300451530 -0,329,613M32387,51089,89,8106,310  根据要求
21000-0300551530 -0,329,613M32387,51089,89,8106,320  根据要求
21000-0500672350 -0,349,425M438161110814,515,62214,312  根据要求
21000-0500802350 -0,349,425M438161110814,515,62214,325  根据要求
21000-0501052350 -0,349,425M438161110814,515,62214,350  根据要求
21000-0801103480 -0,57940M56034131282322,52614,325  根据要求
21000-0801353480 -0,57940M56034131282322,52614,350  根据要求
21000-0801603480 -0,57940M56034131282322,52614,375  根据要求
21000-0801853480 -0,57940M56034131282322,52614,3100  根据要求
21000-12015045120 -0,511960M590402512830292614,325  根据要求
21000-12017545120 -0,511960M590402512830292614,350  根据要求
21000-12020045120 -0,511960M590402512830292614,375  根据要求
21000-12022545120 -0,511960M590402512830292614,3100  根据要求
订货号L

L1L2L3MIMANOYF
N
Mx
Nm
My
Nm
Mz
Nm
CAD配件价格订购
21000-020030302038,248,2M2x3M2x3M335,2M5x0,51800,4520,3  根据要求
21000-020035352043,253,2M2x3M2x3M335,2M5x0,51800,4520,3  根据要求
21000-020045452053,263,2M2x3M2x3M335,2M5x0,51800,4520,3  根据要求
21000-030040403048,258,2M3x4,5M3x4,5M435,8M5x0,53501,141  根据要求
21000-030045453053,263,2M3x4,5M3x4,5M435,8M5x0,53501,141  根据要求
21000-030055553063,273,2M3x4,5M3x4,5M435,8M5x0,53501,141  根据要求
21000-050067675078,298,2M4x6M4x8M4511,5M5x0,55402,582,3  根据要求
21000-050080805091,2111,2M4x6M4x8M4511,5M5x0,55402,582,3  根据要求
21000-05010510550116,2136,2M4x6M4x8M4511,5M5x0,55402,582,3  根据要求
21000-08011011080128,3148,3M5x7,5M5x10M6814M10x17508227  根据要求
21000-08013513580153,3173,3M5x7,5M5x10M6814M10x17508227  根据要求
21000-08016016080178,3198,3M5x7,5M5x10M6814M10x17508227  根据要求
21000-08018518580203,3223,3M5x7,5M5x10M6814M10x17508227  根据要求
21000-120150150120172,3192,3M5x10M5x10M61218,5M10x11500304518  根据要求
21000-120175175120197,3217,3M5x10M5x10M61218,5M10x11500304518  根据要求
21000-120200200120222,3242,3M5x10M5x10M61218,5M10x11500304518  根据要求
21000-120225225120247,3267,3M5x10M5x10M61218,5M10x11500304518  根据要求
我的 norelemE-Mail密码
购物车
商品数量: 0
总数: 0.00  
点击购物车
欢迎扫描二维码
咨询诺瑞朗官方客服微信
中国
苏ICP备20011289号-1  苏公网安备32058502011222 网页地图 打印 推荐 Top
Copyright © 2025 norelem. 保留所有权利。 电话 +49 71 45/206-44 至 45 · 传真 +49 71 45/206-83