norelem 使用 Cookies 以优化设计和持续改进网页。您通过继续使用网页,同意使用 Cookies。在我们的数据保护声明中可以找到有关 Cookies 主题的详细信息。同意
燕尾槽导轨,带微调丝杆和 定位孔
21010

燕尾槽导轨,带微调丝杆和 定位孔

返回

商品描述/产品说明

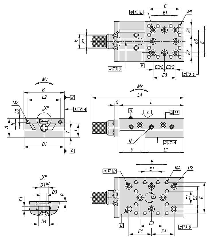
产品说明材料:铝 EN AW-6082。规格:黑色阳极氧化提示:这种精密滑轨应用于机器、夹具和测量仪制造以及光学和精密工程行业。
指定的允许负载值 (F) 针对静态负载设计。
扭矩值仅适用于位于中间的滑撬。

TI = 内部固定孔 E1/E2/MI 的数量。
TA = 外部固定孔 E/E1/MA 的数量。

TM = 内部定心孔 D1 的数量。
TN = 外部定心孔 D1 的数量。.
优点:所有螺纹孔上都附有一个定心孔。使用我们的定心环 20240,可精准地将其它连接件安装到滑座上。可在 x-y-z 方向快速和追加组合。特点:
RoHS
下载此处为收集信息的 PDF:

查找 CAD 数据?请直接在产品列表中查找。
 Datasheet 21010 燕尾槽导轨,带微调丝杆和 定位孔 322 kB
 norelem Service Instructions Guide Rails 2020 1,3 MB

图纸

燕尾槽导轨,带微调丝杆和 定位孔

商品选择/筛选

订货号AB

B1D1D2D3D4EE1E2E3E4行程
S
TlTATMTNHIKK1CAD配件价格订购
21010-020030132019,54M22,34,2126-81010882888,49,57 根据要求
21010-020035132019,54M22,34,2126-81215882888,49,57 根据要求
21010-020045132019,54M22,34,2126-816258821088,49,57 根据要求
21010-030040153029,55M2,52,85,72387,5151510128489,810,79,57 根据要求
21010-030045153029,55M2,52,85,72387,5151515128489,810,79,57 根据要求
21010-030055153029,55M2,52,85,72387,51515251284109,810,79,57 根据要求
21010-050067235049,57M44,38,2381611282815128881416,21814 根据要求
21010-050080235049,57M44,38,2381611282830128881416,21814 根据要求
21010-050105235049,57M44,38,23816112828551288101416,21814 根据要求
21010-080110348079,510M55,59603413404030128882322,52618 根据要求
21010-080135348079,510M55,59603413404055128882322,52618 根据要求
21010-080160348079,510M55,596034134040801288102322,52618 根据要求
21010-080185348079,510M55,5960341340401051288122322,52618 根据要求
21010-1201504512011910M55,39,5904025703530128883027,52618 根据要求
21010-1201754512011910M55,39,59040257035551288123027,52618 根据要求
21010-1202004512011910M55,39,59040257035801288123027,52618 根据要求
21010-1202254512011910M55,39,590402570351051288123027,52618 根据要求
订货号L

L1L2L3L4MIMAM2NOYPP1T1T2T3F
N
Mx
Nm
My
Nm
Mz
Nm
CAD配件价格订购
21010-020030301914,82,749,1M2x3M2x3M2M2,545,6M5x0,51,12,10,030,030,041800,4520,3 根据要求
21010-020035351914,82,754,1M2x3M2x3M2M2,545,6M5x0,51,12,10,030,030,041800,4520,3 根据要求
21010-020045451914,82,764,1M2x3M2x3M2M2,545,6M5x0,51,12,10,030,030,041800,4520,3 根据要求
21010-030040402823,53,259,1M3x4,5M3x4,5M2,5M2,547,5M5x0,51,12,10,030,030,043501,141 根据要求
21010-030045452823,53,264,1M3x4,5M3x4,5M2,5M2,547,5M5x0,51,12,10,030,030,043501,141 根据要求
21010-030055552823,53,274,1M3x4,5M3x4,5M2,5M2,547,5M5x0,51,12,10,030,030,043501,141 根据要求
21010-0500676748404,5100,6M4x6M4x8M4M4611,5M6x11,630,030,030,045402,582,3 根据要求
21010-0500808048404,5113,6M4x6M4x8M4M4611,5M6x11,630,030,030,045402,582,3 根据要求
21010-05010510548404,5138,6M4x6M4x8M4M4611,5M6x11,630,030,030,045402,582,3 根据要求
21010-08011011078686152,1M5x7,5M5x10M5M5817M08x12,13,70,030,030,047508227 根据要求
21010-08013513578686177,1M5x7,5M5x10M5M5817M08x12,13,70,030,030,047508227 根据要求
21010-08016016078686202,1M5x7,5M5x10M5M5817M08x12,13,70,030,030,047508227 根据要求
21010-08018518578686227,1M5x7,5M5x10M5M5817M08x12,13,70,030,030,047508227 根据要求
21010-1201501501191067196,1M5x10M5x10M6M51220M10x12,15,50,030,030,041500304518 根据要求
21010-1201751751191067221,1M5x10M5x10M6M51220M10x12,15,50,030,030,041500304518 根据要求
21010-1202002001191067246,1M5x10M5x10M6M51220M10x12,15,50,040,040,061500304518 根据要求
21010-1202252251191067271,1M5x10M5x10M6M51220M10x12,15,50,040,040,061500304518 根据要求
我的 norelemE-Mail密码
购物车
商品数量: 0
总数: 0.00  
点击购物车
欢迎扫描二维码
咨询诺瑞朗官方客服微信
中国
苏ICP备20011289号-1  苏公网安备32058502011222 网页地图 打印 推荐 Top
Copyright © 2025 norelem. 保留所有权利。 电话 +49 71 45/206-44 至 45 · 传真 +49 71 45/206-83