norelem 使用 Cookies 以优化设计和持续改进网页。您通过继续使用网页,同意使用 Cookies。在我们的数据保护声明中可以找到有关 Cookies 主题的详细信息。同意

商品描述/产品说明

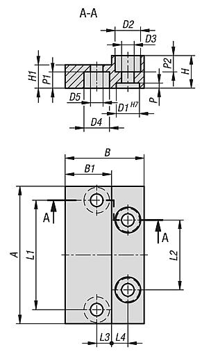
产品说明材料:铝 EN AW-6082。规格:黑色阳极氧化提示:使用安装板可在无需减少行程的情况下连接两个用于 X-Y 配置的滑块导向装置。

使用我们的定心环 20240,可精准地将垂直滑块定心到水平滑块上,并用螺栓 DIN 912 (07160) 拧紧。
特点:
RoHS
下载此处为收集信息的 PDF:

查找 CAD 数据?请直接在产品列表中查找。
 Datasheet 21010-01 用于滑台的铝制安装板 201 kB

图纸

用于滑台的铝制安装板

商品选择/筛选

订货号AB

B1D1D2D3D4D5HH1L1L2L3L4PP1P2CAD配件价格订购
21010-01-02019,514844,42,44,42,47414,882,72,51,12,42,4 根据要求
21010-01-03029,5171055,52,75,52,77523,5153,23,51,13,53,5 根据要求
21010-01-05049,52414784,584,510640284,551,64,44,4 根据要求
21010-01-08079,537231095,595,51286840662,15,55,5 根据要求
21010-01-120119,5463010105,5116,4141010670762,16,45,4 根据要求
我的 norelemE-Mail密码
购物车
商品数量: 0
总数: 0.00  
点击购物车
欢迎扫描二维码
咨询诺瑞朗官方客服微信
中国
苏ICP备20011289号-1  苏公网安备32058502011222 网页地图 打印 推荐 Top
Copyright © 2025 norelem. 保留所有权利。 电话 +49 71 45/206-44 至 45 · 传真 +49 71 45/206-83