norelem 使用 Cookies 以优化设计和持续改进网页。您通过继续使用网页,同意使用 Cookies。在我们的数据保护声明中可以找到有关 Cookies 主题的详细信息。同意

商品描述/产品说明

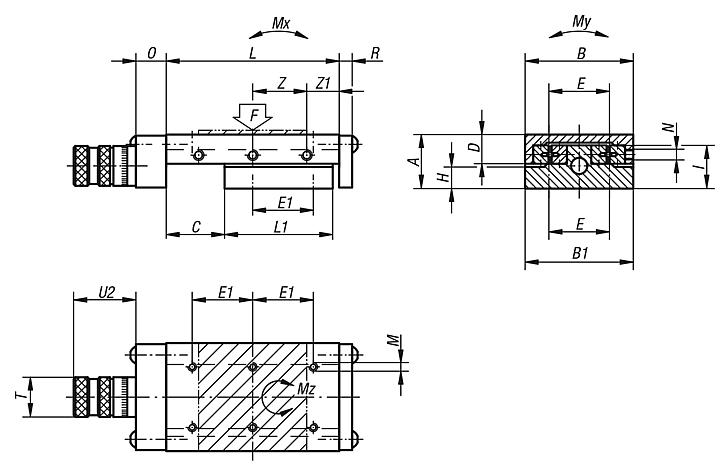
产品说明材料:GJL 250.规格:亮色,经打磨处理。提示:可应要求提供铝制滑台。
刻度盘分度为 0.02mm。对于规格 21040-040045 刻度盘分度为 0.01mm。应要求的其他刻度。
指定的允许负载值(F)是针对 1 百万行程的使用期而设计的。
扭矩值仅适用于位于中间的滑撬。

F = 动态或静态负载情况下的承载能力。
TI = 零件中固定孔数量 E1/M 内部。
TA = 零件中固定孔数量 E1/M 外部。

* 外部固定孔间距 = 25mm。
特点:
RoHS
下载此处为收集信息的 PDF:

查找 CAD 数据?请直接在产品列表中查找。
 Datasheet 21040 带微米轴的滚子轴承精密滑台 175 kB

图纸

带微米轴的滚子轴承精密滑台

商品选择/筛选

订货号ABB1CD

EE1TlTAHILL1MNORTU2ZZ1F
N
Mx
Nm
My
Nm
Mz
Nm
CAD配件价格订购
21040-040045204039,510133015*446,5134530M3M3123162515x115M5x0,5183132 根据要求
21040-050075255049,520172828467,5187550M4M3146233625x125M6x1286476 根据要求
21040-060075256059,520173434447,5187550M4M4146233625x125M6x1289486 根据要求
21040-1003604010099,515027,58686681228360200M6M6156304450x3105M10x1113061100107 根据要求
我的 norelemE-Mail密码
购物车
商品数量: 0
总数: 0.00  
点击购物车
欢迎扫描二维码
咨询诺瑞朗官方客服微信
中国
苏ICP备20011289号-1  苏公网安备32058502011222 网页地图 打印 推荐 Top
Copyright © 2025 norelem. 保留所有权利。 电话 +49 71 45/206-44 至 45 · 传真 +49 71 45/206-83